电脑桌面
添加小米粒文库到电脑桌面
安装后可以在桌面快捷访问

浙江某工业公司质量管理体系1

浙江某工业公司质量管理体系1_第1页
1/6
浙江某工业公司质量管理体系1_第2页
2/6
浙江某工业公司质量管理体系1_第3页
3/6
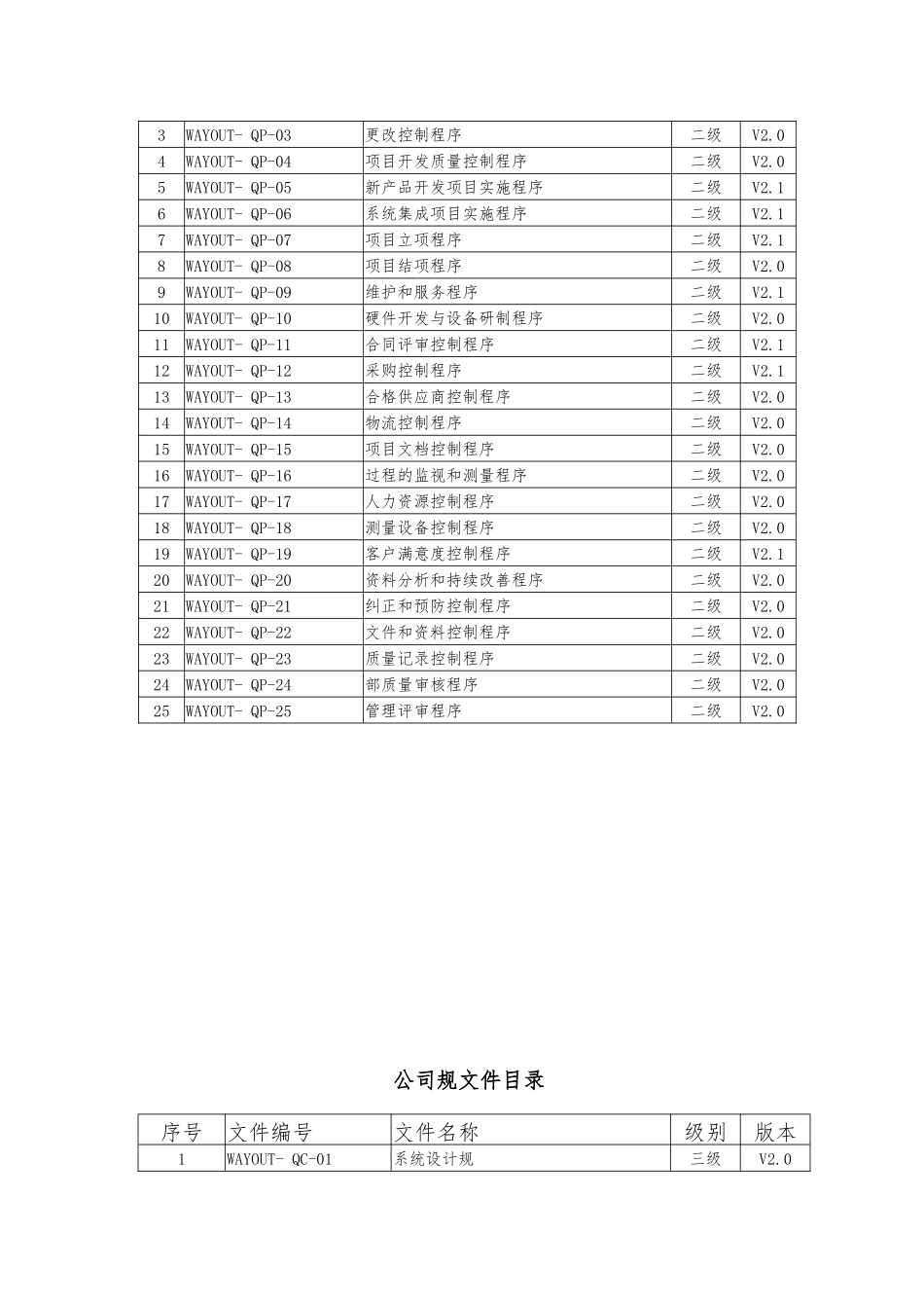
威奥特信通科技质量体系文件汇编依据 ISO9001: 2000 标准要求文件编号: WAYOUT.QP. 01~25 WAYOUT.QC. 01~17 WAYOUT.QF. 01~74版本:V2.0发 布 令《质量体系程序》是开展质量管理和质量保证工作的法规性和基础性文件,是《质量手册》中原则性要求的进一步展开和落实。为保证实现本公司的质量方针和目标,达到对所有与质量有关活动进行控制的目的,依据《质量手册》对本公司的主要质量活动制订了相应的程序文件,现予批准、发布,自发布之日起公司全体员工必须贯彻执行!总经理: 二 0 0 三年七月八日公司程序控制文件目录序号文件编号文件名称级别版本1WAYOUT- QP-01应用软件开发程序二级V2.02WAYOUT- QP-02配置管理程序二级V2.03WAYOUT- QP-03更改控制程序二级V2.04WAYOUT- QP-04项目开发质量控制程序二级V2.05WAYOUT- QP-05新产品开发项目实施程序二级V2.16WAYOUT- QP-06系统集成项目实施程序二级V2.17WAYOUT- QP-07项目立项程序二级V2.18WAYOUT- QP-08项目结项程序二级V2.09WAYOUT- QP-09维护和服务程序二级V2.110WAYOUT- QP-10硬件开发与设备研制程序二级V2.011WAYOUT- QP-11合同评审控制程序二级V2.112WAYOUT- QP-12采购控制程序二级V2.113WAYOUT- QP-13合格供应商控制程序二级V2.014WAYOUT- QP-14物流控制程序二级V2.015WAYOUT- QP-15项目文档控制程序二级V2.016WAYOUT- QP-16过程的监视和测量程序二级V2.017WAYOUT- QP-17人力资源控制程序二级V2.018WAYOUT- QP-18测量设备控制程序二级V2.019WAYOUT- QP-19客户满意度控制程序二级V2.120WAYOUT- QP-20资料分析和持续改善程序二级V2.021WAYOUT- QP-21纠正和预防控制程序二级V2.022WAYOUT- QP-22文件和资料控制程序二级V2.023WAYOUT- QP-23质量记录控制程序二级V2.024WAYOUT- QP-24部质量审核程序二级V2.025WAYOUT- QP-25管理评审程序二级V2.0公司规文件目录序号文件编号文件名称级别版本1WAYOUT- QC-01系统设计规三级V2.02WAYOUT- QC-02需求分析规三级V2.03WAYOUT- QC-03开发设计规三级V2.04WAYOUT- QC-04编码实现规三级V2.05WAYOUT- QC-05软件开发供方控制规三级V2.06WAYOUT- QC-06项目文档控制规三级V2.07WAYOUT- QC-07测试和确认规三级V2.08WAYOUT- QC-08元器件检验细则三级V2.09WAYOUT- QC-09电路逻辑设计和 PCB 设计要求三级V2.010WAYOUT- QC-10电子电气产品装配要求三级V2.011WAYOUT- QC-11设备调试操作规程三级V2.012WAYOUT- Q...

1、当您付费下载文档后,您只拥有了使用权限,并不意味着购买了版权,文档只能用于自身使用,不得用于其他商业用途(如 [转卖]进行直接盈利或[编辑后售卖]进行间接盈利)。
2、本站所有内容均由合作方或网友上传,本站不对文档的完整性、权威性及其观点立场正确性做任何保证或承诺!文档内容仅供研究参考,付费前请自行鉴别。
3、如文档内容存在违规,或者侵犯商业秘密、侵犯著作权等,请点击“违规举报”。

碎片内容

浙江某工业公司质量管理体系1

您可能关注的文档

确认删除?
VIP
微信客服
  • 扫码咨询
会员Q群
  • 会员专属群点击这里加入QQ群
客服邮箱
回到顶部