电脑桌面
添加小米粒文库到电脑桌面
安装后可以在桌面快捷访问

浙江海航船舶制造有限公司《船体大合拢质量跟踪表》质量技术部 顾书震

浙江海航船舶制造有限公司《船体大合拢质量跟踪表》质量技术部 顾书震_第1页
1/9
浙江海航船舶制造有限公司《船体大合拢质量跟踪表》质量技术部 顾书震_第2页
2/9
浙江海航船舶制造有限公司《船体大合拢质量跟踪表》质量技术部 顾书震_第3页
3/9
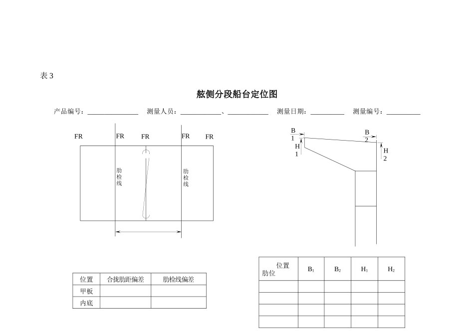
表 1船台龙骨精度跟踪测量表(参考)(该表应根据船舶分段划分实际情况进行变更)产品编号:_______________ 测量人员:____________、____________ 测量日期:__________ 测量编号:__________表 2双层底分段船台定位图产品编号:_______________ 测量人员:____________、____________ 测量日期:__________ 测量编号:__________ 位置肋位大接头肋距偏差检验线偏差向舯处向舷处向舯处向舷处左舷分段右舷分段位置合拢肋距偏差肋检线偏差甲板内底B1FRFRFRFR肋检线肋检线B2H2H1FR表 3舷侧分段船台定位图产品编号:_______________ 测量人员:____________、____________ 测量日期:__________ 测量编号:__________ 位置肋位B1B2H1H2表 4首尾分段船台定位图产品编号:_______________ 测量人员:____________、____________ 测量日期:__________ 测量编号:__________ 表 5 位置肋号距基线 H距中 B肋检线偏差左舷右舷左舷右舷左舷右舷偏首偏尾偏首偏尾###船体中心线测量位置偏左偏右###肋检线测量位置偏首偏尾# 左# 中# 右( )甲板( )纵壁处水平度及型宽测量位置水平实测型宽实测######上层建筑分段船台定位图产品编号:_______________ 测量人员:____________、____________ 测量日期:__________ 测量编号:__________表 6( )甲板 Φ 处水平度测量位置实测###层高测量位置实测# 左# 中# 右# 左# 中# 右# 左# 中# 右舱口主尺度精度跟踪测量表产品编号:__________No._____舱 测量人员:____________、____________ 测量日期:__________ 测量编号:__________ 实测肋位Bb理论实测误差位置B’实测误差PSPSPSPSPS 位置实测 BP测量误差S测量误差BP测量误差S测量误差表 7舱口围板主尺度精度跟踪测量表产品编号:__________No._____舱 测量人员:____________、____________ 测量日期:__________ 测量编号:__________表 8舵、轴中心线精度测量表Rudder & Shafting Accuracy Measured Table

1、当您付费下载文档后,您只拥有了使用权限,并不意味着购买了版权,文档只能用于自身使用,不得用于其他商业用途(如 [转卖]进行直接盈利或[编辑后售卖]进行间接盈利)。
2、本站所有内容均由合作方或网友上传,本站不对文档的完整性、权威性及其观点立场正确性做任何保证或承诺!文档内容仅供研究参考,付费前请自行鉴别。
3、如文档内容存在违规,或者侵犯商业秘密、侵犯著作权等,请点击“违规举报”。

碎片内容

浙江海航船舶制造有限公司《船体大合拢质量跟踪表》质量技术部 顾书震

您可能关注的文档

一二三四传媒+ 关注
实名认证
内容提供者

大量资料供您选择,没有合适的可以联系小二。

确认删除?
VIP
微信客服
  • 扫码咨询
会员Q群
  • 会员专属群点击这里加入QQ群
客服邮箱
回到顶部