电脑桌面
添加小米粒文库到电脑桌面
安装后可以在桌面快捷访问

混凝土回弹记录文本表

混凝土回弹记录文本表_第1页
1/7
混凝土回弹记录文本表_第2页
2/7
混凝土回弹记录文本表_第3页
3/7
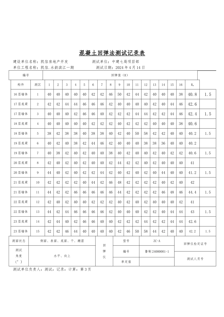
混凝土回弹法测试记录表建设单位名称:大龙建设集团 测试单位:中建七局项目部单位工程名称:罗浮山二期寺庙改扩建工程 测试日期:2024 年 4 月 14 日编号回弹值(R)构件测区12345678910111213141516Rm1 层墙体14648504850525048464446484846484647.62.02 层底梁23634383840364236343638363434363836.42 层墙体34348454545464244484545484346444845.02.03 层底梁43836363438363038363040344636383936.63 层墙体5444751504450474546444547 5045464446.22.04 层底梁642363638443638423836363636383836374 层墙体751 50 444747445046454544464744455046.41.55 层底梁83638383838364036363836383436403837.25 层墙体946464846464846444242444648464846462.06 层底梁103436343838383838403638383834363837.46 层墙体114844484846444848464850464846484647.21.57 层底梁123836403838364038423640384238384038.607 层墙体134642404642444642444648504846444845.22.08 层底梁143840403636404046404242383636423839.28 层墙体154846464246424444464648384046484645.21.5测面状态侧面、表面、底面、干、潮湿回弹仪型号ZC-A回弹仪检定证号测试角度(°)水平、向上编号鲁制 24000001-1测试人员号率定值测试单位负责人:测试:记录:计算:第 1 页混凝土回弹法测试记录表建设单位名称:凯信房地产开发 测试单位:中建七局项目部单位工程名称:凯信.水韵滨江一期 测试日期:2024 年 4 月 14 日编号回弹值(R)构件测区12345678910111213141516Rm9 层底梁14240444038424238423840383836404039.809 层墙体24846464646444646465050484852485047.2210 层底梁33836404240424040424440444042504841.2010 层墙体44646484850505252505050485048525249.6211 层底梁53840404042424638384040424244444241011 层墙体646484648464448484648504648464846472.012 层底梁74038403838364038403840384238384038.812 层墙体840364038383640384036403842384042391.013 层底梁93838383840383840423850584242404039.61.513 层墙体103838404042444642404040383836363839.41.514 层底梁113640424042383838383840404240424239.814 层墙体123840424042404042444642404240403840.81.515 层底梁134040404042424642403640424038404040.415 层墙体144042424244444446484242424240404042.21.516 层底梁154242464646464644444242424242484644测...

1、当您付费下载文档后,您只拥有了使用权限,并不意味着购买了版权,文档只能用于自身使用,不得用于其他商业用途(如 [转卖]进行直接盈利或[编辑后售卖]进行间接盈利)。
2、本站所有内容均由合作方或网友上传,本站不对文档的完整性、权威性及其观点立场正确性做任何保证或承诺!文档内容仅供研究参考,付费前请自行鉴别。
3、如文档内容存在违规,或者侵犯商业秘密、侵犯著作权等,请点击“违规举报”。

碎片内容

混凝土回弹记录文本表

确认删除?
VIP
微信客服
  • 扫码咨询
会员Q群
  • 会员专属群点击这里加入QQ群
客服邮箱
回到顶部