电脑桌面
添加小米粒文库到电脑桌面
安装后可以在桌面快捷访问

煤层气液化项目环境风险评价课程

煤层气液化项目环境风险评价课程_第1页
1/35
煤层气液化项目环境风险评价课程_第2页
2/35
煤层气液化项目环境风险评价课程_第3页
3/35
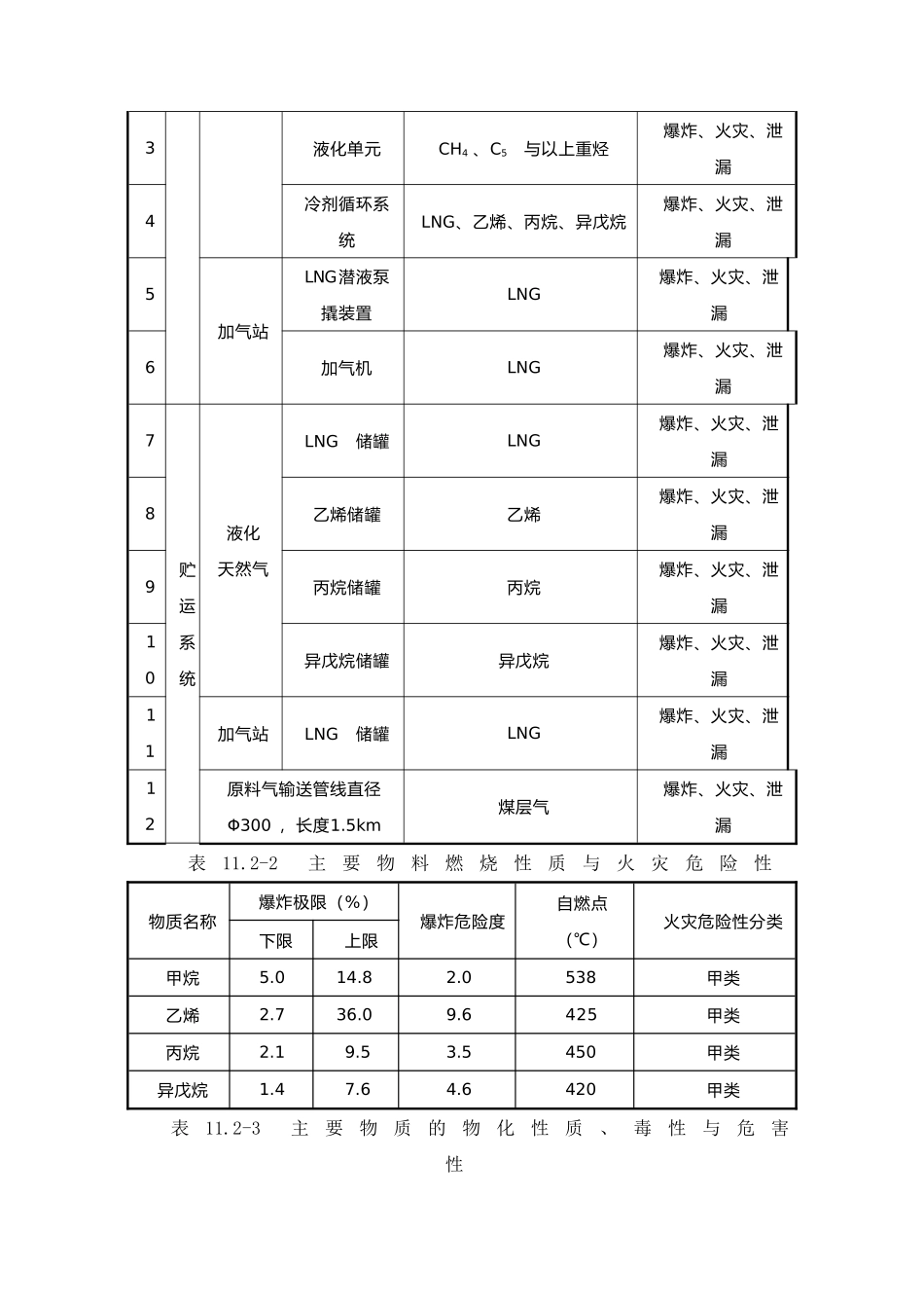
11 环 境 风 险 评 价11.1 评 价 原 则11.1.1评 价 目 的1. 结 合 本 工 程 主 要 建 设 容 , 分 析 生 产 过 程 中存 在 的 潜 在 危 险 与 有 害 因 素 , 判 别 本 项 目 火 灾爆 炸 、 泄 漏 等 风 险 的 种 类 、 发 生 原 因 与 几 率 。2. 根 据 本 项 目 所 采 纳 生 产 工 艺 , 涉 与 物 料 的性 质 与 成 份 , 以 与 产 品 特 点 等 因 素 , 识 别 本 项目 风 险 评 价 重 点 和 主 要 风 险 评 价 因 子 。3. 计 算 主 要 事 故 污 染 物 排 放 量 , 预 测 环 境 风险 的 影 响 程 度 和 围 。4. 针 对 本 工 程 总 图 布 置 与 生 产 操 作 情 况 和 周边 环 境 概 况 , 特 别 是 敏 感 因 素 分 布 情 况 , 提 出相 应 可 行 的 风 险 防 、 应 急 和 减 缓 措 施 。11.1.2评 价 重 点本 次 风 险 评 价 重 点 关 注 工 程 潜 在 风 险 事 故 的出 现 对 厂 址 周 围 厂 界 外 环 境 的 影 响 程 度 和 影 响围 , 并 与 正 常 生 产 相 比 , 说 明 环 境 影 响 的 变 化程 度 , 提 出 可 行 的 防 护 措 施 。11.2 风 险 识 别11.2.1风 险 识 别 的 围 和 类 型本 次 评 价 风 险 识 别 围 主 要 从 生 产 设 施 风 险 识别 和 生 产 过 程 所 涉 与 的 物 质 风 险 识 别 两 方 面 着手 。 其 中 生 产 设 施 风 险 识 别 包 括 主 要 生 产 装 置和 贮 运 系 统 两 部 分 。 其 中 , 主 要 生 产 装 置 包 括液 化 天 然 气 的 脱 碳 单 元 、 脱 水 脱 汞 单 元 、 液 化单 元 以 与 冷 剂 循 环 系 统 , 以 与 加 气 站 的 LNG 潜 液泵 撬 装 置 、 加 气 机 。 贮 运 系 统 包 括 原 料 和 产 品两 方 面 。 物 质 风 险 识 别 着 重 于 原 料 煤 层 气 、 冷剂 ( 乙 烯 、 丙 烷 、 异 戊 烷 ) 、 产 品 液 化 天 然 气( LNG ) 和 重 烃 。通 过 对 主 要 生 产 装 置 、 生 产 过 程 的 分 析 ,...

1、当您付费下载文档后,您只拥有了使用权限,并不意味着购买了版权,文档只能用于自身使用,不得用于其他商业用途(如 [转卖]进行直接盈利或[编辑后售卖]进行间接盈利)。
2、本站所有内容均由合作方或网友上传,本站不对文档的完整性、权威性及其观点立场正确性做任何保证或承诺!文档内容仅供研究参考,付费前请自行鉴别。
3、如文档内容存在违规,或者侵犯商业秘密、侵犯著作权等,请点击“违规举报”。

碎片内容

煤层气液化项目环境风险评价课程

您可能关注的文档

文森传品+ 关注
实名认证
内容提供者

一家传播文化教育的小店,资料丰富,随意挑选。

确认删除?
VIP
微信客服
  • 扫码咨询
会员Q群
  • 会员专属群点击这里加入QQ群
客服邮箱
回到顶部