电脑桌面
添加小米粒文库到电脑桌面
安装后可以在桌面快捷访问

毕业实习总结 土木工程专业

毕业实习总结  土木工程专业_第1页
1/8
毕业实习总结  土木工程专业_第2页
2/8
毕业实习总结  土木工程专业_第3页
3/8
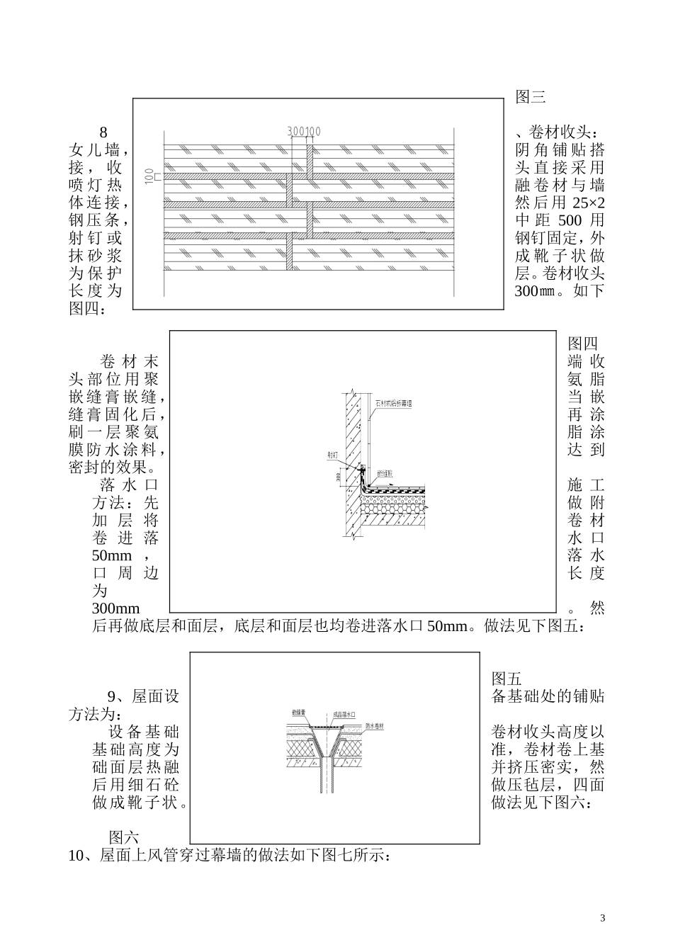
毕业实习总结本人实习期间,在工地技术人员和工人师傅的指导与帮助下,着重参观学习了建筑防水工程的施工工艺及方法,其中包括屋面 SBS 改性沥青防水卷材施工、以及地下防水工程施工、卫生间防水施工。现总结如下:一:屋面 SBS 改性沥青防水卷材施工(一):施工前准备工作:1、 材料准备:1)3mm+4mmSBS 改性沥青防水卷材,经见证取样,并有合格的复检报告。2)冷底子油,汽油,二甲苯。2、 工具准备: 高压吹风机、小平铲、扫帚、滚筒、小刀、汽油喷灯等。3、 作业条件:1) 基层平整,光滑,干燥,不空鼓,开裂。含水率不大于 9%。若有积水应提前清扫,并用喷灯烤干。2) 水、电、通风已完成屋面施工,所有的预埋管以全部安装完毕。 3) 施工前审核图纸,操作人员持证上岗。4) 施工前准备好灭火器。 (二)、施工工艺:1、施工工艺流程:屋面水、电、通风各专业均已施工验收完毕 → 清理基层 → 测基层含水率→ 涂刷基层处理剂 → 铺贴卷材附加层 → 热熔铺贴卷材 → 热熔封边 → 蓄水试验 → 做保护层2、基层清理及验收:基层清理干净,分格缝要掏空清理干净。3、测基层含水率:找平层含水率不大于 9%,检验方法:将 1㎡卷材平铺在找平层上,静置 3-4 小时后揭开检查,找平层覆盖部位与卷材上未见水印方合格。|4、屋面排气管采用外径 Φ20 聚氯已烯(UPVC)塑料管排气管或同直径电管,分格缝兼作排汽通道,在分格缝内每 1000mm 用电锤打一眼,眼直径为10mm,深度到结构层上表面,分格缝两头预埋排汽管,长度不小于 500,向墙上弯起不小于 500。放好排汽管后用陶粒将分格缝填塞密实。示意见下图一:分格缝内杂物清理干净,灌干陶粒。1图一5、涂刷基层处理剂:在基层满刷一道冷底子油,要求涂刷均匀,不露底。6、附加层施工:在女儿墙、水落口、阴阳角等部位首先做好附加层,用 3㎜改性沥青卷材热熔施工,女儿墙,阴阳角处卷材上返 250mm ,水平长度为 250mm。附加层必须贴实、粘牢。分格缝处用 300㎜宽的卷材长条加热将分格缝一边用满粘法粘贴密实、牢固、压平。如下图二:图二7、热熔铺帖卷材:底层为 3mm,面层为 4mm 卷材。弹出每捆卷材的铺贴位置线,然后将每捆卷材按铺贴长度进行裁剪并卷好备用,操作时将已卷好的卷材用 30cm 的钢管穿入卷心,卷材端头比齐开始铺的起点,点燃汽油喷灯,加热基层与卷材交接处,喷嘴距加热面 30cm 左右的距离,往返喷烤,观察当卷材的沥青刚熔化时,...

1、当您付费下载文档后,您只拥有了使用权限,并不意味着购买了版权,文档只能用于自身使用,不得用于其他商业用途(如 [转卖]进行直接盈利或[编辑后售卖]进行间接盈利)。
2、本站所有内容均由合作方或网友上传,本站不对文档的完整性、权威性及其观点立场正确性做任何保证或承诺!文档内容仅供研究参考,付费前请自行鉴别。
3、如文档内容存在违规,或者侵犯商业秘密、侵犯著作权等,请点击“违规举报”。

碎片内容

毕业实习总结 土木工程专业

您可能关注的文档

确认删除?
VIP
微信客服
  • 扫码咨询
会员Q群
  • 会员专属群点击这里加入QQ群
客服邮箱
回到顶部