电脑桌面
添加小米粒文库到电脑桌面
安装后可以在桌面快捷访问

电力电缆技术规范书

电力电缆技术规范书_第1页
1/10
电力电缆技术规范书_第2页
2/10
电力电缆技术规范书_第3页
3/10
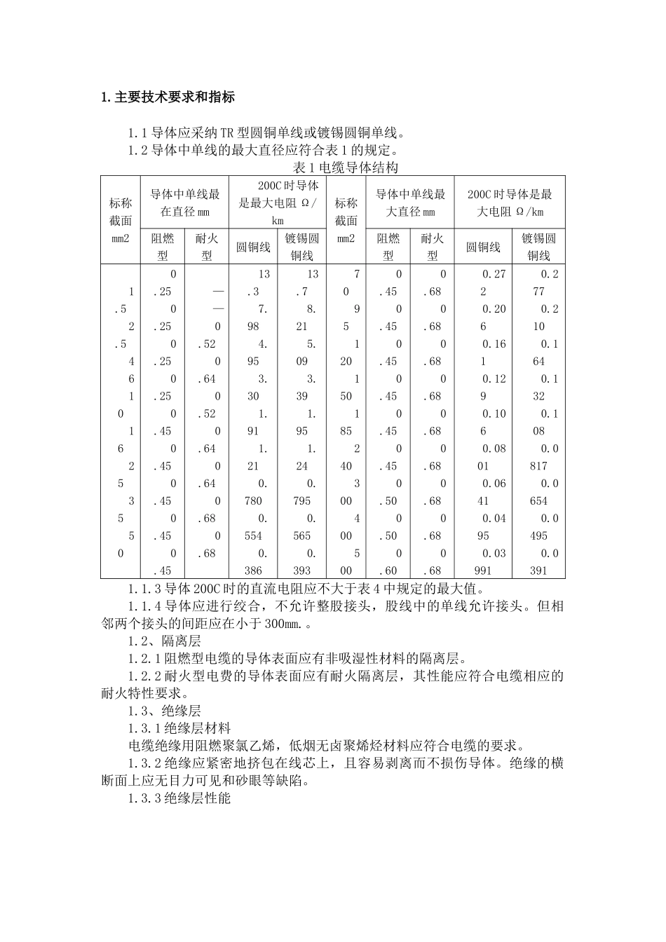
电力电缆技术法律规范书中国电信集团公司内蒙古网络资产分公司二 ΟΟ 九年三月1.主要技术要求和指标1.1 导体应采纳 TR 型圆铜单线或镀锡圆铜单线。1.2 导体中单线的最大直径应符合表 1 的规定。表 1 电缆导体结构标称截面mm2导体中单线最在直径 mm200C 时导体是最大电阻 Ω/km标称截面mm2导体中单线最大直径 mm200C 时导体是最大电阻 Ω/km阻燃型耐火型圆铜线镀锡圆铜线阻燃型耐火型圆铜线镀锡圆铜线1.52.54610162535500.250.250.250.250.450.450.450.450.45——0.520.640.520.640.640.680.6813.37.984.953.301.911.210.7800.5540.38613.78.215.093.391.951.240.7950.5650.39370951201501852403004005000.450.450.450.450.450.450.500.500.600.680.680.680.680.680.680.680.680.680.2720.2060.1610.1290.1060.08010.06410.04950.039910.2770.2100.1640.1320.1080.08170.06540.04950.03911.1.3 导体 200C 时的直流电阻应不大于表 4 中规定的最大值。1.1.4 导体应进行绞合,不允许整股接头,股线中的单线允许接头。但相邻两个接头的间距应在小于 300mm.。1.2、隔离层1.2.1 阻燃型电缆的导体表面应有非吸湿性材料的隔离层。1.2.2 耐火型电费的导体表面应有耐火隔离层,其性能应符合电缆相应的耐火特性要求。1.3、绝缘层1.3.1 绝缘层材料电缆绝缘用阻燃聚氯乙烯,低烟无卤聚烯烃材料应符合电缆的要求。1.3.2 绝缘应紧密地挤包在线芯上,且容易剥离而不损伤导体。绝缘的横断面上应无目力可见和砂眼等缺陷。1.3.3 绝缘层性能电缆绝缘层的机械物理性能应符合表 2 的规定。序号项目名称单位性能要求备注阻 燃 聚 氯 乙烯无 卤 低 烟聚烯烃1机械物理性能抗张强度和断裂伸长率原始性能抗张强度断裂伸长率老化后性能处理条件试验温度持续时间抗张强度变化率断裂伸长率变化率N/ mm20ChN/ mm2≥12.5≥150%100±2168≥12.5≤±25%≥150%≤±25%≥8.0≥125%100±2168≥8.0≤±30%≥125%≤±30%2热失重试验处理温度处理时间试验结果0Chg/ mm2100±2168203高温压力试验处理温度压痕深度最大中间值0C80±2≤50%4抗开裂试验处理温度持续时间试验结果0Ch150±21不开裂5低温冲击试验处理温度试验结果0C—150±2不开裂—20±2不开裂6热稳定性试验处理温度试验结果 热稳定时间0CMin200±0.51807PH 值(加权值)——≥4.38导电率(加权值)Us/min—≤109氧指数≥30表 2 绝缘层机械物理性能1.3.4 绝缘厚度电缆绝缘层的标称厚...

1、当您付费下载文档后,您只拥有了使用权限,并不意味着购买了版权,文档只能用于自身使用,不得用于其他商业用途(如 [转卖]进行直接盈利或[编辑后售卖]进行间接盈利)。
2、本站所有内容均由合作方或网友上传,本站不对文档的完整性、权威性及其观点立场正确性做任何保证或承诺!文档内容仅供研究参考,付费前请自行鉴别。
3、如文档内容存在违规,或者侵犯商业秘密、侵犯著作权等,请点击“违规举报”。

碎片内容

电力电缆技术规范书

确认删除?
VIP
微信客服
  • 扫码咨询
会员Q群
  • 会员专属群点击这里加入QQ群
客服邮箱
回到顶部