电脑桌面
添加小米粒文库到电脑桌面
安装后可以在桌面快捷访问

电力管线施工方案

电力管线施工方案_第1页
1/10
电力管线施工方案_第2页
2/10
电力管线施工方案_第3页
3/10
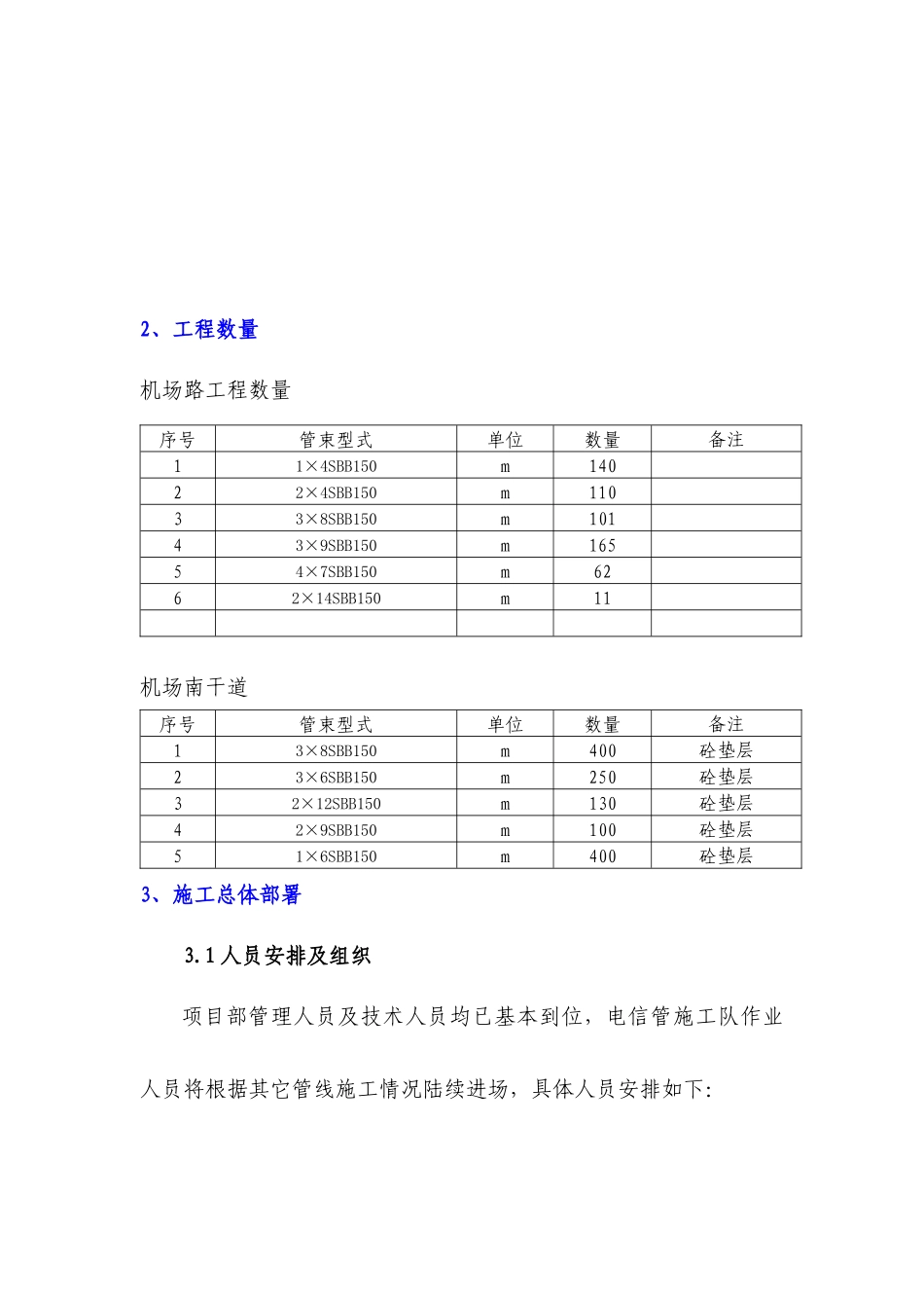
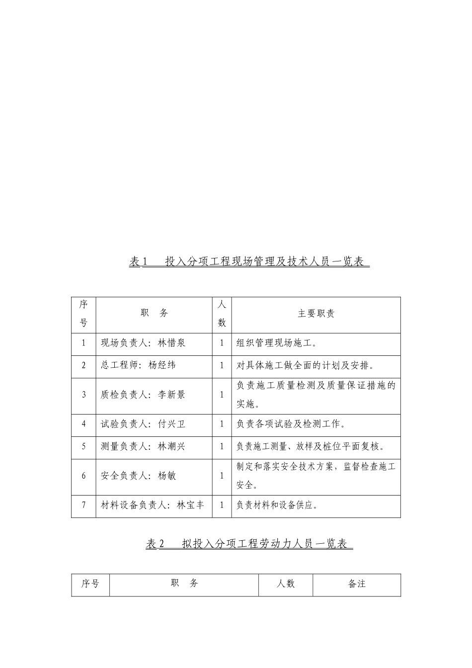
电力管线施工方案1、工程简介机场路景观改造及机场南干道改扩建工程中,机场路设计全长960.471 米,电力管线主要在北侧人行道或绿化带中设 1.4×1.4 和1.2×1.2 覆土隐蔽式电缆沟.1.4×1.4 的电缆沟与规划中的 110kV机场二站出线电缆沟顺接;南干道设计全长 3.35KM,电力管线主要在西侧人行道中设 1.2×1.2 隐蔽式电缆沟.电缆沟与相邻道路顺接。过路管束如下表:序号桩号管束型式序号桩号管束型式1M0+000P 3×8SBB15015F1+943P 3×6SBB1502M0+144P 1×4SBB15016F2+094P 1×6SBB1503M0+334P 1×4SBB15017F2+220P 3×8SBB1504M0+444P 2×4SBB15018F2+260P 3×6SBB1505过 A、B 匝道P 3×9SBB15019F2+405P 3×6SBB1506M0+959P 1×4SBB15020F2+557P 3×8SBB1507F0+900P 1×6SBB15021F2+590P 3×6SBB1508F1+060P 1×6SBB15022F2+893P 3×8SBB1509F1+163P 2×9SBB15023F2+950P 3×6SBB15010F1+208P 2×9SBB15024F3+292P 3×8SBB15011F1+484P 1×6SBB15025F3+353P 3×6SBB15012F1+620P 1×10SBB15026F3+644P 1×6SBB15013F1+850P 1×6SBB15027F3+725P 1×6SBB15014F1+905P 3×8SBB15028F3+943P 1×6SBB1502、工程数量机场路工程数量序号管束型式单位数量备注11×4SBB150m14022×4SBB150m11033×8SBB150m10143×9SBB150m16554×7SBB150m6262×14SBB150m11机场南干道序号管束型式单位数量备注13×8SBB150m400砼垫层23×6SBB150m250砼垫层32×12SBB150m130砼垫层42×9SBB150m100砼垫层51×6SBB150m400砼垫层3、施工总体部署3.1 人员安排及组织项目部管理人员及技术人员均已基本到位,电信管施工队作业人员将根据其它管线施工情况陆续进场,具体人员安排如下:表 1 投入分项工程现场管理及技术人员一览表 序号职 务人数主要职责1现场负责人:林惜泉1组织管理现场施工。2总工程师:杨经纬1对具体施工做全面的计划及安排。3质检负责人:李新景1负责施工质量检测及质量保证措施的实施。4试验负责人:付兴卫1负责各项试验及检测工作。5测量负责人:林潮兴1负责施工测量、放样及桩位平面复核。6安全负责人:杨敏1制定和落实安全技术方案,监督检查施工安全。7材料设备负责人:林宝丰1负责材料和设备供应。表 2 拟投入分项工程劳动力人员一览表 序号职 务人数备注1机械手22砼 工203钢筋工54电 工25修理工26普 工407瓦工203.2 测量、试验及监控仪器设备表 3 测量、试验及监控仪器一览表 序号设备名称型号数量...

1、当您付费下载文档后,您只拥有了使用权限,并不意味着购买了版权,文档只能用于自身使用,不得用于其他商业用途(如 [转卖]进行直接盈利或[编辑后售卖]进行间接盈利)。
2、本站所有内容均由合作方或网友上传,本站不对文档的完整性、权威性及其观点立场正确性做任何保证或承诺!文档内容仅供研究参考,付费前请自行鉴别。
3、如文档内容存在违规,或者侵犯商业秘密、侵犯著作权等,请点击“违规举报”。

碎片内容

电力管线施工方案

确认删除?
VIP
微信客服
  • 扫码咨询
会员Q群
  • 会员专属群点击这里加入QQ群
客服邮箱
回到顶部