电脑桌面
添加小米粒文库到电脑桌面
安装后可以在桌面快捷访问

管工培训知识内容

管工培训知识内容_第1页
1/16
管工培训知识内容_第2页
2/16
管工培训知识内容_第3页
3/16
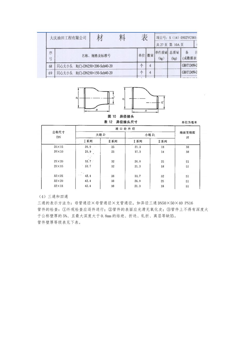
管工培训知识一、管工基础知识1、管工职业管工是操作专用机械设备、进行金属与非金属管子加工和管路安装、调试、维护与修理的人员。管工就是在施工或安装现场从事管件加工和管道组合、安装施工的操作者,管工必须具备独立生产加工能力,并能设计图进行部件加工和管道连接安装能力的实际操作。本职业共设五个等级,分别为:初级(国家职业资格五级)、中级(国家职业资格四级)、高级(国家职业资格三级)、技师(国家职业资格二级)、高级技师(国家职业资格一级)。2、常用计量单位的使用与换算长度单位:米 符号(m) 1km=1000m 1m=1000mm 1mm=1000μm 重量单位:千克(公斤)kg 1kg=1000g 1g=1000mg 1t(吨)=1000kg 1 千克=2 市斤压强单位:帕 Pa 兆帕 MPa 1MPa=1000kPa=106Pa 10m 水柱约为 0.1MPa3、管道油田常用管道分金属管道和非金属管道1)金属管道分焊接钢管和无缝钢管普通焊接钢管的材质是普通碳素钢,有 Q195、Q215A(B)、Q235 A(B)、Q295 A(B)、Q345 A(B)等(数字表示管材屈服强度。数字越大,屈服强度越高;A/B 代表质量等级);常用无缝钢管的材质为 10 或 20 号优质碳素钢,10 或 20 代表钢材中的 C 含量。管道的尺寸表示方法:一般用“管材的外径×壁厚 标注管材材质”,如“无缝钢管φ219×6 20” 金属管道施工前,要对管道材质、规格、壁厚等进行检查,发现不符合设计或标准要求的严禁使用。2)非金属管道油田常用非金属管道有钢骨架复合管、高压玻璃钢管等。一般情况下钢骨架复合管为热熔连接,高压玻璃钢管由螺纹连接,具体操作方法由厂家指导安装。4、常用阀门、管件基础知识(1)阀门阀门的表示方法:(型号)―(压力等级) 公称直径型号中,一般情况下以“Z”字开头的是闸阀,以“Q”字开头的是球阀,以“J”字开头的是截止阀,以“A”字开头的是安全阀,以“H”字开头的是止回阀;压力等级表示一般有 16(有些情况为 16C,“ C”代表阀体材质碳钢,假如是 T 则代表铜制或铜合金阀体)、25、40 等,分别代表 1.6MPa、2.5 MPa 、4 MPa。公称直径一般以 DN 开头。如:Z41H-16C DN50 表示 1.6 MpaDN50 的闸阀。阀门尺寸一般根据实际测量其尺寸,其法兰端面根据设计要求配备(一般设计图纸的设备表中有说明)。(2)弯头弯头有 5 个重要参数:弯度、公称直径、压力等级、弯头半径、弯头材质。根据规要求,弯头的表示方法为:(举例说明)钢制对焊长半径弯头 90E(L)-1...

1、当您付费下载文档后,您只拥有了使用权限,并不意味着购买了版权,文档只能用于自身使用,不得用于其他商业用途(如 [转卖]进行直接盈利或[编辑后售卖]进行间接盈利)。
2、本站所有内容均由合作方或网友上传,本站不对文档的完整性、权威性及其观点立场正确性做任何保证或承诺!文档内容仅供研究参考,付费前请自行鉴别。
3、如文档内容存在违规,或者侵犯商业秘密、侵犯著作权等,请点击“违规举报”。

碎片内容

管工培训知识内容

不二商店+ 关注
实名认证
内容提供者

我是你的不二选择

确认删除?
VIP
微信客服
  • 扫码咨询
会员Q群
  • 会员专属群点击这里加入QQ群
客服邮箱
回到顶部