电脑桌面
添加小米粒文库到电脑桌面
安装后可以在桌面快捷访问

纯水系统操作规程介绍

纯水系统操作规程介绍_第1页
1/8
纯水系统操作规程介绍_第2页
2/8
纯水系统操作规程介绍_第3页
3/8
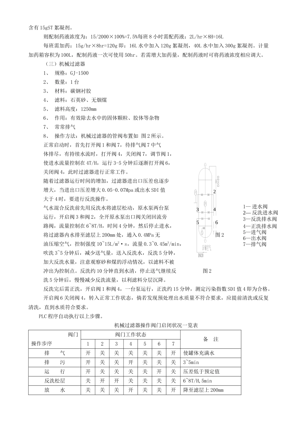
纯水系统操作规程一、概 述预过滤 + 反渗透 +EDI 工艺制取玻璃冲洗用纯水系统将市政自来水用预过滤+反渗透+EDI 工艺进行处理,产水电阻率≥5MΩ·cm,自动控制。二、处理子系统 (一)原水泵1、 型号:CDL16-30 2、 数量:2 台 3、作用:将原水增压后输送到下道工序。 4、操作:原水泵起动前首先检查进水压力是否正常,确认正常后全开泵入口阀门,微开泵出口阀门 ,待泵内灌满水后启动电机,然后缓慢打开出口阀门向下道工序送水。通过调节出口阀门,使出水流量为1T/H 左右。出水口设置回流旁路,当出水口压力过高时,能缓和管网压力,原水箱低液位保护开关与泵联动,防止水泵空转烧坏电机。(二)加药装置1、 规格:X152、 数量:1 台 3、絮凝剂加药装置作用:为适应原水的水质变化,通过该加药装置向水中投加 ST 絮凝剂,破坏水中胶体分子的电荷稳定性,絮凝水中有机和无机等胶体物质,从而使得固体颗粒及胶体分子通过机械过滤器后得以彻底去除,以充分保证澄清合格的原水进入下一道工序。加药量计算:加药量的大小根据水质的情况而定,一般加药量越小越好。对于反渗透进水条件而言,要求预处理后加药量为 1ppm。例:设加药量为 1ppm,即每吨水加药 1g,每小时处理水量为 15 吨。则:每小时需加药:1×15=15g/hr 假设计量泵注入量刻度调至 2L/hr,可知每小时注入 2L 药液中23456含有 15gST 絮凝剂。则配制药液浓度为:15/2000×100%=7.5%每班 8 小时需配药液:2L/hr×8H=16L 每班需加药:15g/hr×8hr=120g 即:16L 水中加入 120g 絮凝剂,40L 水中加入 300g 絮凝剂。计量加药箱容积为 100L,配制药液一次可使用 50hr。若需增大加药量,配制药液时可将药液浓度相应调大。 (三)机械过滤器 1、 规格:GJ-15002、 数量:1 台3、 材料:碳钢衬胶4、 滤料:石英砂、无烟煤5、 滤料高度:1250mm6、 作用:有效除去水中的固体颗粒、胶体等杂物7、 常常排气8、 操作方法:机械过滤器的管阀布置如 图 2 所示。正常启动时,首先打开阀 1 和阀 7,待排气阀 7 中气体排尽,有持续水流时,打开阀 4,关闭阀 7,调节阀 1,使进水流量控制在 4T/H,运行 3-5 分钟后逐渐打开阀 6,关闭阀 4,此时过滤器进行正常工作。随着过滤器运行时间的增加,过滤器进出口压差也逐步增大,当进出口压差增大 0.05-0.07Mpa 或出水 SDI 值大于 4 时,要进行反洗操作。气水混合反洗前先用反洗水将...

1、当您付费下载文档后,您只拥有了使用权限,并不意味着购买了版权,文档只能用于自身使用,不得用于其他商业用途(如 [转卖]进行直接盈利或[编辑后售卖]进行间接盈利)。
2、本站所有内容均由合作方或网友上传,本站不对文档的完整性、权威性及其观点立场正确性做任何保证或承诺!文档内容仅供研究参考,付费前请自行鉴别。
3、如文档内容存在违规,或者侵犯商业秘密、侵犯著作权等,请点击“违规举报”。

碎片内容

纯水系统操作规程介绍

您可能关注的文档

确认删除?
VIP
微信客服
  • 扫码咨询
会员Q群
  • 会员专属群点击这里加入QQ群
客服邮箱
回到顶部