电脑桌面
添加小米粒文库到电脑桌面
安装后可以在桌面快捷访问

闸门及启闭机安装工程

闸门及启闭机安装工程_第1页
1/41
闸门及启闭机安装工程_第2页
2/41
闸门及启闭机安装工程_第3页
3/41
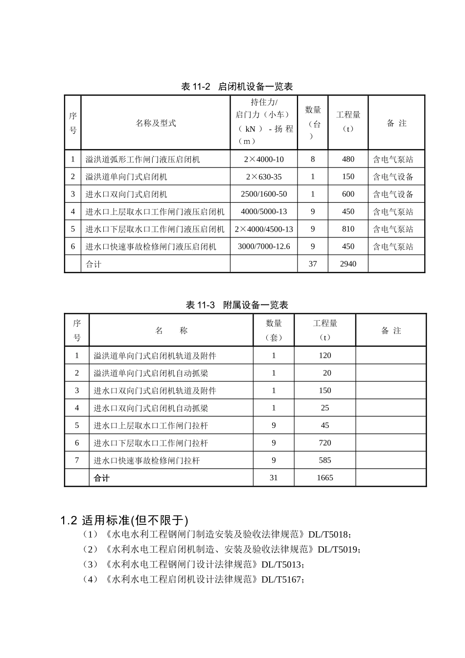
1 闸门及启闭机安装工程1.1 工作范围本标段的闸门及启闭机安装工作内容,见表 11-1~表 11-3。表 11-1 闸门设备一览表序号名称及型式孔口尺寸宽×高-水头(m)支承形式数量工程量(t)备 注1溢洪道弧形工作闸门门叶15×21.7-21.7圆柱铰82834.42溢洪道弧形工作闸门门槽15×21.7-21.7圆柱铰8316.93溢洪道检修闸门门叶15×20-20滑道24604溢洪道检修闸门门槽15×20-20滑道82405溢洪道检修闸门储门槽15×20217.7含锁定6进水口工作拦污栅栅叶3.8×66.5-4定轮362329.27进水口工作拦污栅栅槽3.8×66.5-4定轮361150.98进水口检修拦污栅栅叶3.8×66.5-4定轮4258.89进水口检修拦污栅栅槽3.8×66.5-4定轮361150.910进水口检修拦污栅储栅槽3.8×7.536811进水口上层取水口工作闸门门叶7×12-43.99999012进水口上层取水口工作闸门门槽7×12-43.99定轮9517.513进水口下层取水口工作闸门门叶7×12-76定轮9130514进水口下层取水口工作闸门门槽7×12-76定轮999015进水口快速事故闸门门叶7×11-76定轮91269.916进水口快速事故闸门门槽7×11-76定轮9800.2合计23014639.4表 11-2 启闭机设备一览表序号名称及型式持住力/启门力(小车)( kN ) - 扬 程(m)数量(台)工程量(t)备 注1溢洪道弧形工作闸门液压启闭机2×4000-108480含电气泵站2溢洪道单向门式启闭机2×630-351150含电气设备3进水口双向门式启闭机2500/1600-501600含电气设备4进水口上层取水口工作闸门液压启闭机4000/5000-139450含电气泵站5进水口下层取水口工作闸门液压启闭机2×4000/4500-139810含电气泵站6进水口快速事故检修闸门液压启闭机3000/7000-12.69450含电气泵站合计372940表 11-3 附属设备一览表序号名 称数量(套)工程量(t)备 注1溢洪道单向门式启闭机轨道及附件11202溢洪道单向门式启闭机自动抓梁1203进水口双向门式启闭机轨道及附件11504进水口双向门式启闭机自动抓梁1255进水口上层取水口工作闸门拉杆9456进水口下层取水口工作闸门拉杆97207进水口快速事故检修闸门拉杆9585合计3116651.2 适用标准(但不限于)(1)《水电水利工程钢闸门制造安装及验收法律规范》DL/T5018;(2)《水利水电工程启闭机制造、安装及验收法律规范》DL/T5019;(3)《水利水电工程钢闸门设计法律规范》DL/T5013;(4)《水利水电工程启闭机设计法律规范》DL/T5167;(5)《水工金属结构防腐蚀法律规范》SL105;(6)《电站门式起重机》GB10038;(7)《大型液压式启闭机》GB/T14627;...

1、当您付费下载文档后,您只拥有了使用权限,并不意味着购买了版权,文档只能用于自身使用,不得用于其他商业用途(如 [转卖]进行直接盈利或[编辑后售卖]进行间接盈利)。
2、本站所有内容均由合作方或网友上传,本站不对文档的完整性、权威性及其观点立场正确性做任何保证或承诺!文档内容仅供研究参考,付费前请自行鉴别。
3、如文档内容存在违规,或者侵犯商业秘密、侵犯著作权等,请点击“违规举报”。

碎片内容

闸门及启闭机安装工程

您可能关注的文档

确认删除?
VIP
微信客服
  • 扫码咨询
会员Q群
  • 会员专属群点击这里加入QQ群
客服邮箱
回到顶部