电脑桌面
添加小米粒文库到电脑桌面
安装后可以在桌面快捷访问

雷士照明屋面防水工程施工方案

雷士照明屋面防水工程施工方案_第1页
1/5
雷士照明屋面防水工程施工方案_第2页
2/5
雷士照明屋面防水工程施工方案_第3页
3/5
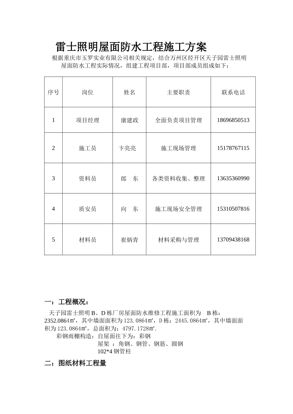
雷士照明屋面防水工程施工方案 根据重庆市玉罗实业有限公司相关规定,结合万州区经开区天子园雷士照明屋面防水工程实际情况,组建工程项目部,项目部成员组成如下:序号岗位姓名主要职责联系电话1项目经理康建政全面负责项目管理186968505132施工员卞亮亮施工现场管理151787671153资料员郎 东各类资料收集、整理136353609904质安员向 东施工现场安全管理153105078165材料员崔炳青材料采购与管理13709438168一:工程概况: 天子园雷士照明 B、D 栋厂房屋面防水维修工程施工面积为 B 栋:2352.0864㎡,其中墙面面积为 123.0864㎡,D 栋:2445.0864㎡,其中墙面面积为 123.0864㎡,总面积为:4797.1728㎡.彩钢雨棚构造:自屋面往下为:彩钢 屋架 :角钢、钢管、钢筋、圆钢 102*4 钢管柱 二:图纸材料工程量序号材料名称数量单位材料品质1<80×5 角钢16.35T2<50×3 角钢5.21T3<50×4 角钢0.024T4-6 钢板2.7T5-8 钢板1.122T6-10 钢板1.66T7Φ20 钢筋和圆钢1.266T8Ф80×3 钢管3.446T9Ф102×4 钢管1.91T10Ф12 钢管1.14T11Ф32×2 钢管0.184T12C160×50×20×2.2 檩条20.54T13-2 钢板天沟6.72T14V-760 彩钢板5954m0.47615脊瓦115m0.47616彩钢板檐口折件90m0.47617PVC 落水管 f110108支18钻尾钉螺栓电焊条切割片氧气乙炔等辅材4652㎡19油漆4652㎡20花篮螺栓40个21混凝土1立方米三:施工准备:本道路工程计划分 4 个作业工序:1、材料进场;2、屋架结构制作;3、檩条安装;4、彩钢板铺设及固定。根据施工图,提材料需求计划,便于采购提早掌握材料来源及询价,为施工材料的按时进场,保障施工进度做好材料准备。落实施工队伍,落实满足该工程施工进度的施工机具、设备配置。根据施工进程,施工机具、设备要按需进场。四,施工部署: 成立现场项目管理部 确定屋架结构施工单位(待定) 设备机具进行施工 施工同时,提出钢材、钢管等材料计划及道路材料计划,供物资部门询价及采购 檩条安装 彩钢铺设及固定 天沟制作及场地清理五:道路施工主要技术措施:1. 材料进场(1)材料进场,厂商应附原厂出厂材质检验证明。(2)检验成型浪板、钢筋、角钢、檩条等材料的规格、尺寸、厚度。(3)检验各式收边材料的规格、尺寸、厚度。(4)检验零配件各种辅材是否符合要求(自攻螺丝、垫片、止水胶等)。(5)彩色钢浪板外观不得有拖拉伤痕、色斑,表面膜层磨损、扭曲、污染、色差、翘角等现象。(6) 材料进场时,应...

1、当您付费下载文档后,您只拥有了使用权限,并不意味着购买了版权,文档只能用于自身使用,不得用于其他商业用途(如 [转卖]进行直接盈利或[编辑后售卖]进行间接盈利)。
2、本站所有内容均由合作方或网友上传,本站不对文档的完整性、权威性及其观点立场正确性做任何保证或承诺!文档内容仅供研究参考,付费前请自行鉴别。
3、如文档内容存在违规,或者侵犯商业秘密、侵犯著作权等,请点击“违规举报”。

碎片内容

雷士照明屋面防水工程施工方案

您可能关注的文档

确认删除?
VIP
微信客服
  • 扫码咨询
会员Q群
  • 会员专属群点击这里加入QQ群
客服邮箱
回到顶部