电脑桌面
添加小米粒文库到电脑桌面
安装后可以在桌面快捷访问

现浇墙体钢筋绑扎施工方案

现浇墙体钢筋绑扎施工方案_第1页
1/8
现浇墙体钢筋绑扎施工方案_第2页
2/8
现浇墙体钢筋绑扎施工方案_第3页
3/8
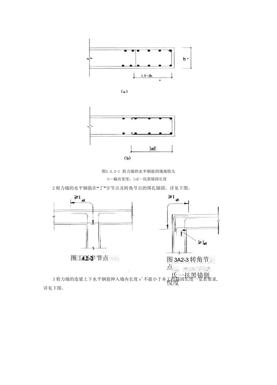
现浇剪力墙结构大模板墙体钢筋绑扎施工方案一、材料要求1 钢筋:应有出厂合格证,按规定作力学性能复试。当加工过程中发生脆断等特殊情况,还需作化学成分检验。钢筋表面清洁应无老锈及油污。2 铁丝:可采用 20〜22 号铁丝(火烧丝)或镀锌铁丝(铅丝)。铁丝的切断长度不应过短或过长,满足使用要求即可。3 垫块及保护层控制:控制混凝土保护层用的砂浆垫块、塑料卡、梯子筋、各种挂钩、定位卡或撑杆等。二、主要机具钢筋钩子、撬棍、扳子、绑扎架、绑钢筋工具式凳子、钢丝刷子、手推车、粉笔、尺子、油漆等。三、作业条件1 按施工现场平面图规定的位置,将钢筋堆放场地进行清理、平整。准备好垫木,按钢筋绑扎顺序分类堆放,按部位、规格、种类标识清楚,并对锈蚀钢筋除锈。2 核对钢筋的级别、型号、形状、尺寸及数量是否与设计图纸及加工配料单相同。3 按设计和规范要求,列出本工程钢筋锚固长度、接头长度、接头百分比、错开长度及保护层厚度一览表及各种墙柱的钢筋定距框一览表。4 外墙内模工程必须砌完外墙。5 应将绑扎钢筋地点清理干净。6 弹好墙身、洞口位置线,并将混凝土接槎处的浮浆全部剔除到露石子,水冲洗干净不留明水。此时,如果楼板未浇,墙顶标高宜比楼板底模上皮标高高出 3〜5mm。四、操作工艺(一)剪力墙钢筋现场绑扎:1 工艺流程(无暗柱):在顶板上弓单墙体外皮线和模板外控制线 fl 正纵向钢筋位置 f 應硬厘向钢筋并检查接买軽 ] T 陋向 和水平梯子筋 | f 両林平钢筋届拉钩和垫块体钢筋验收2 工艺流程(有暗柱):3弹墙体外皮线、模外控帛线,清理受嗔怪甩槎钢筋。根据保护层厚度,按 1:6 校正甩槎立筋,如有较大位移时,按洽商规定认真处理。4 接长竖筋,根据“七不绑”的原则对钢筋工程进行预检,先安装预制的竖向钢筋一个规格,梯子筋中控制墙厚度的横档钢筋的长度比墙厚小 2mm,端头用无齿锯锯平后刷防锈漆,并注意吊垂直,再绑扎暗柱和门口过梁钢筋,一道墙一般设置 2〜3 个竖向梯筋为宜,然后绑墙体水平钢筋。第一根水平筋距地面 50mm。5 墙盘为双向受力钢筋,所有钢筋交叉点逐点绑扎,其锚固长度搭接长度及错开要求要符合本工程的一览表要求。6 双排钢筋之间应绑间距支撑或拉筋,以固定双排钢筋的骨架间距。支撑可用©10〜14 钢筋制作,支撑如顶基板,要按墙厚度减 2mm,用无齿锯锯平并刷防锈漆。拉盘可用©6 或©8 钢筋制作,加工要准,不要顶模露筋,尽量满足 10mm 保...

1、当您付费下载文档后,您只拥有了使用权限,并不意味着购买了版权,文档只能用于自身使用,不得用于其他商业用途(如 [转卖]进行直接盈利或[编辑后售卖]进行间接盈利)。
2、本站所有内容均由合作方或网友上传,本站不对文档的完整性、权威性及其观点立场正确性做任何保证或承诺!文档内容仅供研究参考,付费前请自行鉴别。
3、如文档内容存在违规,或者侵犯商业秘密、侵犯著作权等,请点击“违规举报”。

碎片内容

现浇墙体钢筋绑扎施工方案

您可能关注的文档

确认删除?
VIP
微信客服
  • 扫码咨询
会员Q群
  • 会员专属群点击这里加入QQ群
客服邮箱
回到顶部