电脑桌面
添加小米粒文库到电脑桌面
安装后可以在桌面快捷访问

铁路站场工程检验批表格大全

铁路站场工程检验批表格大全_第1页
1/111
铁路站场工程检验批表格大全_第2页
2/111
铁路站场工程检验批表格大全_第3页
3/111
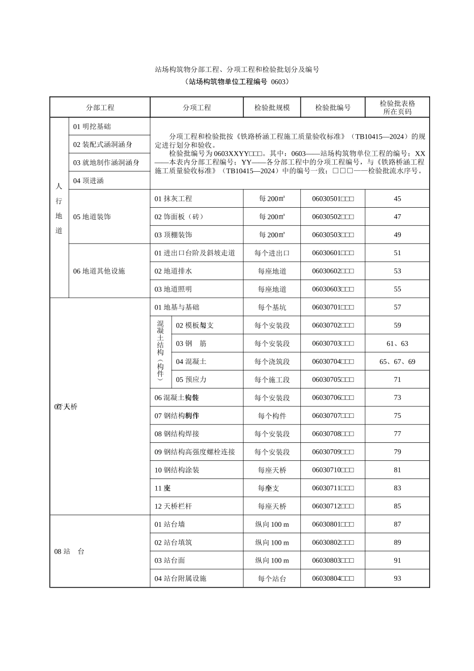
站场工程站场工程施工质量验收划分为单位工程、分部工程、分项工程和检验批。单位工程应按一个完整工程或一个相当规模的施工范围划分,并按下列原则确定:(1)一般情况下一个站场分站场路基、站场道路和站场构筑物三个单位工程。(2)对越行站、会让站和一些规模较小的中间站等小型车站,整个车站可合并为一个单位工程。(3)对编组站或其他大型站场,可按车场或站段将路基工程分为数个单位工程。分部工程应按一个完整部位或主要结构及施工阶段划分;分项工程应按工种、工序、材料、施工工艺等划分;检验批可根据施工及质量控制和验收需要按施工段或部位等划分。站场工程的单位工程、分部工程、分项工程和检验批的划分及编号应符合下列各表的要求。站场路基分部工程、分项工程和检验批划分及编号(站场路基单位工程编号 0601)分部工程分项工程规模检验批编号检验批表格所在页码01 地基处理分项工程和检验批按《铁路路基工程施工质量验收标准》(TB10414—2024)的规定进行划分和验收。其中按长度划分检验批和按长度规定检验数量的,须按股道数折合为单线长度。1 股道对应于单线、2 股道对应于双线、……、依此类推。检验批编号为 0601XXYY□□□。其中:0601——站场路基单位工程编号;XX——本表内分部工程编号;YY——各分部工程中的分项工程编号,与《铁路路基工程施工质量验收标准》(TB10414—2024)中的编号一致;□□□——检验批的流水序号。02 基床以下路堤03 基 床04 路 堑路 基 支 挡 结 构05 重力式挡土墙06 短卸荷板式挡土墙07 悬臂和扶壁式挡土墙08 锚杆挡土墙09 锚定板挡土墙10 加筋土挡土墙11 土钉墙12 抗滑桩13 桩板式挡墙14 预应力锚索15 路基防护 续 表 分部工程分项工程检验批规模检验批编号检验批表格所在页码16 路基排水01 排水盲沟每条沟06011601□□□502 排水管道每 100 m06011602□□□703 排水沟槽每 100 m06011603□□□904 检查井及沉淀井每口井06011604□□□1105 侧沟、排水沟每 100 m06011605□□□1306 天沟、截水沟每条沟06011606□□□1507 跌水与急流槽每个跌水、槽段06011607□□□1708 渗水池每个池06011608□□□1917 路基附属设施按《铁路路基工程施工质量验收标准》(TB10414—2024)划分和检验站场道路分部工程、分项工程和检验批划分及编号(站场道路单位工程编号 0602)分部工程分项工程检验批规模检验批编号检验批表格所在页码01 站场道路路基01 ...

1、当您付费下载文档后,您只拥有了使用权限,并不意味着购买了版权,文档只能用于自身使用,不得用于其他商业用途(如 [转卖]进行直接盈利或[编辑后售卖]进行间接盈利)。
2、本站所有内容均由合作方或网友上传,本站不对文档的完整性、权威性及其观点立场正确性做任何保证或承诺!文档内容仅供研究参考,付费前请自行鉴别。
3、如文档内容存在违规,或者侵犯商业秘密、侵犯著作权等,请点击“违规举报”。

碎片内容

铁路站场工程检验批表格大全

津创媒+ 关注
实名认证
内容提供者

欢迎交流文创,小店资料希望满足您的需要。

确认删除?
VIP
微信客服
  • 扫码咨询
会员Q群
  • 会员专属群点击这里加入QQ群
客服邮箱
回到顶部