电脑桌面
添加小米粒文库到电脑桌面
安装后可以在桌面快捷访问

风机基础施工技术措施

风机基础施工技术措施_第1页
1/21
风机基础施工技术措施_第2页
2/21
风机基础施工技术措施_第3页
3/21
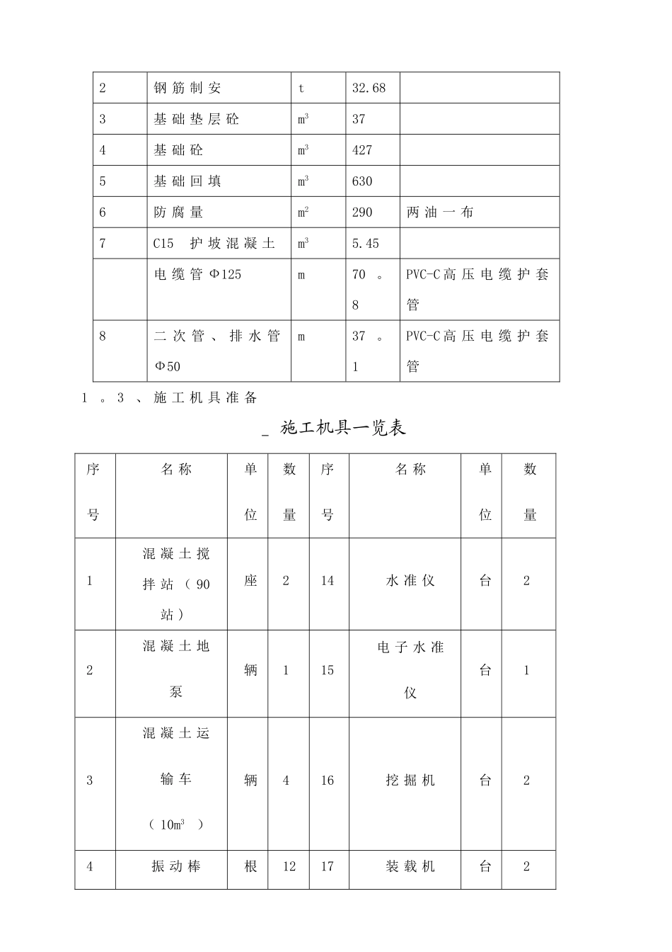
大 唐 托 克 逊 风 电 场 四 期 49 。 5MW 工程风 机 基 础 施 工 技 术 方 案浙江电建大唐托克逊风电项目部二○一三年九月十日批 准 :审 核 :编 制 :2013年9 月10日目 录1 、工程概况........................................................................................22 、编制依据 ........................................................................................ 3 3 、施工部署 ........................................................................................ 4 4 、施工作业前条件要求 .................................................................... 4 5 。 施工工艺流程及方法 ................................................................ 5 6 、检查验收: .................................................................................... 17 7 、安全措施与文明施工: ................................................................ 18 1 、工程概况1。 1、 工 程 简 介新 疆 大 唐 托 克 逊 风 电 场 四 期 49.5MW工 程 位 于 托 克 逊 县 县 城 北 约20km 处 的 戈 壁 荒 滩 ,西 临 314国 道 ,北 临 一 期 工 程 .风 场 东 西 约3km, 南 北 约 4km。 , 33 台 1500KW风 力 发 电 机 组 。 风 机 编 号 为 :CCWE01—CCWE33, 分 为 三 个 回 路 , 第 一 回 路 : CCWE01—CCWE10; 第 二 回 路 :CCWE11—CCWE21; 第 三 回 路 :CCWE22-CCWE33。风 机 基 础 由 三 部 分 组 成 : 底 部 为 高 1m 、 直 径 17.5 m的 圆 柱 体 , 中部 为 圆 台 体 , 底 直 径 17.5 m、 上 直 径 6.4 m , 高 1。 3 m, 上 部 为 高0。 8 m、 直 径 6.2 m 圆 柱 体 。 基 础 环 外 径 4。 26 m , 埋 在 基 础 混 凝 土中 , 露 出 混 凝 土 表 面 高 度 为 0。 4 m。地 基 持 力 层 为 卵 石 层 , 地 基 承 载 力 特 征 值 不 小 于 300KPa; 基 础 混凝 土 采 纳 C40F150 , 垫 层 混 凝 土 采 纳 C20。1。 2、 主 要 工 程 量单 台 风 机 基 础 工 程 量 表 :编 号项 ...

1、当您付费下载文档后,您只拥有了使用权限,并不意味着购买了版权,文档只能用于自身使用,不得用于其他商业用途(如 [转卖]进行直接盈利或[编辑后售卖]进行间接盈利)。
2、本站所有内容均由合作方或网友上传,本站不对文档的完整性、权威性及其观点立场正确性做任何保证或承诺!文档内容仅供研究参考,付费前请自行鉴别。
3、如文档内容存在违规,或者侵犯商业秘密、侵犯著作权等,请点击“违规举报”。

碎片内容

风机基础施工技术措施

确认删除?
VIP
微信客服
  • 扫码咨询
会员Q群
  • 会员专属群点击这里加入QQ群
客服邮箱
回到顶部