电脑桌面
添加小米粒文库到电脑桌面
安装后可以在桌面快捷访问

龙门吊基础专项施工方案2

龙门吊基础专项施工方案2_第1页
1/10
龙门吊基础专项施工方案2_第2页
2/10
龙门吊基础专项施工方案2_第3页
3/10
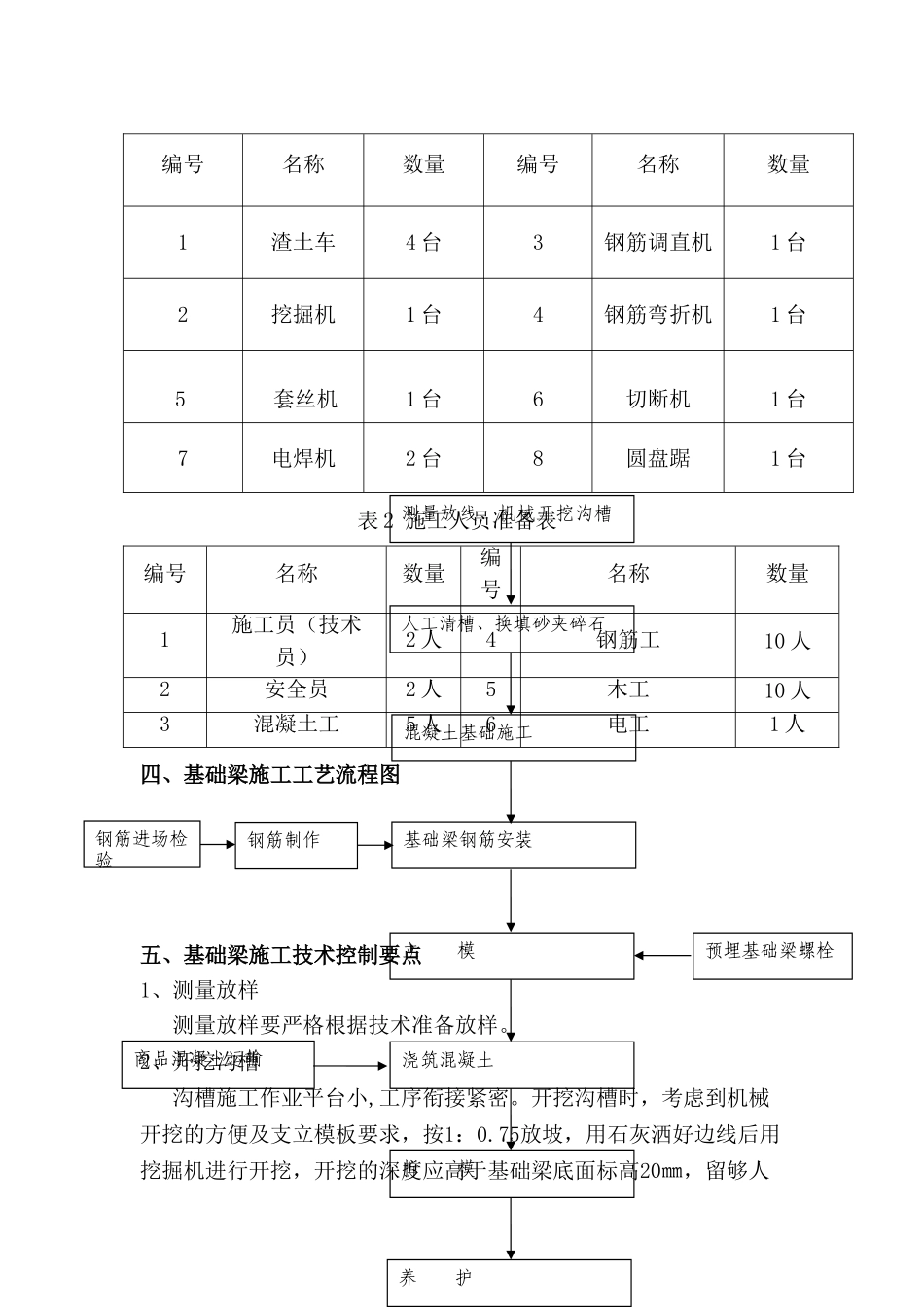
40 吨龙门吊轨道基础梁施工方案一、工程概况1、本工程为依安站货场跨货 7 线 40 吨龙门吊走行轨基础工程位置在依安货场西大门对面。2、工期要求:施工日期 2014 年 9 月 1 日——10 月 15 日。二、编制依据依安货场龙门吊走行轨基础设计图及相应施工验收法律规范。三、施工准备及情况说明1、龙门吊行走轨范围该龙门吊行走轨基础长度为 200m,跨度 30.0m,轴距 8.5m,轮距1.4m。7 号线龙门吊按 40 吨门式起重机设计。2、具体要求龙门吊基础采纳砼条形基础,基础总长度为 200m,以新建硬化地面为基准基础挖深为 3m.分为 8 段,靠近两头车档的为 25 米长,中间 6 段位 25m。每段基础梁在靠缝一端缩短 15mm,使两段梁之间形成30mm 伸缩缝。伸缩缝内填沥青木板。钢筋砼构件采纳 C35 钢筋砼现浇,钢筋采纳 HPB300;HRB400,砼保护层为 45mm.钢筋砼下面为 C30混凝土基础 500mm 厚,两者之间设置连接钢筋。 3、基础梁预埋件在基础梁施工时要预埋 Φ22 的地脚螺栓,此螺栓在安装轨道时与轨道扣板连接固定轨道,纵向间距为 500㎜,横向中心间距为 220㎜。4、物资、设备准备、施工人员准备施工中需用的施工人员、设备见下:表 1 施工设备准备表表 2 施工人员准备表四、基础梁施工工艺流程图五、基础梁施工技术控制要点1、测量放样测量放样要严格根据技术准备放样。2、开挖沟槽 沟槽施工作业平台小,工序衔接紧密。开挖沟槽时,考虑到机械开挖的方便及支立模板要求,按1:0.75放坡,用石灰洒好边线后用挖掘机进行开挖,开挖的深度应高于基础梁底面标高20㎜,留够人编号名称数量编号名称数量1渣土车4 台 3钢筋调直机1 台2挖掘机1 台4钢筋弯折机1 台5套丝机1 台6切断机1 台7电焊机2 台8圆盘踞1 台编号名称数量编号名称数量1施工员(技术员)2 人4钢筋工10 人2安全员2 人5木工10 人3混凝土工5 人6电工1 人钢筋制作钢筋进场检验预埋基础梁螺栓商品混凝土运输养 护基础梁钢筋安装拆 模浇筑混凝土立 模混凝土基础施工人工清槽、换填砂夹碎石测量放线、机械开挖沟槽 工清理面。提前做好排水沟和集水井及时排除积水。3、人工清理基地底 沟槽开挖完成,及时测量基底标高,确定应清理的高度后,安排施工人员清理基底,依次清理到位;以保证设计要求埋置深度,然后对基底位置进行复测,检查基底偏位情况。基底检测合格后方能进行下一道工序施工。4、钢筋加工与安装(1)、钢筋制作前必须除锈,钢筋的表面应该洁净,...

1、当您付费下载文档后,您只拥有了使用权限,并不意味着购买了版权,文档只能用于自身使用,不得用于其他商业用途(如 [转卖]进行直接盈利或[编辑后售卖]进行间接盈利)。
2、本站所有内容均由合作方或网友上传,本站不对文档的完整性、权威性及其观点立场正确性做任何保证或承诺!文档内容仅供研究参考,付费前请自行鉴别。
3、如文档内容存在违规,或者侵犯商业秘密、侵犯著作权等,请点击“违规举报”。

碎片内容

龙门吊基础专项施工方案2

您可能关注的文档

确认删除?
VIP
微信客服
  • 扫码咨询
会员Q群
  • 会员专属群点击这里加入QQ群
客服邮箱
回到顶部