电脑桌面
添加小米粒文库到电脑桌面
安装后可以在桌面快捷访问

消防水池及泵房施工方案1

消防水池及泵房施工方案1_第1页
1/31
消防水池及泵房施工方案1_第2页
2/31
消防水池及泵房施工方案1_第3页
3/31
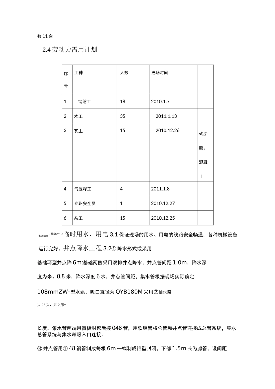
1、工程结构概况兴化市直机关幼儿园水泵房工程,位于兴化市直机关幼儿园对面的原新城小学内,消防水池及泵房层高 3.2m,框剪结构,抗震设防烈度为 7 度。底板垫层为 100mmC15,砼抗渗等级 S6,泵房强度等级±0.00 以下为 C30 混凝土、±0.00以上为 C25 混凝土,钢筋保护层厚度:底板:40mm;梁柱:350mm;剪力墙:40mm,基础须开挖至基础底标高下 300mm,再用 1:1 的沙石回填,并分层夯实压实系数不得小于 0.95,因为地下水位过高采用井点降水。2、施工准备2.1 技术准备(1) 组织施工技术人员在施工前认真学习技术规范、标准、工艺规程,熟悉图纸,了解设计意图,核对建筑和结构及土建与设备安装专业图纸之间的尺寸是否一致。(2) 编制各工序交底,并对施工队进行技术交底。(3) 对施工人员进行安全和技术培训,加强班组的技术素质。2.2 材料需用计划序号材料名称规格单位数量1钢管)^48x3.5x(4-6mT303木枋50x100M3204双面覆模板x1850x91515张6005顶托颗10006扣件颗80007止水螺杆详见提料表根1500止水片满焊9钢筋详见提料表T11010标准红砖240*110*53块5000011325 水泥T12粗砂T备2.3 机械需用计划页 25 页,共 1 第-序机械名称型号1平刨机MB573A2圆盘锯MJ104A3压刨机MB1044电焊机BX1-5005混凝土振捣棒6切断机7砂浆搅拌机数 11 台2.4 劳动力需用计划序号工种人数进场时间1钢筋工182010.1.72木工352011.1.133瓦丄152010.12.26砖胎膜、混凝土4气压焊工42011.1.85专职安全员12010.12.276杂工152010.12.25备回填土、作业条件 3临时用水、用电 3.1 保证现场的用水、用电的线路安全畅通,各种机械设备运行完好。井点降水工程 3.2① 降水形式或采用基础环型井点降 6m;基础两侧采用双排井点降水,井点管间距 1.0m,降水深度为米。0.8 米,降水深度 6 水,井点管间距,集水管根据现场实际确定108mmZW-型水泵,吸口直径为 QYB180M 采用②抽水泵_页 25 页,共 2 第-长度。集水管两端用肓板封死后接 048 管,用软胶管将总管和井点管连接成总管系统,集水总管系统与集水箱吸入口连接。③ 井点管用① 48 钢管制成每根 6m 一端制成锥型封闭,下部 1.5m 长为滤管,设间距30mm—个 012 圆孔,用 18#铁线绑扎后,外用 70 目尼龙网包两层,用 22#铁线绑牢,井点管每 50 根用一套设备。④ 打井管用① 57 钢管制成长 8m,—端制成锥型锯齿形状,用水带与连接。高压水泵⑤采用冲沉法布管,由打井管向地下注入高压...

1、当您付费下载文档后,您只拥有了使用权限,并不意味着购买了版权,文档只能用于自身使用,不得用于其他商业用途(如 [转卖]进行直接盈利或[编辑后售卖]进行间接盈利)。
2、本站所有内容均由合作方或网友上传,本站不对文档的完整性、权威性及其观点立场正确性做任何保证或承诺!文档内容仅供研究参考,付费前请自行鉴别。
3、如文档内容存在违规,或者侵犯商业秘密、侵犯著作权等,请点击“违规举报”。

碎片内容

消防水池及泵房施工方案1

确认删除?
VIP
微信客服
  • 扫码咨询
会员Q群
  • 会员专属群点击这里加入QQ群
客服邮箱
回到顶部