电脑桌面
添加小米粒文库到电脑桌面
安装后可以在桌面快捷访问

电采暖施工组织方案

电采暖施工组织方案_第1页
1/8
电采暖施工组织方案_第2页
2/8
电采暖施工组织方案_第3页
3/8
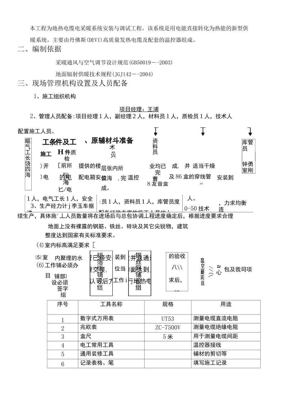
电采暖施工组织方案CompanyDocumentnumber:WUUT-WUUY-WBBGB-BWYTT-1982GT银泰中心发热电缆地板采暖工程施工组织方案编制人:李珍技术负责人:浦堃审批人:陈彦民北京豪怡嘉德环保建材有限公司 2007 年 1 月 20 日目录一、工程概况二、编制依据三、现场管理机构设置及人员配备四、施工条件及工具、原辅材料准备五、质量保证措施六、施工进度七、施工工艺流程八、施工注意事项九、与总承包单位及其他分包单位的施工配合十、消防、安全环保、文明施工措施十一、系统调试验收一、工程概况1、工程简介:银泰中心卫生间地热工程。工程建设地点:北京市朝阳区建国门外大街 2 号。2、开发单位:北京银泰置业有限公司3、工程内容:卫生间地面采暖本工程为地热电缆电采暖系统安装与调试工程。该系统是用电能直接转化为热能的新型供暖系统。主要由丹佛斯(DEVI)高质量发热电缆及配套的温控器组成。二、编制依据采暖通风与空气调节设计规范(GB50019―-2003)地面辐射供暖技术规程(JGJ142―-2004)三、现场管理机构设置及人员配备1、施工组织机构项目经理:王浦2、管理人员配备:项目经理 1 人,副经理 2 人,材料员 1 人,质检员 1 人,技术人1 人,电气工长 1 人,安全3、生产经力计 j 李玉车据进.:员 1 人,资料员 1 人,库管员度配备经验丰富的施工人员约 1人。0-50 技术经理,力求均衡连续生产,具体施'丄人员数量将在进场后与总包协调丄程进度确定后,根据进度要求合理地面上没有裸露的钢筋、铁丝、砖块及其它尖锐物,建筑序号工具名称规格用途1数字式万用表UT53测量电缆直流电阻2兆欧表ZC-7500V测量电缆绝缘电阻3盒尺5 米用于测量电缆间距4电工常用工具温控器接线5通用装修工具辅材的剪切等6记录表格、笔填写施工记录配置施工人员。工条嘔气工长饶四海施工)开)电件及工H 件质检[前所、原辅材斗准备提供的楼配电箱安术IZZI贝层张内所装海位,完成。温控资料员业均已完曹8 友音盒成, 并适适当干燥及 86 盒的穿线管/v\\安装到库管员钟勇室刚整度达到国家有关标准要求。(4)室内标高满足要求[⑸ 室(6)工作铺必须办目的验收八\\求后,组a心//(\温控窶装组包及我司项匕/电气内聚埋的水铺部)设必须签字组2、工具准备装到位当工作 i■能3、主要原辅材料的技术性能、规格、型号、保存措施地面辐射供暖系统所使用的主要材料、设备组件、配件、绝热材料必须具有质量合格证明文件,规格、型号及性能技术指标符合国家现行有关技术标准...

1、当您付费下载文档后,您只拥有了使用权限,并不意味着购买了版权,文档只能用于自身使用,不得用于其他商业用途(如 [转卖]进行直接盈利或[编辑后售卖]进行间接盈利)。
2、本站所有内容均由合作方或网友上传,本站不对文档的完整性、权威性及其观点立场正确性做任何保证或承诺!文档内容仅供研究参考,付费前请自行鉴别。
3、如文档内容存在违规,或者侵犯商业秘密、侵犯著作权等,请点击“违规举报”。

碎片内容

电采暖施工组织方案

您可能关注的文档

确认删除?
VIP
微信客服
  • 扫码咨询
会员Q群
  • 会员专属群点击这里加入QQ群
客服邮箱
回到顶部