电脑桌面
添加小米粒文库到电脑桌面
安装后可以在桌面快捷访问

斜拉链安装方案

斜拉链安装方案_第1页
1/11
斜拉链安装方案_第2页
2/11
斜拉链安装方案_第3页
3/11
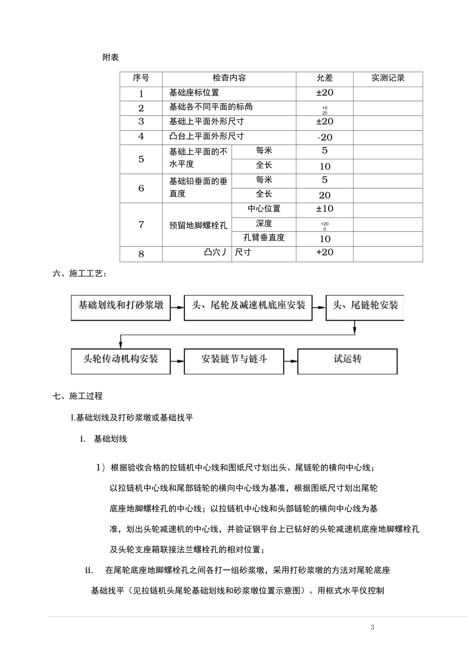
1熟料拉链机安装方案 一、概述熟料拉链机(斜拉链)是把篦冷机冷却后水泥熟料输送至熟料库的设备,其由头部链轮、尾部链轮、链节、链斗和传动机构等几大部分组成。二、编制依据及质量执行标准重庆拉法基水泥有限公司熟料拉链机安装图纸、工艺图纸及相关说明水泥机械设备安装工程施工及验收规范 JCJ03-90水泥机械设备安装技术规程建规 7-62设备安装工程施工验收规范 TJ231-78三、人员组织及施工机具1.重庆拉法基二线熟料拉链机安装主要机具:重庆拉法基二线熟料拉链机安装主要机具表序号机具名称规格型号单位数量附注1履带吊150T台12汽车吊70T台13汽车吊16T台14卷扬机5T台15千斤顶16T台26倒链10T台27倒链5T台28经纬仪台19水准仪台110百分表台311塞尺200#台112双轮滑轮10T台113单轮滑轮10T台114台注:其它常用机具按常规配备22.人员组织:其他:1人四、熟料拉链机安装进度表详见附表(Project):熟料拉链机安装进度表。五、施工前准备工作:1.把所需机具运至现场,并合同业主对现场进行勘察,对妨碍施工的杂物或土建遗留物进行清理,办理交接手续;2.会同业主对已安装好的熟料拉链机钢架轨道的直线度和对拉链机的中心线使用经纬仪进行验收,并作纪录;3.基础验收:会同土建、厂方共同对基础验收,并做好检查记录。验收内容如下:a) 根据工艺布置图、安装图、基础图检查基础位置,与土建座标轴线是否符合。b) 检查各基础标高与土建给定标高的相对位置,并做好记录(见附表),且在基础侧面预埋沉降标记板上做出标高位置,作为安装与检查基础下沉情况的依据。3附表序号检杳内容允差实测记录1基础座标位置±202基础各不同平面的标咼+0203基础上平面外形尺寸±204凸台上平面外形尺寸-205基础上平面的不水平度每米5全长106基础铅垂面的垂直度每米5全长207预留地脚螺栓孔中心位置±10深度+200孔臂垂直度108凸穴丿 尺寸+20六、施工工艺:七、施工过程I.基础划线及打砂浆墩或基础找平i.基础划线1)根据验收合格的拉链机中心线和图纸尺寸划出头、尾链轮的横向中心线;以拉链机中心线和尾部链轮的横向中心线为基准,根据图纸尺寸划出尾轮底座地脚螺栓孔的中心线;以拉链机中心线和头部链轮的横向中心线为基准,划出头轮减速机的中心线,并验证钢平台上已钻好的头轮减速机底座地脚螺栓孔及头轮支座箱联接法兰螺栓孔的相对位置;ii.在尾轮底座地脚螺栓孔之间各打一组砂浆墩,采用打砂浆墩的方法对尾轮底座基础找平(见拉链机头尾轮基础划线和砂浆墩位置示意图)。用...

1、当您付费下载文档后,您只拥有了使用权限,并不意味着购买了版权,文档只能用于自身使用,不得用于其他商业用途(如 [转卖]进行直接盈利或[编辑后售卖]进行间接盈利)。
2、本站所有内容均由合作方或网友上传,本站不对文档的完整性、权威性及其观点立场正确性做任何保证或承诺!文档内容仅供研究参考,付费前请自行鉴别。
3、如文档内容存在违规,或者侵犯商业秘密、侵犯著作权等,请点击“违规举报”。

碎片内容

斜拉链安装方案

您可能关注的文档

确认删除?
VIP
微信客服
  • 扫码咨询
会员Q群
  • 会员专属群点击这里加入QQ群
客服邮箱
回到顶部