电脑桌面
添加小米粒文库到电脑桌面
安装后可以在桌面快捷访问

钢管等检验报告

钢管等检验报告_第1页
1/6
钢管等检验报告_第2页
2/6
钢管等检验报告_第3页
3/6
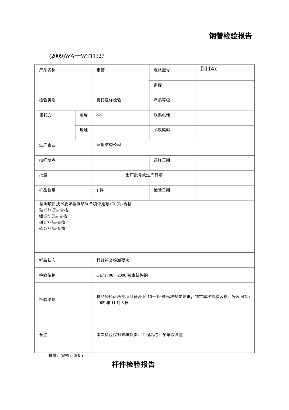
钢管等检验报告Documentnumber:PBGCG-0857-BTDO-0089-PTT1998钢管检验报告(2009)WA—WT11327产品名称钢管规格型号D114X商标检验类别委托送样检验产品等级委托方名称XXX联系电话地址邮政编码生产企业XX钢结构公司抽样地点送样日期批量出厂批号或生产日期样品数量1 件检验日期检测项目技术要求检测结果单项评定碳(C)(%)w合格硅(Si)(%)W合格锰(Mn)(%)W合格磷(P)(%)w合格硫(S)(%)w合格样品状态样品符合检测要求检验依据GB/T700—2006 碳素结构钢检验结论样品经检验所检项目符合 JG10—1999 标准规定要求,判定本次检验合格。签发日期:2009 年 11 月 5 日备注本次检验仅对来样负责。工程名称:某学院食堂批准:审核:编制:杆件检验报告(2009)WA—WT12302 共 2 页第 1 页产品名称钢管规格型号D60XQ235BM20/商标检验类别委托送样检验产品等级委托方名称XXX联系电话地址邮政编码生产企业XX钢结构公司抽样地点送样日期批量出厂批号或生产日期样品数量1 组检验日期样品状态样品符合检测要求检验依据JG10—1999 钢网架螺栓球节点检验结论样品经检验所检项目符合 JG10 一 1999 标准规定要求,判定本次检验合格。签发日期:2009 年 11 月 13 日备注本次检验仅对来样负责。工程名称:某学院食堂批准:审核:编制:检测结果(2009)WA—WT12302 共 2 页第 2 页序号规格型号拉力载荷(kN)抗拉强度(kN)破坏特征单项评价球钢管螺栓标准要求实测值标准要求实测值钢管断合格1一D60XM20一一375—500420钢管断合格2一D60XM20一一375—500489钢管断合格3一D60XM20一一375—500433钢管断合格高强度螺栓检验报告(2009)WA—WT22570 共 2 页第 1 页产品名称高强度螺栓规格型号M20X73商标检验类别委托送样检验产品等级委托方名称XX建筑公司联系电话地址邮政编码生产企业XX钢结构公司抽样地点送样日期批量出厂批号或生产日期样品数量3 件检验日期样品状态样品符合检测要求检验依据GB/T16939—1997 钢网架螺栓球节点用高强度螺栓检验结论样品经检验所检项目符合标准 GB/T16939 一 1997 规定要求,判定本次检验合格。签发日期:2009 年 11 月 5 日备注本次检验仅对来样负责。工程名称:某学院食堂批准:审核:编制:检测结果(2009)WA—WT22570 共 2 页第 2 页序号检验项目拉力载荷(kN)抗拉强度单项评价标准要求实测值标准要求实测值合格1最大拉力255—304267合格2最大拉力255—304302合格3最大拉力255—304269合格螺栓球节...

1、当您付费下载文档后,您只拥有了使用权限,并不意味着购买了版权,文档只能用于自身使用,不得用于其他商业用途(如 [转卖]进行直接盈利或[编辑后售卖]进行间接盈利)。
2、本站所有内容均由合作方或网友上传,本站不对文档的完整性、权威性及其观点立场正确性做任何保证或承诺!文档内容仅供研究参考,付费前请自行鉴别。
3、如文档内容存在违规,或者侵犯商业秘密、侵犯著作权等,请点击“违规举报”。

碎片内容

钢管等检验报告

您可能关注的文档

确认删除?
VIP
微信客服
  • 扫码咨询
会员Q群
  • 会员专属群点击这里加入QQ群
客服邮箱
回到顶部