电脑桌面
添加小米粒文库到电脑桌面
安装后可以在桌面快捷访问

30米箱梁吊装专项施工方案VIP免费

30米箱梁吊装专项施工方案_第1页
1/23
30米箱梁吊装专项施工方案_第2页
2/23
30米箱梁吊装专项施工方案_第3页
3/23
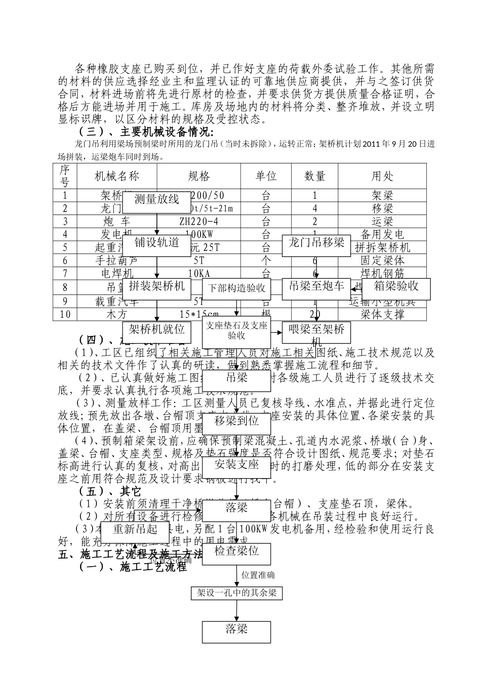
30米箱梁吊装专项施工方案一、工程概况我工区有六座预应力砼预制箱梁大桥,分别为:ZK9+995(6×30m)小云关大桥、K9+980(7×30m)小云关大桥、ZK10+410(4×30m)百花箐大桥、K10+395(5×30m)百花箐大桥、ZK11+005(7×30m)百花山大桥、K10+990(10×30m)百花山大桥。本方案以本工区K9+980小云关大桥为例。K9+980小云关大桥右幅起止桩号为:K9+871.96~K10+088.04。孔跨布设为:右幅桥梁为7×30米,分为2联。汽车荷载为公路-Ι级,地震基本烈度为7度,设计基本地震动加速度峰值为0.15g。标准桥面宽度为15.5m净桥面+2×0.5m护墙(单幅)。设计车速为100Km/h。下部采用柱式墩,上部采用30m预应力预制箱梁,本桥共有30m预制箱梁35片二、编制原则及依据:(一).编制原则:本着确保优质、高效、安全、文明完成该单项工程施工任务,结合本单项工程的工区管理机构设置、机械设备配备、劳动力组织、材料组织、工程施工方法、工程质量控制措施、工程进度控制措施、安全生产文明施工及环境保护控制措施等诸多因素的实际情况。(二).编制依据:本方案除根据《K8+655桥施工图》及施工现场实际情况外,依据下列文件、规范、规程进行编制:《公路工程技术标准》JTGB01-2003《地基基础设计规范》DGJ08-11-1999《钢筋焊接及验收规程》JBJ18-2012《公路桥涵施工技术规范》(JTG/TF50-2011)《建筑机械使用安全技术规程》JGJ33-2012《施工现场安全生产体系》DGJ08-903-2003《施工现场临时用电安全技术规程》JGJ46-88《建筑施工高处作业安全技术规范》JGJ80-2011《公路工程质量检验评定标准》JTGF80/1-2004《建设工程安全生产管理条例》第70号《中华人民共和国环境保护法》第253号三、总体施工计划:根据施工实际情况,在箱梁预制场地存梁区内,将梁按编号根据施工情况借助梁场龙门吊将梁按照架设顺序理顺,方便施工。理顺后,在梁场存梁区内,利用龙门吊将梁装载于运梁炮车上,并用手拉葫芦及钢丝绳将梁体与运梁车牢牢固定,保证稳固牢靠。然后运至梁片安装桥位处,采用架桥机进行安装。施工安排如下:在0#桥台施工完毕后,即将引道K9+995小云关大桥左幅,按照道路施工标准进行施工,为梁体运输做好准备(于2016年5月10日前完成);箱梁的安装,计划将于2016年9月25日开始至2016年11月底完成该桥的箱梁吊装(箱梁预制计划12月底全部完成)。预制箱梁的安装将按照从小桩号到大桩号,先左幅后右幅将依次逐跨安装。(详见附件进度计划横道图)四、施工准备:(一)、组织架构及班组分工班组分工,各工种人员间统一指挥,分工明确,并密切配合:吊装作业组:10人,负责梁体前后端墩顶横移,取吊具,安装支座,落梁就位等工作;喂梁作业组:6人,负责将梁体从存梁区运至架桥机后主梁内,装好吊具;钢筋作业组:10人,负责梁体横隔板焊接,浇筑横隔板混凝土;杂工作业组:6人,负责配合各班组工作。特种作业人员一览表:姓名性别作业种类证书编号白有付男起重机械TS6FCXZ10460何开文男起重机械TS6FCXZ10458杨增旭男起重机械TS6FCXZ10335何志权男起重机械TS6FCXZ10338朱有祥男起重机械TS6FCXZ10334(二)、材料准备情况:各种橡胶支座已购买到位,并已作好支座的荷载外委试验工作。其他所需的材料的供应选择经业主和监理认证的可靠地供应商提供,并与之签订供货合同,材料进场前将先进行原材的检查,并要求供货方提供质量合格证明,合格后方能进场并用于施工。库房及场地内的材料将分类、整齐堆放,并设立明显标识牌,以区分材料的规格及受控状态。(三)、主要机械设备情况:龙门吊利用梁场预制梁时所用的龙门吊(当时未拆除),运转正常;架桥机计划2011年9月20日进场拼装,运梁炮车同时到场。序号机械名称规格单位数量用处1架桥机JQG200/50台1架梁2龙门吊DCS100t/5t-21m台4移梁3炮车ZH220-4台2运梁4发电机100KW台1备用发电5起重汽车浦沅25T台1拼拆架桥机6手拉葫芦5T个6固定梁体7电焊机10KA台6焊机钢筋8吊篮个4焊接横隔板9载重汽车5T台1运输小型机具10木方15*15cm根20梁体支撑(四)、施工技术准备(1)、工区已组织了相关施工管理人员对施工相关图纸、施工技术规范以及相关的技术文件作了认真的研读,做...

1、当您付费下载文档后,您只拥有了使用权限,并不意味着购买了版权,文档只能用于自身使用,不得用于其他商业用途(如 [转卖]进行直接盈利或[编辑后售卖]进行间接盈利)。
2、本站所有内容均由合作方或网友上传,本站不对文档的完整性、权威性及其观点立场正确性做任何保证或承诺!文档内容仅供研究参考,付费前请自行鉴别。
3、如文档内容存在违规,或者侵犯商业秘密、侵犯著作权等,请点击“违规举报”。

碎片内容

30米箱梁吊装专项施工方案

文章天下+ 关注
实名认证
内容提供者

各种文档应有尽有

确认删除?
VIP
微信客服
  • 扫码咨询
会员Q群
  • 会员专属群点击这里加入QQ群
客服邮箱
回到顶部