电脑桌面
添加小米粒文库到电脑桌面
安装后可以在桌面快捷访问

水泵房安装施工组织设计

水泵房安装施工组织设计_第1页
1/21
水泵房安装施工组织设计_第2页
2/21
水泵房安装施工组织设计_第3页
3/21
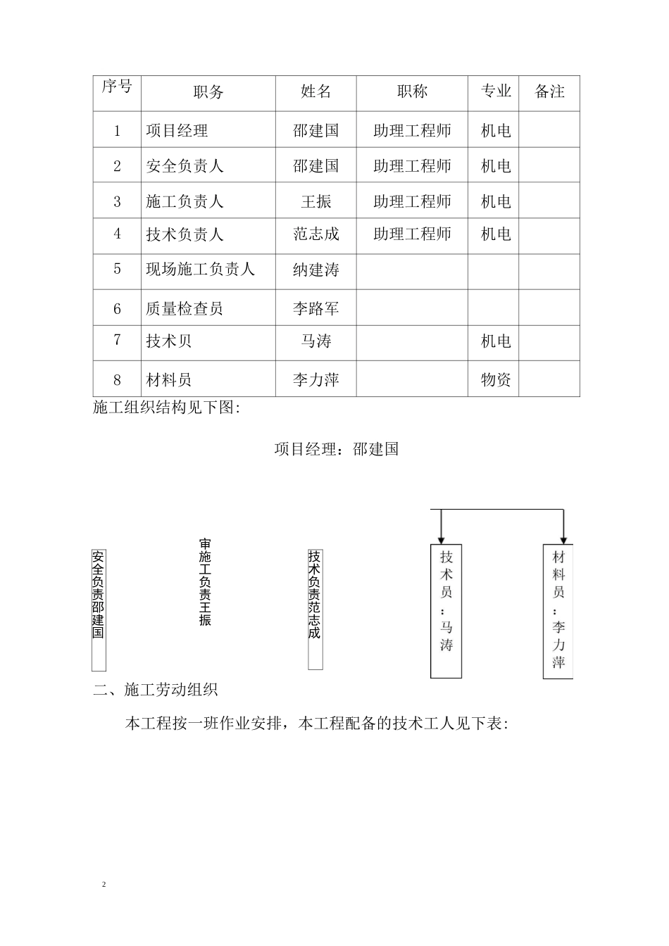
1第一章工程概述本工程为神华宁夏煤业集团有限责任公司梅花井煤矿 11 采区排水泵房机械设备安装工程。水泵房布置 3 台 MD450-60X5 型多级耐磨离心式水泵(流量450ma/h,扬程 300m,转速 1480r/min),两趟 D325X8 排水管路。每台水泵配 1 台 YB560M2-4 型隔爆电动机(功率 560kw,电压 10kv),采用喷射泵抽气引水无底阀排水系统(每台水泵重 7577kg)。矿井正常涌水量时,一台 MD450-60X5 型水泵工作,一台备用,一台检修;矿井最大涌水量时,两台 MD450-60X5 型水泵同时工作,另外一台水泵检修。管路固定采用 U 螺栓固定,其中 D108 管子用① 16U 型螺栓固定在 16#槽钢上;D325 管子用① 20U 型螺栓固定在 18#槽钢上。水泵、电动机按图纸安装至预留基础上,找平找正后,进行二次灌浆,混凝土强度为 C20。整个工程计划于 2009 年 2 月 1 日开工,2009 年 02 月 20 日竣工,施工工期为 20 天。第二章施工部署一、施工组织领导为确保此项工程按期保质保量的完成施工任务,配备一批有丰富施工经验的技术工人和管理人员进行本次施工本工程,本工程实行项目经理负责制。主要管理人员名单见下表:2序号职务姓名职称专业备注1项目经理邵建国助理工程师机电2安全负责人邵建国助理工程师机电3施工负责人王振助理工程师机电4技术负责人范志成助理工程师机电5现场施工负责人纳建涛6质量检查员李路军7技术贝马涛机电8材料员李力萍物资施工组织结构见下图:项目经理:邵建国二、施工劳动组织本工程按一班作业安排,本工程配备的技术工人见下表:技术负责范志成审施工负责王振安全负责邵建国3序号工种准备阶段安装阶段试运转阶段1钳工4442电焊工2423普工444合计101210第三章施工准备一、技术准备积极参加设计单位的技术交底会议,做好图纸会审工作。并由项目经理负责组织参加施工施工的技术人员、工人熟悉图纸、审查图纸、组织编制好施工阶段的施工方案,学习有关施工验收规范,并在开工前由技术负责人向班组进行技术安全质量交底。二、工器具及车辆准备主要施工设备见下表。主要施工机械设备表序号机械或设备名称规格型号数量备注1交流电焊机BX1-4002 台2手拉葫芦10T2 台3手拉葫芦3T3 台4手拉葫芦5T2 台三、施工工具准备:套筒扳手 4 套,水平尺、盒尺、直角尺、大锤、手锤、划规、钢卷尺、钢板尺、个人工器具自备等。4所有工器具经现场施工负责人检查确认完好后,方可使用。四、施工材料准备工程用材料在开工前由...

1、当您付费下载文档后,您只拥有了使用权限,并不意味着购买了版权,文档只能用于自身使用,不得用于其他商业用途(如 [转卖]进行直接盈利或[编辑后售卖]进行间接盈利)。
2、本站所有内容均由合作方或网友上传,本站不对文档的完整性、权威性及其观点立场正确性做任何保证或承诺!文档内容仅供研究参考,付费前请自行鉴别。
3、如文档内容存在违规,或者侵犯商业秘密、侵犯著作权等,请点击“违规举报”。

碎片内容

水泵房安装施工组织设计

确认删除?
VIP
微信客服
  • 扫码咨询
会员Q群
  • 会员专属群点击这里加入QQ群
客服邮箱
回到顶部