电脑桌面
添加小米粒文库到电脑桌面
安装后可以在桌面快捷访问

混凝土结构基本原理考试试题VIP专享

混凝土结构基本原理考试试题_第1页
1/7
混凝土结构基本原理考试试题_第2页
2/7
混凝土结构基本原理考试试题_第3页
3/7
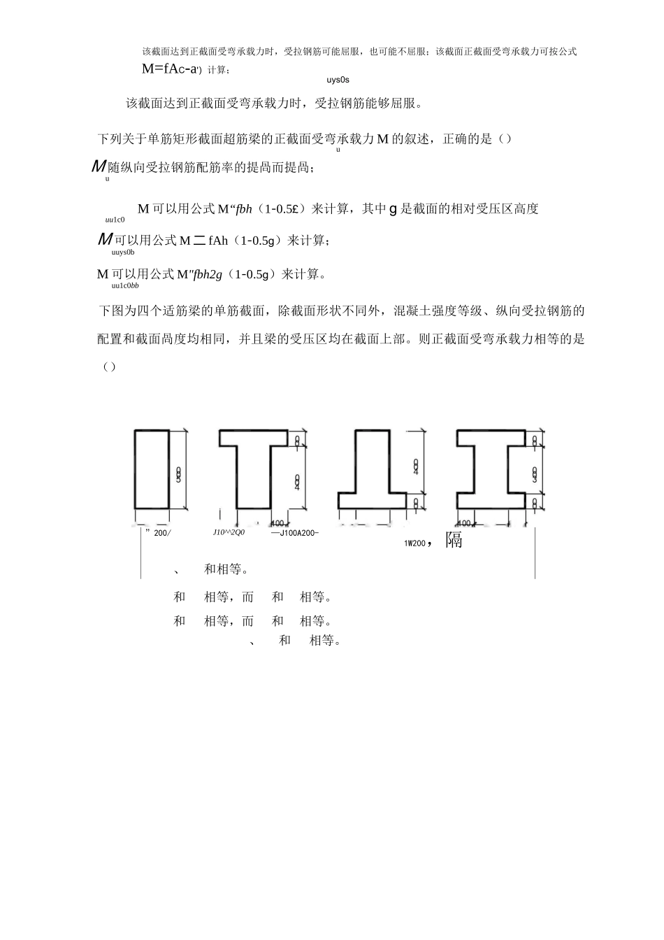
混凝土结构基本原理考试》填空题混凝土在长期不变压力作用下将产生徐变变形;混凝土在空气中养护时,随水分的蒸发将产生收缩变形。若混凝土的强度等级为,则表示该混凝土的抗压强度标准值为 30N/mm2;对于热轧级钢筋,其抗拉强度标准值为 400N/mm2,该数值的取值依据是应力一应变曲线上对应的抗弯强度。计算双筋矩形截面正截面受弯承载力时,要求 x>2a'的原因是 s为了保证受压钢筋在梁截面发生正截面受弯破坏时或者破坏前达到屈服表示梁长度方向每一正截面所能承担弯矩的图形称为梁的弯矩包络图图。在钢筋混凝土梁的斜截面受剪承载力计算中,控制箍筋的最小配箍率和最大间距是为了防止破坏;控制梁截面的最小尺寸是为了防止斜截面受压破坏。利用梁中的纵向受拉钢筋弯起抗剪时,弯起钢筋的弯起点与按计算充分利用该钢筋的截面之间的距离不应小于一,以保证梁的要求。承受竖向荷载的现浇肋梁楼盖中的连续梁,计算其正截面受弯承载力时,跨中应按形截面计算,支座应按截面计算。若混凝土的强度等级为,则表明混凝土的抗压强度标准值为30N/mm2。结构在规定的时间内,在规定的条件下,完成预定功能的概率称为结构的。反映轴心受压长柱承载力降低程度的系数申称为稳定系数。对双筋矩形截面梁进行正截面受弯承载力计算时,要求满足 x>2a'这一条件的原 s因是为了保证受压钢筋在梁截面发生正截面受弯破坏时或破坏前达到屈服。在钢筋混凝土梁的斜截面受剪承载力计算中,控制梁截面的最小尺寸是为了防止破坏。按实际配置的纵向受力钢筋确定的梁上各正截面所能承受的弯矩图称为梁的弯矩包络图。对称配筋的大偏心受压构件,其正截面受弯承载力随着轴向力的增大而—减小_。减不提咼混凝土强度等增设增加钢筋锚固长增大混凝土保护层厚若对受弯构件在正常使用状态下的挠度进行验算,在同号弯矩区段计算刚度时,应该遵循原则。可变荷载有四种代表值,它们是标准值、组合值、频遇值、准永久值选择题列混凝土强度值从大到小排列顺序正确的是(混凝土的变形模量与弹性模量之间的关系是二 V,其中 V 是弹性系数。弹性系数 V 随混凝土压应力的增大而()增大先增大后减小列叙述正确的是(结构使用年限超过设计使用年限后,结构则一定不能满足其功能要求;柱子在轴向压力作用下失稳破坏,因为变形很大,故属超过了正常使用极限状态;建筑结构安全等级为一级时,结构构件的重要性系数 Y0nI」梁出现裂缝则表明其达到了正常使用极限状态。列措施中,对提高钢筋和混...

1、当您付费下载文档后,您只拥有了使用权限,并不意味着购买了版权,文档只能用于自身使用,不得用于其他商业用途(如 [转卖]进行直接盈利或[编辑后售卖]进行间接盈利)。
2、本站所有内容均由合作方或网友上传,本站不对文档的完整性、权威性及其观点立场正确性做任何保证或承诺!文档内容仅供研究参考,付费前请自行鉴别。
3、如文档内容存在违规,或者侵犯商业秘密、侵犯著作权等,请点击“违规举报”。

碎片内容

混凝土结构基本原理考试试题

确认删除?
VIP
微信客服
  • 扫码咨询
会员Q群
  • 会员专属群点击这里加入QQ群
客服邮箱
回到顶部