电脑桌面
添加小米粒文库到电脑桌面
安装后可以在桌面快捷访问

计算机IP网络测试试题VIP免费

计算机IP网络测试试题_第1页
1/30
计算机IP网络测试试题_第2页
2/30
计算机IP网络测试试题_第3页
3/30
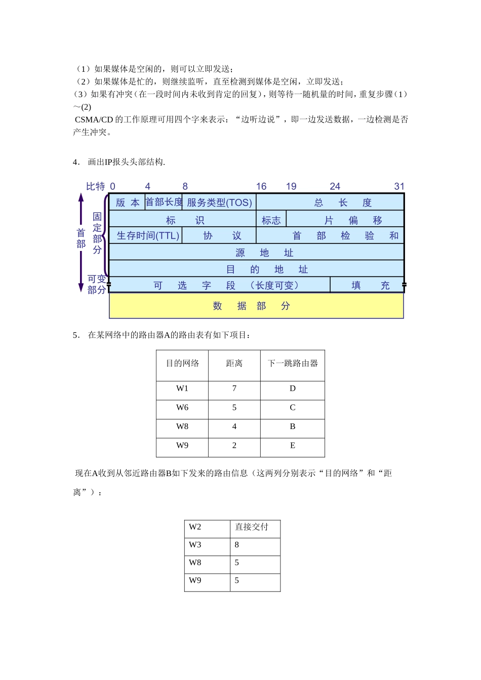
二填空题1.IP地址为192.192.45.60,子网掩码为255.255.255.240,其子网号占__4__bit,网络地址是__192.192.45.48__。2.IPV4地址由32个二进制位构成,IPV6的地址空间由128位构成。__B__类地址用前16位作为网络地址,后16位作为主机地址。3.调制解调器的调制是把___数字___信号转换为模拟信号,解调则是相反的过程。4.计算机网络系统由资源子网和通信子网子网组成。5.物理层标准规定了物理接口的机械特性、电气特性、规程__特性以及功能特性。三简答题(每题6分,共30分)1.ISO/OSI7层模型和TCP/IP四层协议都是什么?2.试说明IP地址与物理地址的区别。为什么要使用这两种不同的地址。答:IP地址是连入因特网的主机标识,只是一种逻辑编号。物理地址是路由器和计算机网卡的MAC地址,MAC地址唯一地确定连入因特网的主机。ARP协议RARP协议将IP地址与物理地址相互转换。使用这两种不同的地址给连网主机的IP地址的设定带来灵活性。3.简述CSMA/CD的工作原理答:CSMA/CD载波监听多点接入/冲突检测,属于计算机网络以太网的工作类型,即在总线上不段的发出信号去探测线路是否空闲,如果不空闲则随机等待一定时间,在继续探测。直到发出型号为止。CSMA/CD工作原理:(1)如果媒体是空闲的,则可以立即发送;(2)如果媒体是忙的,则继续监听,直至检测到媒体是空闲,立即发送;(3)如果有冲突(在一段时间内未收到肯定的回复),则等待一随机量的时间,重复步骤(1)~(2)CSMA/CD的工作原理可用四个字来表示:“边听边说”,即一边发送数据,一边检测是否产生冲突。4.画出IP报头头部结构.5.在某网络中的路由器A的路由表有如下项目:现在A收到从邻近路由器B如下发来的路由信息(这两列分别表示“目的网络”和“距离”):W2直接交付W38W85W95固定部分可变部分04816192431版本标志生存时间(TTL)协议标识服务类型(TOS)总长度片偏移填充首部检验和源地址目的地址可选字段(长度可变)比特首部长度数据部分首部目的网络距离下一跳路由器W17DW65CW84BW92E试求出路由器A更新后的路由表.四分析题(每题10分,共30分)1.若要将一个B类网络190.12.0.0划分子网,要求能够容纳以下类型的子网(全0和全1的子网号可用):①3个子网,每一个有15000个地址。②7个子网,每一个有2040个地址。③8个子网,每一个有254个地址。试设计这些子网,给出每个子网的网络地址、子网掩码、子网的地址范围。答:③8个子网略。注:答案不止一种。2.假设链路的MTU=2048字节,若网络层的一个IP数据报总长度为10000个字节(使用固定首部),标识字段值为12345,对其进行适当的分片,并说明每个分片的标识、标志以及片偏移字段的值。答:总长度数据长度标识MFDF片偏移原始数据报10000998012345000目的网络距离下一跳路由器W21BW17DW65CW86BW39BW92E网络地址子网掩码地址范围190.12.192.0/18255.255.192.0190.12.192.1~190.12.255.254190.12.64.0/18255.255.192.0190.12.64.1~140.2.127.254190.12.128.0/18255.255.192.0190.12.128.1~190.12.191.254190.12.8.0/21255.255.248.0190.12.8.1~190.12.15.254190.12.16.0/21255.255.248.0190.12.16.1~190.12.23.254190.12.32.0/21255.255.248.0190.12.32.1~190.12.39.254190.12.24.0/21255.255.248.0190.12.24.1~190.12.31.254190.12.40.0/21255.255.248.0190.12.40.1~190.12.47.254190.12.48.0/21255.255.248.0190.12.48.1~190.12.55.254190.12.56.0/21255.255.248.0190.12.56.1~190.12.63.254分片12020200012345100分片2202020001234510250分片3202020001234510500分片4202020001234510750分片520001980123450010003.Data公司是一个大型企业,它的业务都需要网络系统来支撑运行,目前,Data公司的网络系统由四大部分组成,即OA网、生产网、财务办公网、对外服务网组成。Data公司网络环境结构如下图所示。请根据上述信息,回答下面问题。(1).Data公司的网络设备有哪些类型?公司网络与互联网相连的设备是什么?(2).OA网中某台主机无法访问外网,请列出可能的原因。答:(1)交换机、路由器(2)网络协议没装好、路由器故障或外网连接断开、核心交换机C故障、DNS设置错误、交换...

1、当您付费下载文档后,您只拥有了使用权限,并不意味着购买了版权,文档只能用于自身使用,不得用于其他商业用途(如 [转卖]进行直接盈利或[编辑后售卖]进行间接盈利)。
2、本站所有内容均由合作方或网友上传,本站不对文档的完整性、权威性及其观点立场正确性做任何保证或承诺!文档内容仅供研究参考,付费前请自行鉴别。
3、如文档内容存在违规,或者侵犯商业秘密、侵犯著作权等,请点击“违规举报”。

碎片内容

计算机IP网络测试试题

确认删除?
VIP
微信客服
  • 扫码咨询
会员Q群
  • 会员专属群点击这里加入QQ群
客服邮箱
回到顶部