电脑桌面
添加小米粒文库到电脑桌面
安装后可以在桌面快捷访问

母线制作、安装细则VIP免费

母线制作、安装细则_第1页
1/16
母线制作、安装细则_第2页
2/16
母线制作、安装细则_第3页
3/16
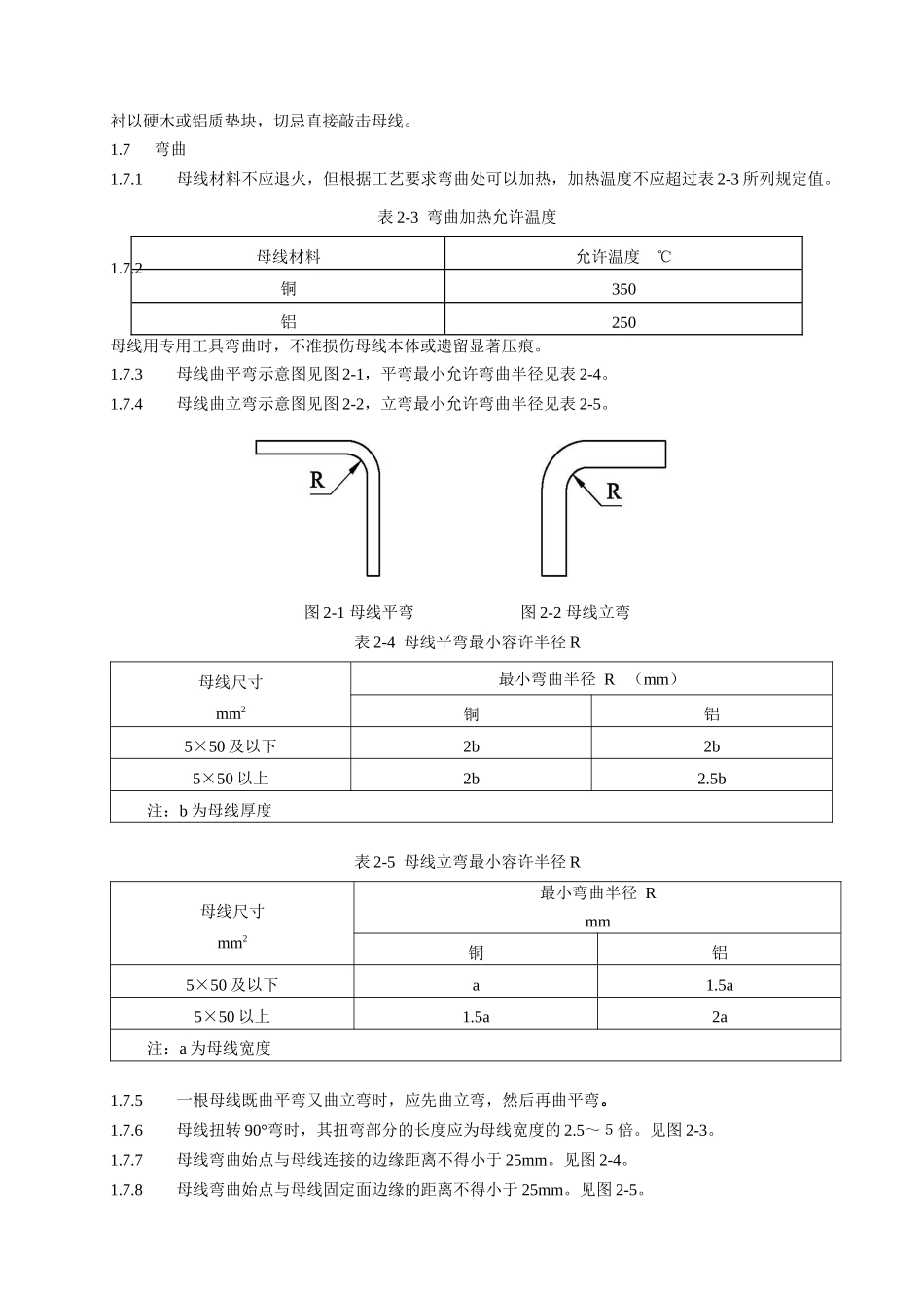
1母线制作、安装细则1.1母线的分类1.1.1主母线:即汇流排1.1.2分支母线:电器元件与主母线之间或电器元件与电器元件之间的连接母线(裸母线或绝缘导线)1.1.3中性母线(N线)1.1.4接地母线(PE线)1.2母线材料规格及长度的选择1.2.1母线的材料规格应满足设计图纸要求,并应是符合表2-1、表2-2载流量规定的合格品。表2-1单片矩形母线规格及载流量母线截面积mm2最大容许电流(30℃)A母线截面积mm2最大容许电流(30℃)A3×7636×508973×101006×6010003×121256×8013903×151836×10015323×202508×6012003×253208×8015904×304148×10017474×4054710×6012805×3050010×8016015×4062310×10019445×5080010×1202255表2-2多片矩形母线规格及载流量母线截面mm2TMY铜母线载流量A2片3片4片6×6015141887—6×8017852305—6×10020962678—8×6018762350—8×8022042859—8×10025883328—8×12028823684—10×6020912893—10×8026503379—10×10030913898452010×1203492443050281.2.2分支母线的材料规格按《通则》中1.4中要求选取1.2.3中性线与保护导体截面按照《通则》中表1-1、表1-2选取1.2.4保护导体(PE、PEN)选用按《通则》中1.6中要求选取1.2.5母线的长度应根据开关柜安装的需要来确定。铜质母线及铝质母线在20m以上时,应加母线伸缩头,伸缩点的截面应不小于母线截面。主母线在5m内允许有一个搭接头,10m内允许有两个搭接头,15m内允许有四个搭接头。1.3母线的制作1.3.1母线加工设备与工具:锯、台钳、台钻、冲床、锉刀、盒尺、抚顺SS-201-B01型和BM303-S型母线折弯机、手砂轮、扳手等。1.3.2选料在加工前,应对母线材料进行检查。凡有下列局部缺陷的部位,应将该段剪掉。a)母线表面有裂痕、斑痕、凹坑及有硝石沉积物的部位。b)铜母线表面有气孔直径大于5mm、深度大于0.15mm者。1.4平直母线材料在剪切前,每米窄面不直度超过10mm,每米平面不平度超过100mm者,应调整平直,以缩小剪切后毛胚尺寸的误差。1.5冲剪按需要尺寸将母线切断,并符合以下要求:1.5.1母线两端的窄面与端面不垂直度不大于0.5mm。1.5.2母线两端在冲剪后,不得有毛刺和突出的立棱。1.5.3高压母线端头应在冲床上使模具倒圆角处理,母线截面积6×60mm及以下倒圆角半径R不小于8mm,母线截面积6×60mm以上倒圆角半径R不小于15mm;低压母线端头应使手砂轮机、板锉等工具打磨掉毛刺。1.6校正1.6.1冲剪后的母线应进行校平校直处理。1.6.2母线平面应保持光滑、平整、不准有锤痕。1.6.3校平校直处理应以木质榔头槌击母线或使用母线折弯机校平模具,如须用钢质榔头,则宜衬以硬木或铝质垫块,切忌直接敲击母线。1.7弯曲1.7.1母线材料不应退火,但根据工艺要求弯曲处可以加热,加热温度不应超过表2-3所列规定值。表2-3弯曲加热允许温度1.7.2母线用专用工具弯曲时,不准损伤母线本体或遗留显著压痕。1.7.3母线曲平弯示意图见图2-1,平弯最小允许弯曲半径见表2-4。1.7.4母线曲立弯示意图见图2-2,立弯最小允许弯曲半径见表2-5。图2-1母线平弯图2-2母线立弯表2-4母线平弯最小容许半径R母线尺寸mm2最小弯曲半径R(mm)铜铝5×50及以下2b2b5×50以上2b2.5b注:b为母线厚度表2-5母线立弯最小容许半径R母线尺寸mm2最小弯曲半径Rmm铜铝5×50及以下a1.5a5×50以上1.5a2a注:a为母线宽度1.7.5一根母线既曲平弯又曲立弯时,应先曲立弯,然后再曲平弯。1.7.6母线扭转90°弯时,其扭弯部分的长度应为母线宽度的2.5~5倍。见图2-3。1.7.7母线弯曲始点与母线连接的边缘距离不得小于25mm。见图2-4。1.7.8母线弯曲始点与母线固定面边缘的距离不得小于25mm。见图2-5。母线材料允许温度℃铜350铝250图2-3母线麻花弯图2-4平弯搭接图2-5母线不同平面固定搭接1.7.9母线弯曲后不应有裂痕或大于高1mm、宽2mm的皱褶。1.8钻孔或冲孔1.8.1单匹母线采用螺栓连接时,应按表2-6钻孔或冲孔。螺栓孔直径应符合表2-6的规定。1.8.2多匹母线(汇流排与主进/联络母线之间)用螺栓连接时,应沿汇流排水平延伸方向冲长圆孔,使用加厚平垫紧固,长圆孔仅限于M12和M16螺栓,分别为¢13×20和¢17×22两种规格。1.8.3双匹N、PE排上接线孔应前后贯通在...

1、当您付费下载文档后,您只拥有了使用权限,并不意味着购买了版权,文档只能用于自身使用,不得用于其他商业用途(如 [转卖]进行直接盈利或[编辑后售卖]进行间接盈利)。
2、本站所有内容均由合作方或网友上传,本站不对文档的完整性、权威性及其观点立场正确性做任何保证或承诺!文档内容仅供研究参考,付费前请自行鉴别。
3、如文档内容存在违规,或者侵犯商业秘密、侵犯著作权等,请点击“违规举报”。

碎片内容

母线制作、安装细则

确认删除?
VIP
微信客服
  • 扫码咨询
会员Q群
  • 会员专属群点击这里加入QQ群
客服邮箱
回到顶部