电脑桌面
添加小米粒文库到电脑桌面
安装后可以在桌面快捷访问

三峡通航工程设备安装项目部汽车吊载人吊篮作业安全专项措施VIP免费

三峡通航工程设备安装项目部汽车吊载人吊篮作业安全专项措施_第1页
1/3
三峡通航工程设备安装项目部汽车吊载人吊篮作业安全专项措施_第2页
2/3
三峡通航工程设备安装项目部汽车吊载人吊篮作业安全专项措施_第3页
3/3
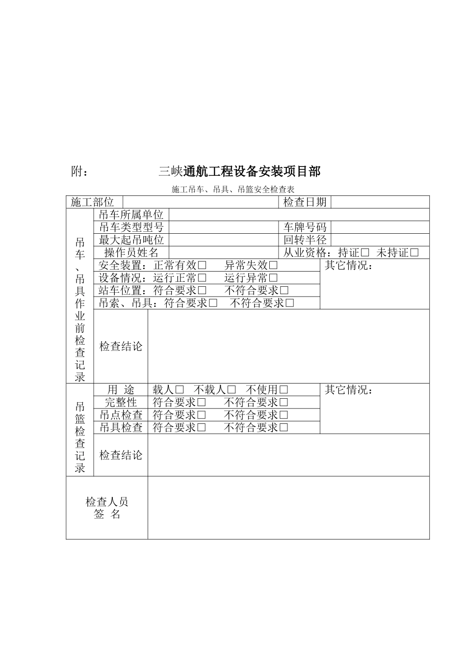
三峡通航工程设备安装项目部汽车吊载人吊篮作业安全专项措施三峡船闸2017年计划性检修施工中,受到工期、施工环境及施工手段的影响,将大量使用汽车吊载人吊篮进行施工,这种吊篮是一种悬空提载人和物的机具,为确保人员安全,在使用汽车吊载人吊篮进行施工作业时必须做好各项安全防范措施。一、汽车吊载人吊篮作业环境要求1.吊篮升空作业范围内应清除各种突出物或障碍物。2.吊篮施工范围下方必须设置警戒线,并设置显目警戒标志和配备安全哨。3.夜间禁止汽车吊载人吊篮施工。4.在雷暴雨、大雾、大雪及风速大于8.3m/s(相当于5级阵风)的恶劣气候环境下,严禁吊篮升空作业。5.距高压线10m范围内严禁使用吊篮施工。6.吊篮上作业人员要求(1)吊篮上作业人员必须身体健康,且在作业前不饮酒,保持良好的工作状态。凡患有以下禁忌症之一者,不得有事此项工作:①双眼视力在0.8以下、色盲;②听力障碍;③中枢神经系统器质性疾(包括癫痫);④明显的神经官能症或植物神经宫能紊乱;⑤动脉硬化;⑥心脏病;⑦恐高症。(2)吊篮上作业人员不得超过二人。(3)作业人员作业时应佩戴安全帽、安全带和安全绳,安全绳不能固定在吊篮上和汽车吊吊钩上,必须固定在其他牢固可靠位置。(4)作业人员不得穿着塑料底或其它易滑的鞋子进行作业,作业时严禁在吊篮内使用梯、凳、搁板等攀高工具和在吊篮外另设吊具进行作业。(5)作业人员必须在地面进出吊篮,不得在空中随意攀爬,入出吊篮。二、提升吊篮汽车吊要求1.提升吊篮的汽车吊必须是经过技术监督局检验或年审设备,且在有效期限内;必须是50吨以上(包含50吨)的汽车吊。2.汽车吊操作人员必须是取得国家资质单位颁发的许可操作证件。吊车配备两名操作人员,一人操作、一人指挥(必须持有技术监督局颁发的司索指挥有效证件)。3.汽车吊制动、安全装置有效可靠。4.汽车吊钩头与吊篮钢丝绳之间必须用一根保险钢丝绳连接。三、使用吊篮注意事项为确保吊篮安全施工,作业前必须由吊篮上作业人员和专职安全员对吊篮进行检查,确保吊篮的正常完好状态。1.工作前的检查(1)必须由汽车吊操作人员、吊篮上作业人员和专职安全员对吊篮进行检查,确认合格后填写检查表。(检查表样式见附表)(2)吊篮上必须是四个吊点、用四根钢丝绳(安全系数为14倍)。(3)吊篮上工器具、易动物件必须固定,避免滚落伤人,且物体重量不能超过100KG。(4)吊篮钢丝绳不得有折弯、鼓起,卡环有效卡在吊篮四个专用吊点上。2.作业中注意事项(1)吊篮升空时不能碰挂周边任何物体,确保吊篮及人员安全。(2)吊篮升空时,作业人员不得随意走动,靠近吊篮站立不得将头手伸出围栏外,以免发生意外;(3)吊篮上指挥人员,起重设备操作人员要保持信号畅通,信号不明时,起重设备操作人员要停止操作,并及时联系,确保安全。(4)吊篮到达部位时,严禁利用吊篮或钢丝绳作为电焊起弧或接线回路。(5)吊篮在使用、检查中发现故障、变形、磨损、腐蚀、损坏及异常情况是,应立即停止使用,待故障或异常排除后方可继续使用,严禁吊篮带病使用。(6)作业完毕,吊篮应停放地面,严禁在空中吊挂过夜。四、吊篮的维护保养1.每天工作结束时,做好吊篮、钢丝绳清洁工作,清理各种垃圾、涂料及表面粘附的杂质。2.吊篮专用钢丝绳要放置在吊篮内,并定期刷润滑防锈油。三峡通航工程设备安装项目部安全保卫部2016.12.12附:三峡通航工程设备安装项目部施工吊车、吊具、吊篮安全检查表施工部位检查日期吊车、吊具作业前检查记录吊车所属单位吊车类型型号车牌号码最大起吊吨位回转半径操作员姓名从业资格:持证□未持证□安全装置:正常有效□异常失效□其它情况:设备情况:运行正常□运行异常□站车位置:符合要求□不符合要求□吊索、吊具:符合要求□不符合要求□检查结论吊篮检查记录用途载人□不载人□不使用□其它情况:完整性符合要求□不符合要求□吊点检查符合要求□不符合要求□吊具检查符合要求□不符合要求□检查结论检查人员签名

1、当您付费下载文档后,您只拥有了使用权限,并不意味着购买了版权,文档只能用于自身使用,不得用于其他商业用途(如 [转卖]进行直接盈利或[编辑后售卖]进行间接盈利)。
2、本站所有内容均由合作方或网友上传,本站不对文档的完整性、权威性及其观点立场正确性做任何保证或承诺!文档内容仅供研究参考,付费前请自行鉴别。
3、如文档内容存在违规,或者侵犯商业秘密、侵犯著作权等,请点击“违规举报”。

碎片内容

三峡通航工程设备安装项目部汽车吊载人吊篮作业安全专项措施

您可能关注的文档

确认删除?
VIP
微信客服
  • 扫码咨询
会员Q群
  • 会员专属群点击这里加入QQ群
客服邮箱
回到顶部