电脑桌面
添加小米粒文库到电脑桌面
安装后可以在桌面快捷访问

碳纤维粘贴加固方案

碳纤维粘贴加固方案_第1页
1/11
碳纤维粘贴加固方案_第2页
2/11
碳纤维粘贴加固方案_第3页
3/11
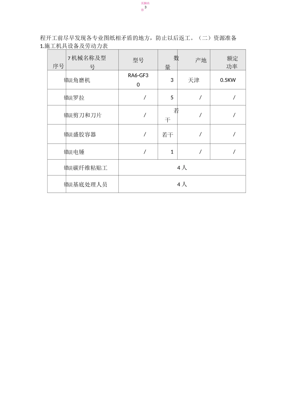
页脚内容 1目录二、加固范围:1三、工程概况:1四、施工准备 2(一)技术准备 2(二)资源准备 2(三)项目机构设置 3五、施工工法和技术措施 3(一)、碳纤维粘贴 3(1)材料要求 3(2)碳纤维加固施工方法 4(3)碳纤维加固施工要点 7(4)碳纤维加固施工质量检查及验收 7六、土建和其它工种注意事项 7七、质量保证措施 8八、安全文明施工措施 8一编制依据:、《建筑抗震加固技术规程》JGJ11--98《混凝土结构加固设计规范》GB50367-2006《碳纤维片材加固修复混凝土结构技术规程》CECS146-2003《碳纤维增强复合材料加固混凝土结构技术规程》CECS146-2003 广州智海建筑工程技术有限公司设计的加固图纸施工组织设计(专项施工方案)报审报页脚内容 2页脚内容 3程开工前尽早发现各专业图纸相矛盾的地方,防止以后返工。(二)资源准备1.施工机具设备及劳动力表序号7 机械名称及型号型号数量产地额定功率错误角磨机RA6-GF303天津0.5KW错误罗拉/5//错误剪刀和刀片/若干//错误盛胶容器/若干//错误电锤/1//错误碳纤维粘贴工4 人错误基底处理人员4 人施工组织设计(专项施工方案)报审报页脚内容 42.材料准备序号 ”材料名称规格型号产地施工部位错误碳纤维布CF200梁1错误结构胶粘碳纤维专用粘碳纤维(三)项目机构设置本着结构合理、精干高效的原则,我公司将调集具有丰富施工经验的优秀管理及技术人员组成工程项目经理部,实行项目经理负责制,按照项目法精心组织施工。项目负责人:宋小山施工班组长:郑高峰技术员:王振远熟练操作工人:4 名五、施工工法和技术措施(一)、碳纤维粘贴(1)材料要求采用的碳纤维材料各项技术指标必须满足国家有关规范和设计要求碳纤维布及配套树脂性能参数的要求如下:【1】碳纤维片材的主要力学性能指标要求性能碳纤维布抗拉强度标准值 fcfk±3500MPa弹性模量 Ecf±2.35X105Mpa伸长率±1.5%单位面积200g/m2厚度0.111mm【2】配套树脂的物理力学指标及施工工艺指标表层树脂的性能指标页脚内容 5性能项目性能指标正拉粘结强度±2.5Mpa 且不小于被加固混凝土的抗拉强度标准值浸渍树脂的性能指标性能项目性能指标拉伸剪切强度±10Mpa拉伸强度±30Mpa压缩强度±70Mpa弯曲强度±40Mpa正拉粘结强度±2.5Mpa 且不小于被加固混凝土的抗拉强度标准值弹性模量±1500Mpa伸长率±1.5%2)碳纤维加固施工方法1】施工工艺碳纤维布加固施工工艺流程:施工组织设计(专项施工方案)报审报页脚内容 6碳纤维布...

1、当您付费下载文档后,您只拥有了使用权限,并不意味着购买了版权,文档只能用于自身使用,不得用于其他商业用途(如 [转卖]进行直接盈利或[编辑后售卖]进行间接盈利)。
2、本站所有内容均由合作方或网友上传,本站不对文档的完整性、权威性及其观点立场正确性做任何保证或承诺!文档内容仅供研究参考,付费前请自行鉴别。
3、如文档内容存在违规,或者侵犯商业秘密、侵犯著作权等,请点击“违规举报”。

碎片内容

碳纤维粘贴加固方案

您可能关注的文档

确认删除?
VIP
微信客服
  • 扫码咨询
会员Q群
  • 会员专属群点击这里加入QQ群
客服邮箱
回到顶部