电脑桌面
添加小米粒文库到电脑桌面
安装后可以在桌面快捷访问

通信工程施工中的危险点及应对措施

通信工程施工中的危险点及应对措施_第1页
1/7
通信工程施工中的危险点及应对措施_第2页
2/7
通信工程施工中的危险点及应对措施_第3页
3/7
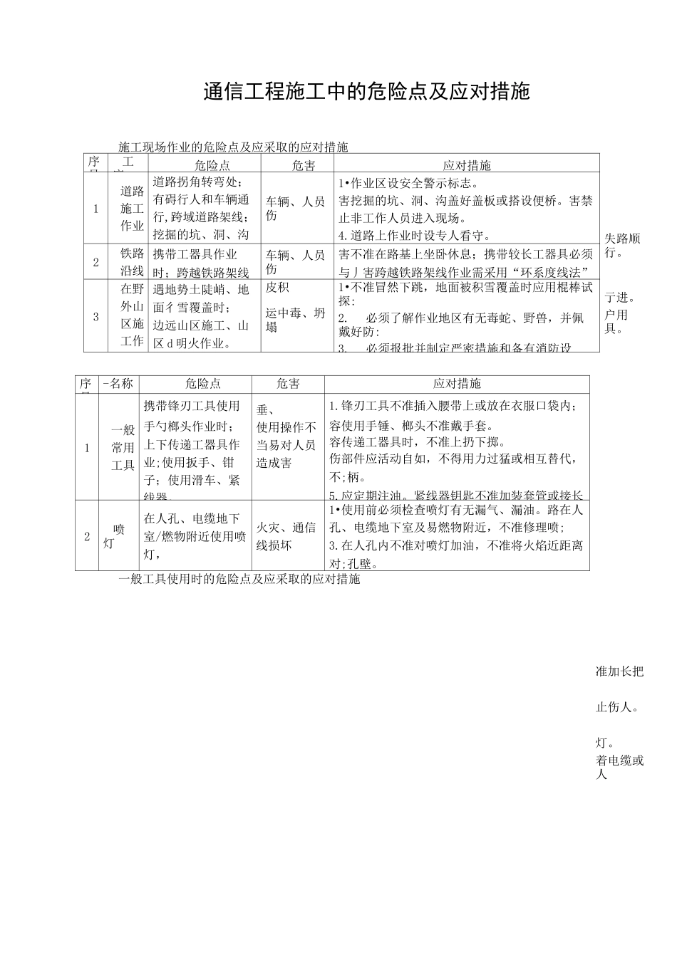
通信工程施工中的危险点及应对措施施工现场作业的危险点及应采取的应对措施序号工序危险点危害应对措施失路顺行。亍进。户用具。1道路施工作业道路拐角转弯处;有碍行人和车辆通行,跨域道路架线;挖掘的坑、洞、沟处<车辆、人员伤1•作业区设安全警示标志。害挖掘的坑、洞、沟盖好盖板或搭设便桥。害禁止非工作人员进入现场。4.道路上作业时设专人看守。2铁路沿线作业携带工器具作业时;跨越铁路架线车辆、人员伤害不准在路基上坐卧休息;携带较长工器具必须与丿害跨越铁路架线作业需采用“环系度线法”3在野外山区施工作业遇地势土陡峭、地面彳雪覆盖时;边远山区施工、山区 d 明火作业。皮积运中毒、坍塌1•不准冒然下跳,地面被积雪覆盖时应用棍棒试探:2.必须了解作业地区有无毒蛇、野兽,并佩戴好防:3.必须报批并制定严密措施和备有消防设序号-名称危险点危害应对措施1一般常用工具携带锋刃工具使用手勺榔头作业时;上下传递工器具作业;使用扳手、钳子;使用滑车、紧线器。垂、使用操作不当易对人员造成害1.锋刃工具不准插入腰带上或放在衣服口袋内;容使用手锤、榔头不准戴手套。容传递工器具时,不准上扔下掷。伤部件应活动自如,不得用力过猛或相互替代,不;柄。5.应定期注油。紧线器钥匙不准加装套管或接长2喷灯在人孔、电缆地下室/燃物附近使用喷灯,火灾、通信线损坏1•使用前必须检查喷灯有无漏气、漏油。路在人孔、电缆地下室及易燃物附近,不准修理喷;3.在人孔内不准对喷灯加油,不准将火焰近距离对;孔壁。一般工具使用时的危险点及应采取的应对措施准加长把止伤人。灯。着电缆或人1竹梯移动式竹直梯竹梯存有折断、腐朽、扎线松弛等缺陷使用,作业时。绑高处坠落1•梯子出现折断、腐朽、绑扎线松弛等现象时,不;2•立靠梯子的坡度应适宜。上下梯子不准携带笨重;具。3.—个梯子上不准有两人作业或脚踩两只梯子操作移动梯子。4.在电力线、电力设备下方,须防止触碰障碍物,动。2金属拉伸梯出现扭曲变形、拉伸,如、腐蚀连接部位脱]无防滑橡胶垫等现象<不自高处坠落、触1•使用前应检查各部位连接是否牢固,梯梁与踏板;扭曲、变形。踏板须做防滑处理。梯脚应装防滑橡 2.拉伸长度不准超过其自身的规定。在电力线电力-附近,严禁使用金属拉伸梯。登高用具使用时的危险点及应采取的应对措施料和工不准用脚准举梯移无歪斜、胶脚。备下方或木高凳出现凳腿或踏木高凳裂、折断、腐朽等现用木高凳作业时。倾倒砸毁设备高处坠落1•检查木高凳...

1、当您付费下载文档后,您只拥有了使用权限,并不意味着购买了版权,文档只能用于自身使用,不得用于其他商业用途(如 [转卖]进行直接盈利或[编辑后售卖]进行间接盈利)。
2、本站所有内容均由合作方或网友上传,本站不对文档的完整性、权威性及其观点立场正确性做任何保证或承诺!文档内容仅供研究参考,付费前请自行鉴别。
3、如文档内容存在违规,或者侵犯商业秘密、侵犯著作权等,请点击“违规举报”。

碎片内容

通信工程施工中的危险点及应对措施

wxg+ 关注
实名认证
内容提供者

该用户很懒,什么也没介绍

确认删除?
VIP
微信客服
  • 扫码咨询
会员Q群
  • 会员专属群点击这里加入QQ群
客服邮箱
回到顶部