电脑桌面
添加小米粒文库到电脑桌面
安装后可以在桌面快捷访问

2016年压力容器定期检验员-取证-6压力容器检验技术VIP免费

2016年压力容器定期检验员-取证-6压力容器检验技术_第1页
1/49
2016年压力容器定期检验员-取证-6压力容器检验技术_第2页
2/49
2016年压力容器定期检验员-取证-6压力容器检验技术_第3页
3/49
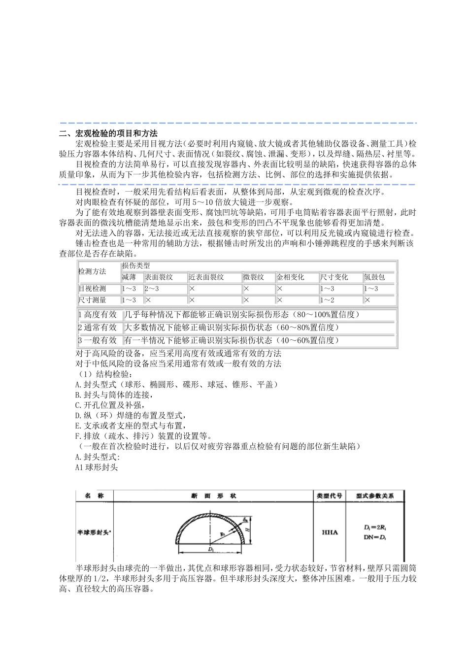
一、压力容器定期检验流程二、宏观检验的的项目和方法三、壁厚的测定四、耐压试验五、泄漏性试验六、安全附件及仪表的检查一、定期检验的流程(1)检验方案的制定(2)检验前的准备工作(3)检验的实施(4)缺陷及问题的处理(5)检验结果的汇总(6)出具检验报告1.检验方案的制定根据压力容器的使用情况、损伤模式和失效模式,依据TSG21《固定式压力容器安全技术监察规则》第8章要求制定方案。A.了解压力容器的基本情况:通过审查设计、制造(安装)等来获取。B.了解压力容器的使用情况:通过审查使用证、运行记录、开停车记录、运行条件变化及异常情况记录、修理改造资料、历年来年度检查报告和定期检验报告等获取。资料审查问题的处理:资料审查发现使用单位未按照要求对压力容器进行年度检查,以及发生使用单位变更、更名使压力容器的现时状况与《使用登记表》内容不符,而未按照要求办理变更的,检验机构应当向使用登记机关报告。资料审查发现压力容器未按照规定实施制造监督检验(进口压力容器未实施安全性能监督检验)或者无《使用登记证》,检验机构应当停止检验,并且向使用登记机关报告。C.了解损伤、失效模式:根据GB/T30579-2014《承压设备损伤模式识别》标准,了解承压设备主要损伤模式和失效机理的理论、形态、影响因素、敏感材料、可能发生失效的设备或构件、检测方法等。检验方案通常包括以下基本内容:设备基本情况检验前的准备工作(人员、辅助工作、仪器设备、劳动保护等)检验的项目、部位、比例等(根据损伤和失效模式)检验结果的处理、报告等根据设备的复杂情况,可以是方案也可是检验工艺卡2.检验前的准备工作A.通用要求使用单位和相关的辅助单位,应当按照要求做好停机后的技术性处理和检验前的安全检查,确认现场条件符合检验工作要求,做好有关的准备工作。检验前,现场至少具备以下条件:(1)影响检验的附属部件或者其他物体,按照检验要求进行清理或者拆除;(2)为检验而搭设的脚手架、轻便梯等设施安全牢固(对离地面2m以上的脚手架设置安全护栏);(3)需要进行检验的表面,特别是腐蚀部位和可能产生裂纹缺陷的部位,彻底清理干净,露出金属本体;(包括焊缝、热影响区、母材)进行无损检测的表面达到NB/T47013的有关要求;(4)需要进入压力容器内部进行检验,将内部介质排放、清理干净,用盲板隔断所有液体、气体或者蒸气的来源,同时设置明显的隔离标志,禁止用关闭阀门代替盲板隔断;(5)需要进入盛装易燃、易爆、助燃、毒性或者窒息性介质的压力容器内部进行检验,必须进行置换、中和、消毒、清洗,取样分析,分析结果达到有关规范、标准规定;取样分析的间隔时间应当符合使用单位的有关规定;盛装易燃、易爆、助燃介质的,严禁用空气置换;(6)人孔和检查孔打开后,必须清除可能滞留的易燃、易爆、有毒、有害气体和液体,压力容器内部空间的气体含氧量保持在0.195以上;必要时,还需要配备通风、安全救护等设施;(7)高温或者低温条件下运行的压力容器,按照操作规程的要求缓慢地降温或者升温,使之达到可以进行检验工作的程度;(8)能够转动或者其中有可动部件的压力容器,必须锁住开关,固定牢靠;(9)切断与压力容器有关的电源,设置明显的安全警示标志;检验照明用电电压不得超过24V,引入压力容器内的电缆必须绝缘良好、接地可靠;(10)需要现场进行射线检测时,隔离出透照区,设置警示标志,遵守相应安全规定。非金属及非金属衬里压力容器检验现场条件专项要求(1)进入设备的人员应当穿软底鞋,检验人员的衣服不应当带有金属等硬质物件;(2)检验人员和检测仪器进入设备前,压力容器内表面应当用软质材料进行有效防护,所有检测设备不允许直接放置在压力容器内表面上;(3)严禁在压力容器内动火和用力敲击非金属部分;(4)压力容器内表面应当清洗干净、干燥,不得有物料粘附。B.隔热层拆除存在以下情况时,应当根据需要部分或者全部拆除压力容器外隔热层:(1)隔热层有破损、失效的;(2)隔热层下压力容器壳体存在腐蚀或者外表面开裂可能性的;(3)无法进行压力容器内部检验,需要外壁检验或者从外壁进行内部检测的;...

1、当您付费下载文档后,您只拥有了使用权限,并不意味着购买了版权,文档只能用于自身使用,不得用于其他商业用途(如 [转卖]进行直接盈利或[编辑后售卖]进行间接盈利)。
2、本站所有内容均由合作方或网友上传,本站不对文档的完整性、权威性及其观点立场正确性做任何保证或承诺!文档内容仅供研究参考,付费前请自行鉴别。
3、如文档内容存在违规,或者侵犯商业秘密、侵犯著作权等,请点击“违规举报”。

碎片内容

2016年压力容器定期检验员-取证-6压力容器检验技术

最好的沉淀+ 关注
实名认证
内容提供者

行业文档

确认删除?
VIP
微信客服
  • 扫码咨询
会员Q群
  • 会员专属群点击这里加入QQ群
客服邮箱
回到顶部