电脑桌面
添加小米粒文库到电脑桌面
安装后可以在桌面快捷访问

韶关市委组织部

韶关市委组织部_第1页
1/10
韶关市委组织部_第2页
2/10
韶关市委组织部_第3页
3/10
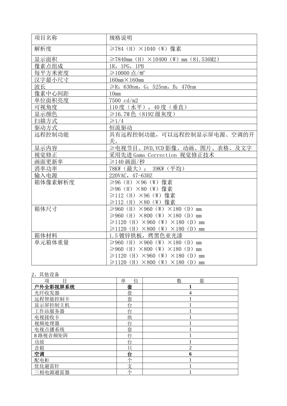
韶关市委组织部LED 显示屏设备采购招 标 需 求2010 年 10 月一、项目名称韶关市委组织部 LED 显示屏设备采购项目二、本次招标项目内容:序号设备名称数量性能指标1LED 显示屏1 套详见详细技术参数 三、项目要求1、本项目为韶关市委组织部 LED 显示屏 设备采购项目。2、所有设备交货后的拆箱、安装、调试等项目工作(包括费用)均由投标人负责 ,但必须在用户指定人员的参与下进行。3、中标人所提供的项目内设备必须是原装,全新的产品,并且符合国家有关标准以及该产品的出厂标准。4、投标人必须对包内的全部内容进行投标,不允许只对其中部分内容进行投标。5、本项目要求中所出现的工艺、材料、设备或参照的品牌仅为方便描述而没有限制性,供应商可以在其提供的文件资料中选用替代标准,但这些替代标准必须不能低于招标文件所提出的标准。6、本项目所建议的设备的性能应达到或超过参考指标表中所列技术指标。投标人应注意该表的值仅列出了最低限度。投标人在响应建议中必须列出具体数值。如果投标人只注明“符合”或“满足”,将被视为“不符合”。7、本次招标是韶关市委组织部 LED 显示屏设备采购项目所需设备,对标书中的设备清单未列出而工程所必须的配件由供应商提供,中标价为设备的总价,招标方不再追加任何费用。8、在招标结果公示后,由用户根据技术规范制定相符的测试需求,拟中标人须在用户提出测试要求后,3 天内组织和完成测试,若拟中标人不组织或不能通过测试,作放弃中标资格处理。如经过测试,发现拟中标人投标时的响应内容和测试结果有较大出入的,或所投设备确实有不满足招标文件规定的,采购人有权取消其中标资格并追究拟中标人和生产厂家递交虚假资料的法律责任。四、设备详细技术参数要求1、屏体要求项目名称规格说明解析度≥784(H)×1040(W)像素显示面积≥7840mm(H)×10400(W)mm(81.536M2)像素点组成1R,1PG,1PB每平方米密度≥10000 点/㎡汉字最小尺寸160mm×160mm波长≥R:630nm,G:525nm,B:470nm像素中心间距10mm单位面积亮度7500 cd/m2可视角度110 度(水平),40 度(垂直)显示颜色≥16.7M 色(8192 级灰度)扫描方式≥1/4驱动方式恒流驱动远程控制功能具有远程控制功能,可以远程控制显示屏电源、空调的开关。 显示内容≥电视节目、DVD,VCD 影像、动画、图片、表格、及文字视觉修正采用先进 Gama Correction 视觉修正技术画面更新率≥140 画面/秒消率功率78KW(最大)...

1、当您付费下载文档后,您只拥有了使用权限,并不意味着购买了版权,文档只能用于自身使用,不得用于其他商业用途(如 [转卖]进行直接盈利或[编辑后售卖]进行间接盈利)。
2、本站所有内容均由合作方或网友上传,本站不对文档的完整性、权威性及其观点立场正确性做任何保证或承诺!文档内容仅供研究参考,付费前请自行鉴别。
3、如文档内容存在违规,或者侵犯商业秘密、侵犯著作权等,请点击“违规举报”。

碎片内容

韶关市委组织部

您可能关注的文档

确认删除?
VIP
微信客服
  • 扫码咨询
会员Q群
  • 会员专属群点击这里加入QQ群
客服邮箱
回到顶部