电脑桌面
添加小米粒文库到电脑桌面
安装后可以在桌面快捷访问

项目五自动计数器电路维修

项目五自动计数器电路维修_第1页
1/5
项目五自动计数器电路维修_第2页
2/5
项目五自动计数器电路维修_第3页
3/5
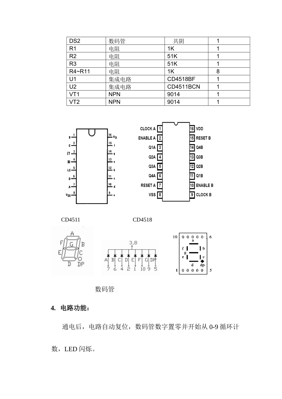
项目五:自动计数器电路维修1. 项目的提出:在生产生活中,经常要用到计数器,如:自动统计产品数量,显示时间等,那么当电路出故障时我们如何维修?2. 电路原理图:3.元件清单:编号名称型号/参数数量C1电解电容10uF 1C2电解电容10uF 1DS1发光二极管 1A7B1C2D6LE5BI4LT3a13b12c11d10e9f15g14VDD16GND8CD4511BCNU2CLK1EN2CLR7Q03Q14Q25Q36CD4518BFU1A1KR151KR251KR31KR4R5R6R7R8R9R10R1112DS110uFC110uFC29014VT19014VT21234567abcdefg8dp9GNDabfcgdedp10NCDS2+5V7*1KDS2数码管 共阴 1R1电阻1K 1R2电阻51K 1R3电阻51K 1R4~R11电阻1K 8U1集成电路CD4518BF 1U2集成电路CD4511BCN 1VT1NPN9014 1VT2NPN9014 1 CD4511 CD4518 数码管4. 电路功能:通电后,电路自动复位,数码管数字置零并开始从 0-9 循环计数,LED 闪烁。5. 维修要点: 运用万用表检测电源接线端有没有短路,想一想,为什么要这样操作? 为什么要在多谐振荡器上安装指示灯,不装对电路的效果有影响吗? 电路不正常,我们要如何根据故障检测电路。例如:1、电路没任何反应,如何处理?2、电路有数显,但缺笔画,如何处理?3、我们如何用万用表,示波器等设备更快更好的完成检修?4、如何根据器件的特性判断其好坏?6. 原理辅导: 了解分立元件组成的多谐振荡器; 分析编码器、译码驱动,数码显示器件的使用; 分析计数器原理;7.思考练习: 共阴与共阳数码管有什么区别? 写出 0-9 十进制数对应的 A、B、C、D、a-g 分别为什么电平? 可以利用传感器完成公共汽车上下车人数的统计吗?如何运用所学解决该问题。请同学们回去思考,并在明天交出你的方案。实践报告班级 姓名 学号 评价 自动计数器维修故障板通电后的现象你的维修过程1、不通电你的测量过程:a)用万用表测量故障板电源接线端防止 。2、通电后你的测量过程:故障板损坏元件维修感想(收获、困难、建议等)

1、当您付费下载文档后,您只拥有了使用权限,并不意味着购买了版权,文档只能用于自身使用,不得用于其他商业用途(如 [转卖]进行直接盈利或[编辑后售卖]进行间接盈利)。
2、本站所有内容均由合作方或网友上传,本站不对文档的完整性、权威性及其观点立场正确性做任何保证或承诺!文档内容仅供研究参考,付费前请自行鉴别。
3、如文档内容存在违规,或者侵犯商业秘密、侵犯著作权等,请点击“违规举报”。

碎片内容

项目五自动计数器电路维修

确认删除?
VIP
微信客服
  • 扫码咨询
会员Q群
  • 会员专属群点击这里加入QQ群
客服邮箱
回到顶部