电脑桌面
添加小米粒文库到电脑桌面
安装后可以在桌面快捷访问

电除尘器技术规范书

电除尘器技术规范书_第1页
1/49
电除尘器技术规范书_第2页
2/49
电除尘器技术规范书_第3页
3/49
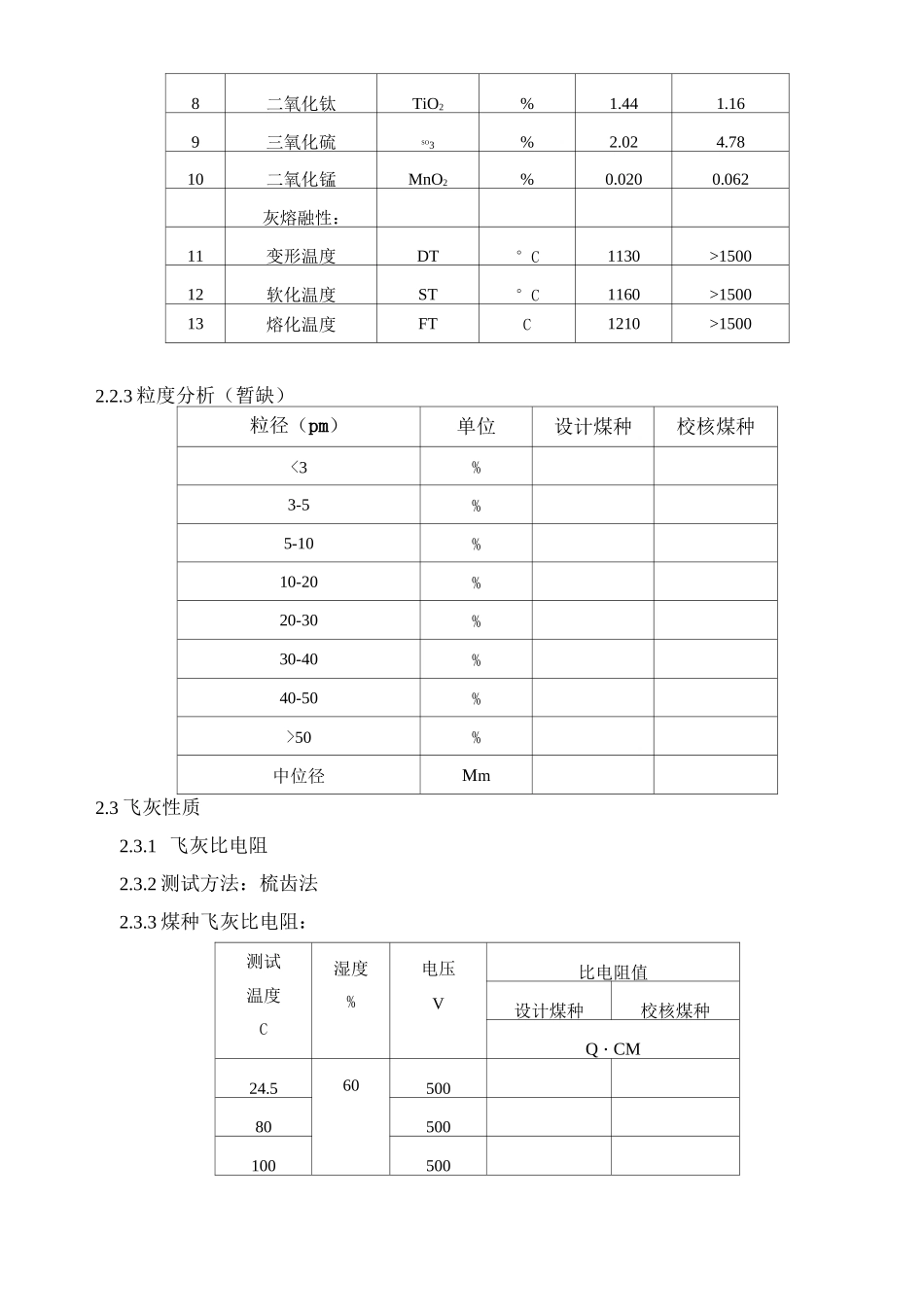
电除尘器设备采购技术规范书1.总则1.1本技术规范书适用于燃煤发电机组工程的静电除尘器,本技术规范书范围为两台机组所配备的四台静电除尘器。它包括静电除尘器本体及附属设备的功能设计、结构、性能、安装和试验等方面的技术规范。1.2本技术规范书提出的是最低限度的技术要求,并未对一切技术细节作出规定,也未充分引述有关标准和规范的条文,卖方应提供符合中国国标 GB、IEC 和 ANSI 最新版本的标准和本技术规范书的优质产品。1.3删除。1.4从签订合同之后至卖方开始制造之日的这段时期内,买方有权提出因规程、规范和标准发生变化而产生的一些补充修改要求,卖方应遵守这些要求,具体项目由买方、卖方双方共同商定。1.5本技术规范书所使用的标准,如遇与卖方所执行的标准不一致时,按较高的标准执行。1.6产品应在相同容量机组或相似条件下的两个电厂成功运行超过两年,且已证明安全可靠。1.7 本工程采用 KKS 标识系统。中标后,买方将向卖方提供电厂 KKS 功能标识系统的编码原则和要求,卖方应据此对其所提供的系统和设备进行编码,并编制在提供的技术文件(包括图纸和说明书)中。1.8 本技术规范书为订货合同的附件,与合同正文具有同等效力。1.9 招标文件、投标文件、澄清文件都是技术协议的有效文件,有不一致之处以买方解释为准。.设计条件与环境条件2.1系统概况2.1.1锅炉技术参数锅炉型式超超临界直流锅炉制粉系统正压直吹式冷一次风机制粉最大连续蒸发量2038t/h最大耗煤量设计煤种:249.4t/h校核煤种:282.6t/h2.1.2 空气予热器除渣方式机械除渣除灰方式气力除灰引风机型式静叶可调轴流式2.2燃煤性质设计煤种:神府烟煤校核煤种:晋北烟煤2.2.1 煤质分析序号名称符号单位设计煤种校核煤种1收到基水份Mar%1410.432空气干燥基水份Mad%8.174.593收到基灰份Aar%1123.064收到基碳Car%60.3352.85收到基氢Har%3.623.156收到基氧Oar%9.948.837收到基氮Nar%0.701.138收到基全硫St.ar%0.410.69干燥尢灰基挥发份Vdaf%36.4435.9910低位发热量Qnet.v.arKJ/kg227972012011哈氏可磨系数HGI56602.2.2 灰渣特性序号名称符号单位设计煤种校核煤种1二氧化硅SiO2%55.2447.462三氧化二铝AL2O3%18.9133.513三氧化二铁Fe2O3%4.444.364氧化钙CaO%13.705.105氧化镁MgO%1.510.996氧化钠Na20%0.550.567氧化钾K2O%1.610.31型式2.1.3 其它三分仓容克式8二氧化钛TiO2%1.441.169三氧化硫SO3%2.024.7810二氧化锰MnO2%0.0200.062灰熔融性:11变形温度DT°C11...

1、当您付费下载文档后,您只拥有了使用权限,并不意味着购买了版权,文档只能用于自身使用,不得用于其他商业用途(如 [转卖]进行直接盈利或[编辑后售卖]进行间接盈利)。
2、本站所有内容均由合作方或网友上传,本站不对文档的完整性、权威性及其观点立场正确性做任何保证或承诺!文档内容仅供研究参考,付费前请自行鉴别。
3、如文档内容存在违规,或者侵犯商业秘密、侵犯著作权等,请点击“违规举报”。

碎片内容

电除尘器技术规范书

确认删除?
VIP
微信客服
  • 扫码咨询
会员Q群
  • 会员专属群点击这里加入QQ群
客服邮箱
回到顶部