电脑桌面
添加小米粒文库到电脑桌面
安装后可以在桌面快捷访问

挖掘机、装载机检验报告(2014完整)VIP免费

挖掘机、装载机检验报告(2014完整)_第1页
1/4
挖掘机、装载机检验报告(2014完整)_第2页
2/4
挖掘机、装载机检验报告(2014完整)_第3页
3/4
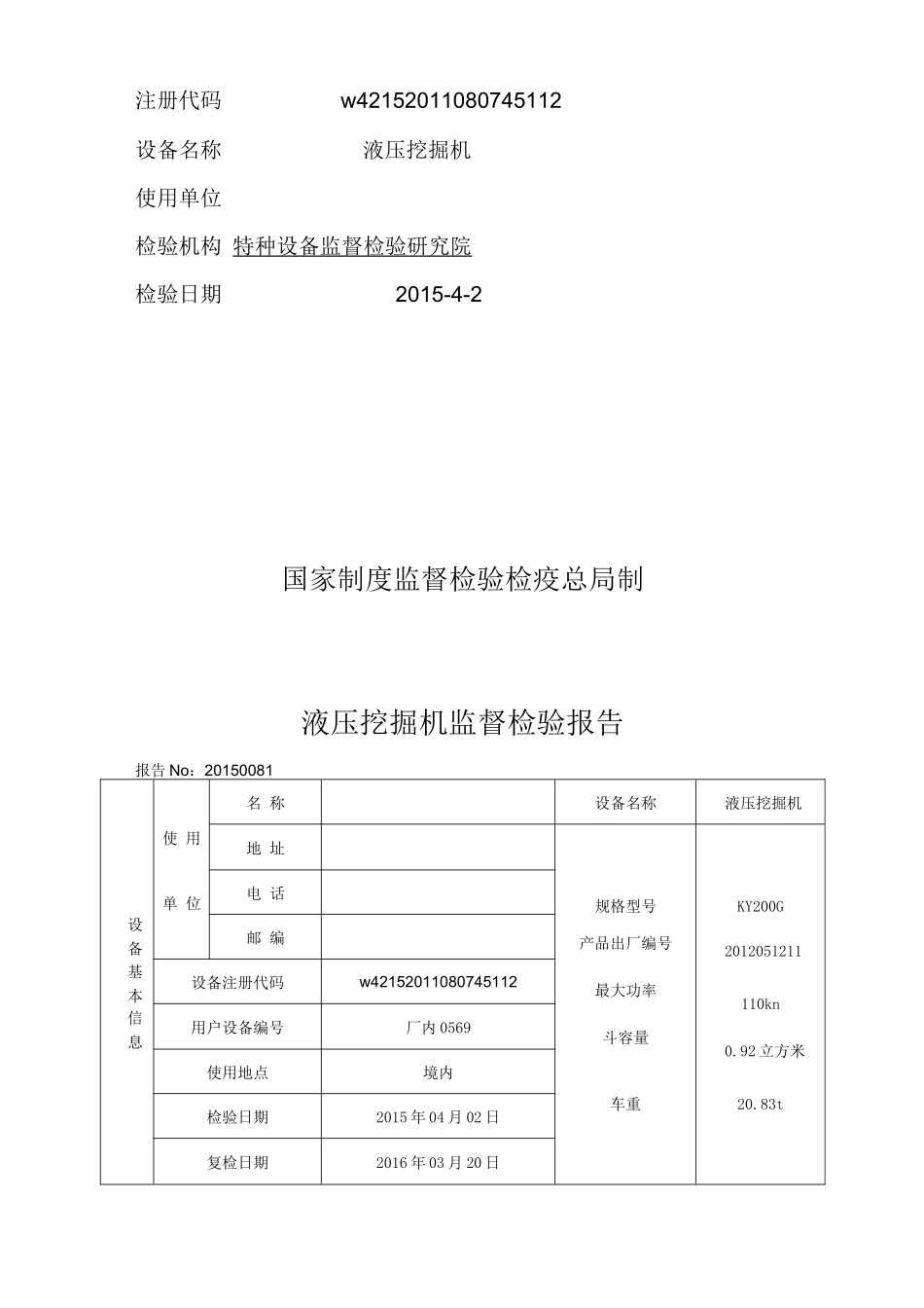
液压挖掘机定期检验报告使用单位:设备类别:流动式起重机设备品种:汽车起重机设备型号:QY25K-I设备代码:4480430200202010060004登记证编号:检验日期:2014年11月08日特种设备检验研究院包20100203KF机构核准证号:TS7110065-2012检验报告编号:HY-2015-5764-2672注册代码w42152011080745112设备名称液压挖掘机使用单位检验机构特种设备监督检验研究院检验日期2015-4-2国家制度监督检验检疫总局制液压挖掘机监督检验报告报告No:20150081名称设备名称液压挖掘机使用地址单位电话规格型号KY200G设备邮编产品出厂编号最大功率斗容量2012051211基本设备注册代码w42152011080745112110kn0.92立方米信息用户设备编号厂内0569使用地点境内检验日期2015年04月02日车重20.83t复检日期2016年03月20日制造单位徐工集团维保单位自保检验依据1、国家质量监督检验检疫总局《大型机械监督检验规程》2、《履带式起重机械安全规程》3、《液压装置技术检验规程》4、《电子控制系统检验标准》5、《挖掘机软管总成检验规程》主要检验仪器(1)电子分析仪(2)温湿度计(3)游标卡尺(4)百分表(5)压力表检验结论合格,准予作业下次检验日期:2016年03月29日(检验机构检验专用章)签发日期:2015年04月02日备注批准:审核:检验:液压挖掘机定期检验报告附页报告编号:20150081序号项类项目编号检验项目检验结果结论11.液压系统1.1液压油箱过滤装置符合要求合格1.2危险部位安全警示标志符合要求合格1.3软管连接符合要求合格2.发动机2.1发动机噪声符合要求合格22.2发动机尾气排放值符合要求合格2.3动力输出系统符合要求合格2.4整体倾斜情况符合要求合格33.操作系统3.1操纵手柄及踏板的自动复位功能符合要求合格43.2操纵手柄、踏板的标志符合要求合格3.3喇叭工作情况符合要求合格4.行走装置4.1履带摩擦,变形情况符合要求合格4.2传动轮数量、移位、摩擦符合要求合格4.3前进、后退装置工作情况符合要求合格55.试验5.1空载试验符合要求合格5.2满载试验符合要求合格5.3静载试验符合要求合格5.4结载试验符合要求合格5.5旋转试验符合要求合格6其他

1、当您付费下载文档后,您只拥有了使用权限,并不意味着购买了版权,文档只能用于自身使用,不得用于其他商业用途(如 [转卖]进行直接盈利或[编辑后售卖]进行间接盈利)。
2、本站所有内容均由合作方或网友上传,本站不对文档的完整性、权威性及其观点立场正确性做任何保证或承诺!文档内容仅供研究参考,付费前请自行鉴别。
3、如文档内容存在违规,或者侵犯商业秘密、侵犯著作权等,请点击“违规举报”。

碎片内容

挖掘机、装载机检验报告(2014完整)

确认删除?
VIP
微信客服
  • 扫码咨询
会员Q群
  • 会员专属群点击这里加入QQ群
客服邮箱
回到顶部