电脑桌面
添加小米粒文库到电脑桌面
安装后可以在桌面快捷访问

【2022精编】上海市汽车检测项目收费标准(试行)

【2022精编】上海市汽车检测项目收费标准(试行)_第1页
1/3
【2022精编】上海市汽车检测项目收费标准(试行)_第2页
2/3
【2022精编】上海市汽车检测项目收费标准(试行)_第3页
3/3
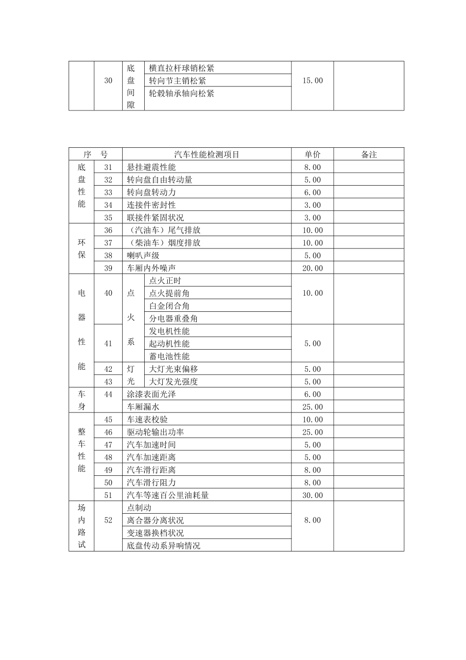
上海市汽车检测项目收费标准(试行) 一、为加强本市车辆性能检测收费的管理,根据《上海市道路运输管理条例》和《汽车运输业车辆技术管理规定》(交通部 1990 年第 13 号部令)等有关规定,特制定《上海市汽车检测项目收费标准(试用)》(以下简称标准)。二、本《标准》适用于由交通行政主管部门核发许可证在本市从事车辆性能检测的单位(含外商投资单位)。三、车辆性能检测应按本《标准》规定的项目单价收费。(无规定项目的价格由双方协议,并报上海市汽车维修管理处核定)。四、本《标准》统一以金额(人民币)计费,在表列金额以外不得另收附加费用。五、各级车辆性能检测的单位,应认真执行本《标准》收费;配备熟悉汽车检测业务结算的专职或兼职人员负责收费结算工作;接受和协助车辆维修行业管理部门的监督检查;对不执行《标准》的乱收费现象将由市维修行业管理部门按规定严肃处理。六、本《标准》由上海市物价局和上海市人民政府交通办公室共同制定,解释权属于上海市人民政府交通办公室。七、本《标准》自一九九七年六月十五日起试行。汽车检测项目收费标准单位:元序 号汽车性能检测项目单价备注发动机性能1气缸压力6.002进气歧管真空度5.003气缸气体泄漏量7.004曲轴箱窜气量7.005气缸表面、活塞顶状况窥查15.006发动机转速5.00单缸转速降7配气相位角5.008发动机异响8.009发动机加速时间5.0010发动机功率12.0011柴油机高压泵供油压力5.0012柴油机喷油提前角5.0013电喷系统喷油压力、喷油时间12.0014点火正时、点火次级电压及波形12.0015空气流量计信号、节气门传感器信号12.0016氧传感器信号12.0017机油油质分析闪点16.00水分粘度酸值18含铁量8.0019油质污染状况4.00底盘性能20轮胎气压7.0021轴载质量9.0022制动性能制动力12.00制动力平衡驻车制动力制动协调时间4.00车轮阻滞力4.0023前轮侧滑量9.0024车辆动平衡8.0025车轮偏摆量8.0026前轮最大转向角5.0027前轮定位主销后倾角22.00主销内倾角前轮外倾角28前束4.0029轴距3.0030底盘间隙横直拉杆球销松紧15.00转向节主销松紧轮毂轴承轴向松紧序 号汽车性能检测项目单价备注底盘性能31悬挂避震性能8.0032转向盘自由转动量5.0033转向盘转动力6.0034连接件密封性3.0035联接件紧固状况3.00环保36(汽油车)尾气排放10.0037(柴油车)烟度排放10.0038喇叭声级5.0039车厢内外噪声20.00电器性能40点火系点火正时10.00点火提前角白金闭合角分电器重叠角41发电机性能5.00起动机性能蓄电...

1、当您付费下载文档后,您只拥有了使用权限,并不意味着购买了版权,文档只能用于自身使用,不得用于其他商业用途(如 [转卖]进行直接盈利或[编辑后售卖]进行间接盈利)。
2、本站所有内容均由合作方或网友上传,本站不对文档的完整性、权威性及其观点立场正确性做任何保证或承诺!文档内容仅供研究参考,付费前请自行鉴别。
3、如文档内容存在违规,或者侵犯商业秘密、侵犯著作权等,请点击“违规举报”。

碎片内容

【2022精编】上海市汽车检测项目收费标准(试行)

您可能关注的文档

确认删除?
VIP
微信客服
  • 扫码咨询
会员Q群
  • 会员专属群点击这里加入QQ群
客服邮箱
回到顶部