电脑桌面
添加小米粒文库到电脑桌面
安装后可以在桌面快捷访问

0施工用电专项安全施工方案

0施工用电专项安全施工方案_第1页
1/7
0施工用电专项安全施工方案_第2页
2/7
0施工用电专项安全施工方案_第3页
3/7
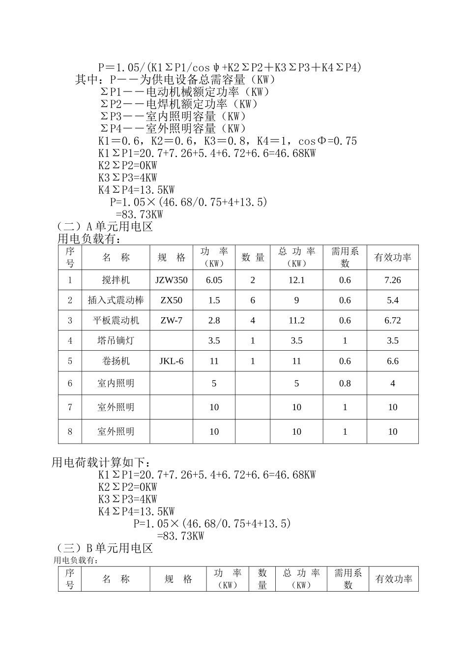
施工用电专项方案编制单位: 惠州市城乡建筑工程有限公司 审批单位: 单位技术负责人: 邹志忠 审批负责人: 编制人: 林军友 审批日期: 编制日期: 2024 年 12 月 01 日 施工用电专项方案一、工程概况 晨峰生产基地二期工程,由惠阳市晨峰实业有限公司投资兴建,惠州市大亚湾建筑设计院设计,由惠州市城乡建筑工程有限公司承担施工。本工程由以下项目组成:3#厂房、框架一层,建筑面积为 4500㎡;4#厂房一层, 建筑面积为 4800㎡;5#厂房、框架六层, 建筑面积为 1511㎡;模具房一层,建筑面积 800㎡,成品出货仓库一层;B 栋宿舍、框架五层,建筑面积为 2872㎡;本工程位于惠阳三和经济试验区,交通便利。二、电源及用电点施工平面布置情况本工程三通一平工作已基本上落实,根据施工现场情况,电源由甲方提供的电源主干线接至施工区域,考虑施工场地范围广,电源主干线从西南侧的杆上变电所接进,并将施工现场用电三个区,各区设置总配电箱,再按各项用途设置分配箱、照明箱,施工点设置随机箱,实行三级用电保护措施,各配电箱内配备齐全。动力、照明分系统、分闸,形成树干型供电网,确保用电安全整齐。线路布置详见施工场地平面布置图。三、施工用电负荷计算(一)、C 单元用电区:用电负载有:序号名 称规 格功 率(KW)数 量总 功 率(KW)需用系数有效功率1搅拌机JZW3506.05212.10.67.262插入式震动棒ZX501.5690.65.43平板震动机ZW-72.8411.20.66.724塔吊镝灯3.513.513.55卷扬机JKL-6111110.66.66室内照明550.847室外照明10101108室外照明1010110用电荷载计算如下: P=1.05/(K1ΣP1/cosψ+K2ΣP2+K3ΣP3+K4ΣP4) 其中:P--为供电设备总需容量(KW) ΣP1--电动机械额定功率(KW) ΣP2--电焊机额定功率(KW) ΣP3--室内照明容量(KW) ΣP4--室外照明容量(KW) K1=0.6,K2=0.6,K3=0.8,K4=1,cosΦ=0.75 K1ΣP1=20.7+7.26+5.4+6.72+6.6=46.68KW K2ΣP2=0KW K3ΣP3=4KW K4ΣP4=13.5KW P=1.05×(46.68/0.75+4+13.5) =83.73KW(二)A 单元用电区 用电负载有:序号名 称规 格功 率(KW)数 量总 功 率(KW)需用系数有效功率1搅拌机JZW3506.05212.10.67.262插入式震动棒ZX501.5690.65.43平板震动机ZW-72.8411.20.66.724塔吊镝灯3.513.513.55卷扬机JKL-6111110.66.66室内照明550.847室外照明10101108室外照明1010110 用电荷载计算如下: K1ΣP1=20.7+7.26+5.4+6.72+6.6...

1、当您付费下载文档后,您只拥有了使用权限,并不意味着购买了版权,文档只能用于自身使用,不得用于其他商业用途(如 [转卖]进行直接盈利或[编辑后售卖]进行间接盈利)。
2、本站所有内容均由合作方或网友上传,本站不对文档的完整性、权威性及其观点立场正确性做任何保证或承诺!文档内容仅供研究参考,付费前请自行鉴别。
3、如文档内容存在违规,或者侵犯商业秘密、侵犯著作权等,请点击“违规举报”。

碎片内容

0施工用电专项安全施工方案

雏圣文化+ 关注
实名认证
内容提供者

欢迎光临,大量办公文档供您挑选。

确认删除?
VIP
微信客服
  • 扫码咨询
会员Q群
  • 会员专属群点击这里加入QQ群
客服邮箱
回到顶部