电脑桌面
添加小米粒文库到电脑桌面
安装后可以在桌面快捷访问

明江(上海)国际物流园工程建设监理工作月报

明江(上海)国际物流园工程建设监理工作月报_第1页
1/14
明江(上海)国际物流园工程建设监理工作月报_第2页
2/14
明江(上海)国际物流园工程建设监理工作月报_第3页
3/14
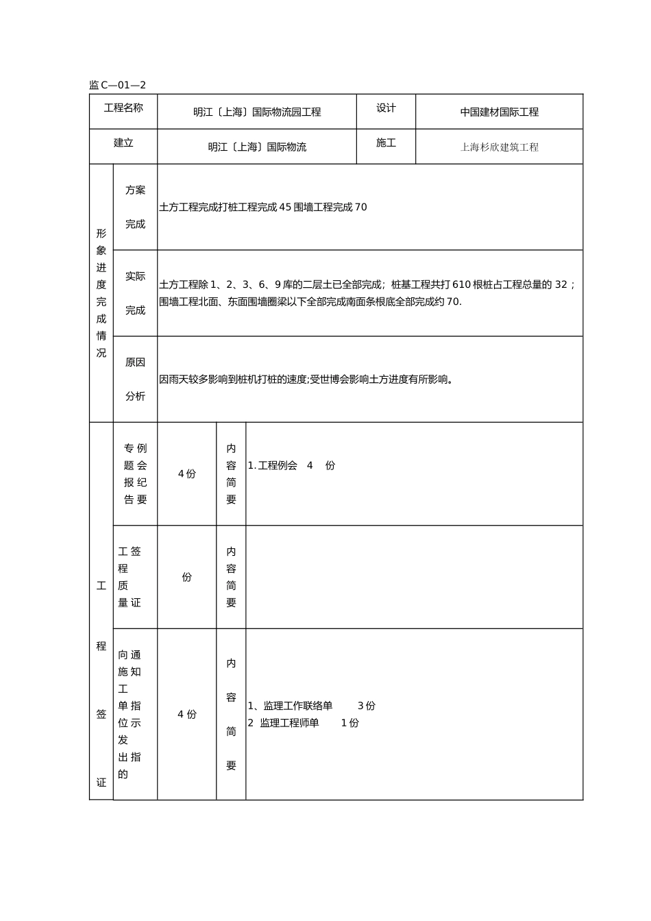
监 C—01—1 编: SH2024/ C41 – 07明江〔上海〕国际物流园工程建立监理工作月报第 7 2010 年 10 月 1 日~2010 年 10 月 31 日 内容提要: 工程形象进度完成情况 工程签证情况 本月工程情况评述 本月监理工作小结 下月监理工作打算 监理 上海景灿工程建立监理 总监理工程师 监 C—01—2工程名称明江〔上海〕国际物流园工程设计中国建材国际工程建立明江〔上海〕国际物流施工上海杉欣建筑工程形象进度完成情况方案完成土方工程完成打桩工程完成 45 围墙工程完成 70实际完成土方工程除 1、2、3、6、9 库的二层土已全部完成;桩基工程共打 610 根桩占工程总量的 32 ;围墙工程北面、东面围墙圈梁以下全部完成南面条根底全部完成约 70.原因分析因雨天较多影响到桩机打桩的速度;受世博会影响土方进度有所影响。 专 例 题 会 报 纪 告 要4 份内容简要1. 工程例会4 份工 工 签 程 质 量 证份内容简要程签证 向 通 施 知 工 单 指 位 示 发 出 指 的4 份内容简要1 、监理工作联络单3 份2 监理工程师单1 份情况 施 各 工 单 种 位 提 报 出 的 告份内容简要1、10# 库报验资料1 份2、11# 库报验资料1 份3 、南面围墙报验资料1 份4 、东面围墙报验资料1 份5 、月进度方案1 份 工 签 程 付 款 证 1 份内容简要 工程量月报表1 份监 C—01—31、10 月 4 日压实 6#、9#一层土北面砌筑围墙 11#库房定位放线 12#库做原土检测 9#库、10#库一层环检测。2、10 月 5 日 10#库回填一层土、12#库回填二层土砌筑东面围墙浇筑南面垫层。3、10 月 6 日 8#、9#库土方回填东面围墙砌筑;4、10 月 7 日回填 7#、9#、12#库土方桩进场;5、10 月 8 日 7#、12#库土方回填土、10#库环检测 11#库打桩桩分别为 44、45、50、51、52、本日共打 6 根桩; 6、10 月 9 日 7#、9#、10#库环检测 11#库打桩桩分别为 65、63、70、71、72、105、106、117、118、119 本日共打 10 根桩。7、10 月 10 日 8#仓库回填土 10#、7#、8#库房角桩放线北边围墙圈梁绑扎 11#仓库打桩桩分别为32、31、33、16、15、11、12、10、9 本日共打 9 根桩;8、10 月 11 日上午进场一台锤击桩下午进场一台静压桩机回填 5#区域二层土北面围墙圈梁支模板 11#库打桩桩分别为53、54、55、180、41、42、60、61、62、74、75、73 本日共打 12 根桩;9、10...

1、当您付费下载文档后,您只拥有了使用权限,并不意味着购买了版权,文档只能用于自身使用,不得用于其他商业用途(如 [转卖]进行直接盈利或[编辑后售卖]进行间接盈利)。
2、本站所有内容均由合作方或网友上传,本站不对文档的完整性、权威性及其观点立场正确性做任何保证或承诺!文档内容仅供研究参考,付费前请自行鉴别。
3、如文档内容存在违规,或者侵犯商业秘密、侵犯著作权等,请点击“违规举报”。

碎片内容

明江(上海)国际物流园工程建设监理工作月报

确认删除?
VIP
微信客服
  • 扫码咨询
会员Q群
  • 会员专属群点击这里加入QQ群
客服邮箱
回到顶部