电脑桌面
添加小米粒文库到电脑桌面
安装后可以在桌面快捷访问

水泥土搅拌地基工程施工质量监理实施细则(范本)

水泥土搅拌地基工程施工质量监理实施细则(范本)_第1页
1/6
水泥土搅拌地基工程施工质量监理实施细则(范本)_第2页
2/6
水泥土搅拌地基工程施工质量监理实施细则(范本)_第3页
3/6
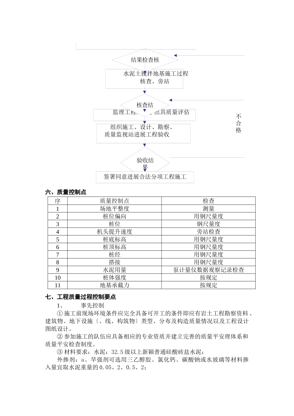
水泥土搅拌地基工程施工质量监理施行细那么〔范本〕一、工程概况 1、建立:2、设计:当工程地基为水泥土搅拌桩基时该项填写工程设计。当工程支护为水泥土搅拌桩格栅式〔帷幕〕时该项填写支护工程设计。3、施工〔指分部或子分项工程〕4、工程范围〔指子分项工程〕5、工程主要内容〔指子分项工程〕6、施工工〔按工程施工编制的工程进度方案填写〕二、编制根据1、工程设计施工图或支护设计图;2、本工程监理合同及监理规划;3、本工程地质勘查;4、建筑地基根底工程施工质量验收〔GB50202-2024〕。三、子分项工程质量目的水泥土搅拌桩基分项或水泥土搅拌桩子分项工程为合格工程即水泥土搅拌桩地基质量符合 GB50202-2024143 表要求。四、工程特点及监理工作重点① 工程地点 地貌 排水 。② 地质和水文 。③ 适用施工机械 。④ 工程施工情况 。⑤ 监理工作的重点 。五、监理工作流程水泥土搅拌地基〔水泥土加筋搅拌桩支护〕方案审批场地、机械、原材料准备试桩核查场地、搅拌机〔干、湿法作业〕 原材料资料、见证送检、灰浆泵〔喷粉装置〕计量 试桩资料适用有效性核查不合格水泥土搅拌地基施工过程核查、旁站监理工程师签字出具质量评估组织施工、设计、勘察、质量监视站进展工程验收六、质量控制点序质量控制点检查1场地平整度测量2桩位偏向用钢尺量度3桩位钢尺量度4机头提升速度旁站检查5桩底标高用钢尺量度6桩顶标高用钢尺量度7桩经用钢尺量度8搭接用钢尺量度9水泥用量泵计量仪数据观察记录检查10桩体强度按规定11地基承截力按规定七、工程质量过程控制要点1、事先控制① 施工前现场环境条件应完全具备可开工的条件即应有岩土工程勘察资料、建筑物、地下设施〔、线、构筑物〕类型、分布及构造质量情况以及工程设计图纸设计。② 参加施工的队伍应具备相应的专业资质并建立完善的质量平安理体系和质量平安检查制度。③ 材料要求:水泥:32.5 级以上新颖普通硅酸砖盐水泥;外掺剂:a、旱强剂可选用三乙醇胶、氯化钙、碳酸钠或水玻璃等材料掺入量宜取水泥重量的 0.05、2、0.5、2;不合格结果检查核实核查结果验收结果签署同意进展合法分项工程施工b、碱水剂可选用木质素磺酸钙、其掺入量宜取水泥重量的 0.2。c、石膏有缓凝和旱强作用共掺入量宜取水泥重量的 2。④ 机具设备核查·湿法施工设备a、机具设备包括搅拌机起重机水泥浆制配系统导向设备及提升速度量测设备等拌采机以立式为宜出浆孔连机身下部拌浆翼片宜双层多头为宜有...

1、当您付费下载文档后,您只拥有了使用权限,并不意味着购买了版权,文档只能用于自身使用,不得用于其他商业用途(如 [转卖]进行直接盈利或[编辑后售卖]进行间接盈利)。
2、本站所有内容均由合作方或网友上传,本站不对文档的完整性、权威性及其观点立场正确性做任何保证或承诺!文档内容仅供研究参考,付费前请自行鉴别。
3、如文档内容存在违规,或者侵犯商业秘密、侵犯著作权等,请点击“违规举报”。

碎片内容

水泥土搅拌地基工程施工质量监理实施细则(范本)

您可能关注的文档

确认删除?
VIP
微信客服
  • 扫码咨询
会员Q群
  • 会员专属群点击这里加入QQ群
客服邮箱
回到顶部