电脑桌面
添加小米粒文库到电脑桌面
安装后可以在桌面快捷访问

实验:用打点计时器测速度(学案)

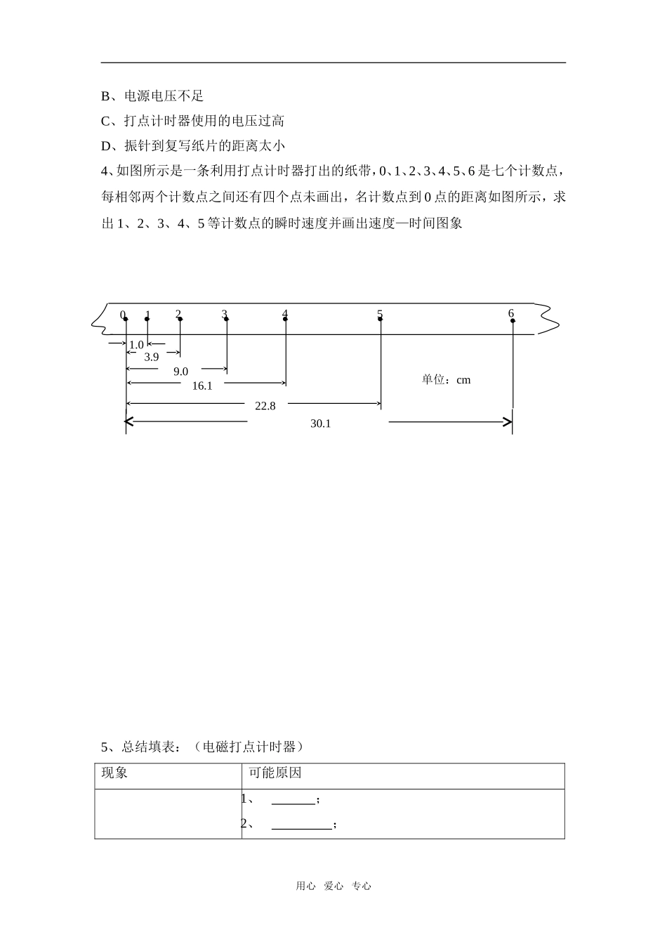
实验:用打点计时器测速度(学案)_第1页
1/5
实验:用打点计时器测速度(学案)_第2页
2/5
实验:用打点计时器测速度(学案)_第3页
3/5
实验:用打点计时器测速度(学案)张成进 江苏徐州睢宁魏集中学一、学习目标1. 解电磁打点计时器和电火花打点计时器的基本构成, 知道打点计时器的计时原理,并学会使用打点计时器。2. 掌握对纸带上记录的原始数据进行处理的能力。3. 能测量平均速度和瞬时速度。4. 学会用图象表示物理规律的方法,理解 v—t 图象,理解用平滑曲线“拟合”坐标系中描出的点来反映客观规律的思想。二、课前预习1、电磁打点计时器使用的电源是 ,当电源是 50Hz 时,它每隔 打一个点。操作时,纸带应穿过 ,复写纸套在 上,放在纸带的 (“上面”或“下面”),打点时应先 (“接通电源”或“释放纸带”)后 。2、电火花打点计时器使用的电源是 ,当电源是 50Hz 时,它每隔 打一个点。操作时,把 套在纸盘轴上,把纸带穿过 ,将两条纸带从限位孔中穿过,让墨粉纸盘夹在两条纸带之间。两条纸带中只有下面一条纸带的上表面有点。用两条纸带的原因是为了增大摩擦,带动墨粉纸盘运动,使放电火花不至于始终在墨粉纸盘的同一位置而影响到点迹的清晰度。3、对于从实验中得到的纸带,纸带上的点有疏有密,那点迹密集的地方表示物体运动的速度 (“较大”或“较小”)。4、在速度—时间图象(或 v—t 图象)中,横坐标表示 ,纵坐标标表示 。从图象中可以直接看出的信息有 。5、实验中的误差主要来源于 。三、经典例题例 1、电磁打点计时器是一种使用交流电源的计时仪器,根据打点计时器打出的纸带,我们可以从纸带上直接得到的物理量是( )用心 爱心 专心A.时间间隔 B.位移 C.平均速度 D.瞬时速度例 2、在用打点计时器测定小车速度的实验中得到一条纸带,从比较清楚的点开始,每五个打印点取一个计数点,分别表明 0、1、2、3…,量的 0 与 1 两点间的距离=30mm,2 与 3 两点间的距离为=48mm,则小车在 0 与 1 两点间的平均速度= m/s,在 2 与 3 两点间的平均速度= m/s,据此可判断小车做 运动。例 3、采取下列那些措施,有利于减少纸带因受摩擦而产生的误差?( )A. 该用 6v 直流电源B. 电源电压越低越好C. 用平整的纸带,不用皱折的纸带D. 纸带理顺摊平,不让它卷曲、歪斜例 4、打出的点迹不够清晰的原因可能是?( )A:电源电压偏低B:永磁体磁性不足C:振针位置过高D:复写纸陈旧E:振动片不在永磁体的中央四、巩固练习1.对纸带上的点迹说法正确的是?A:点迹记录了物体运动的时间。B:点迹...

1、当您付费下载文档后,您只拥有了使用权限,并不意味着购买了版权,文档只能用于自身使用,不得用于其他商业用途(如 [转卖]进行直接盈利或[编辑后售卖]进行间接盈利)。
2、本站所有内容均由合作方或网友上传,本站不对文档的完整性、权威性及其观点立场正确性做任何保证或承诺!文档内容仅供研究参考,付费前请自行鉴别。
3、如文档内容存在违规,或者侵犯商业秘密、侵犯著作权等,请点击“违规举报”。

碎片内容

实验:用打点计时器测速度(学案)

您可能关注的文档

文章天下+ 关注
实名认证
内容提供者

各种文档应有尽有

相关文档

确认删除?
VIP
微信客服
  • 扫码咨询
会员Q群
  • 会员专属群点击这里加入QQ群
客服邮箱
回到顶部