电脑桌面
添加小米粒文库到电脑桌面
安装后可以在桌面快捷访问

厂房验证方案

厂房验证方案_第1页
1/8
厂房验证方案_第2页
2/8
厂房验证方案_第3页
3/8
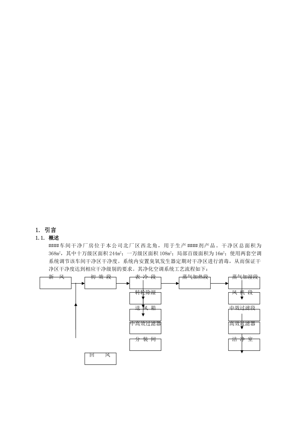
设施名称干净厂房、空气净化系统规格型号制 造 商#####空调有限公司出厂编号使用部门###车间设施编号验证参加人员工 程 部质 量 部使用部门生 产 部其 他目 录1、引言1.1、概述1.2、验证目的1.3、验证所需的文件2、验证标准3、验证的方法和步骤3.1、测试所需仪器仪表3.2、预确认3.3、安装确认3.4、运行确认3.5、性能确认4、验证评价5、验证时间进度安排6、最终批准1. 引言1.1. 概述####车间干净厂房位于本公司北厂区西北角,用于生产 ####剂产品。干净区总面积为 368m2,其中十万级区面积 244m2;一万级区面积 108m2;局部百级面积为 16m2;使用两套空调系统调节该车间干净区干净度。系统内安置臭氧发生器定期对干净区进行消毒,从而保证干净区干净度达到相应干净级别的要求。其净化空调系统工艺流程如下: 新 风 初 效 段 表 冷 段 蒸气加热段 蒸气加湿段 转轮除湿 风 机 段送 风 箱 中效过滤段 中高效过滤器 高效过滤器 分 装 间 洁 净 室 回 风1.2. 验证目的检查并确认干净厂房及空气净化系统是否符合 GMP 要求;资料和文件是否符合 GMP 的管理要求。1.3. 验证所需的文件序号文 件 名 称存 放 地 点1企业总平面布置及环境示意图2厂房平面布置图3生产车间生产工艺平面布局图4空气过滤器分布图5送、回风系统图6控制系统图7设备开箱检查记录8仪器及仪表检定证书9主要设备档案10HVAC 标准操作规程及控制标准11各项检验标准操作规程12高效过滤器、层流罩检漏测试报告13单机试运转、系统联合试运行等测试报告14干净区环境监测记录及报告15药检所干净度监测报告16工程竣工报告及竣工验收记录2. 验证标准 干净级别项目局部 100 级1 万级10 万级换气次数空气流速≥0.3m/s≥25 次/h≥15 次/h气流组织形式顶送侧回顶送侧回顶送侧回尘 埃粒 子数/ m3≥0.5μm≤3500≤350000≤≥5μm0≤2000≤20000活 微生 物数沉降菌 个/皿≤1≤3≤10浮游菌 个/ m3≤5≤100≤500 静 压 差(Pa)/>5(对十万级)>10(对室外)>10(对室外)温 度20-24℃20-24℃18-26℃相对湿度45-60%分装间≤40%45-60%分装间≤40%45-65%噪 声≤70db(动态)≤70db(动态)≤70db(动态)照 度>300Lux>300Lux>300Lux3. 验证的方法和步骤3.1. 测试所需仪器仪表a.尘埃粒子计数器 LPC 型 b.便携式照度计 JD-3 型c.微压差计 Dwyer 型d.风 速 仪 QDF-3 型e.声 级 计 HS5633 型f.风量测定罩...

1、当您付费下载文档后,您只拥有了使用权限,并不意味着购买了版权,文档只能用于自身使用,不得用于其他商业用途(如 [转卖]进行直接盈利或[编辑后售卖]进行间接盈利)。
2、本站所有内容均由合作方或网友上传,本站不对文档的完整性、权威性及其观点立场正确性做任何保证或承诺!文档内容仅供研究参考,付费前请自行鉴别。
3、如文档内容存在违规,或者侵犯商业秘密、侵犯著作权等,请点击“违规举报”。

碎片内容

厂房验证方案

确认删除?
VIP
微信客服
  • 扫码咨询
会员Q群
  • 会员专属群点击这里加入QQ群
客服邮箱
回到顶部