电脑桌面
添加小米粒文库到电脑桌面
安装后可以在桌面快捷访问

后浇带施工方案2

后浇带施工方案2_第1页
1/5
后浇带施工方案2_第2页
2/5
后浇带施工方案2_第3页
3/5
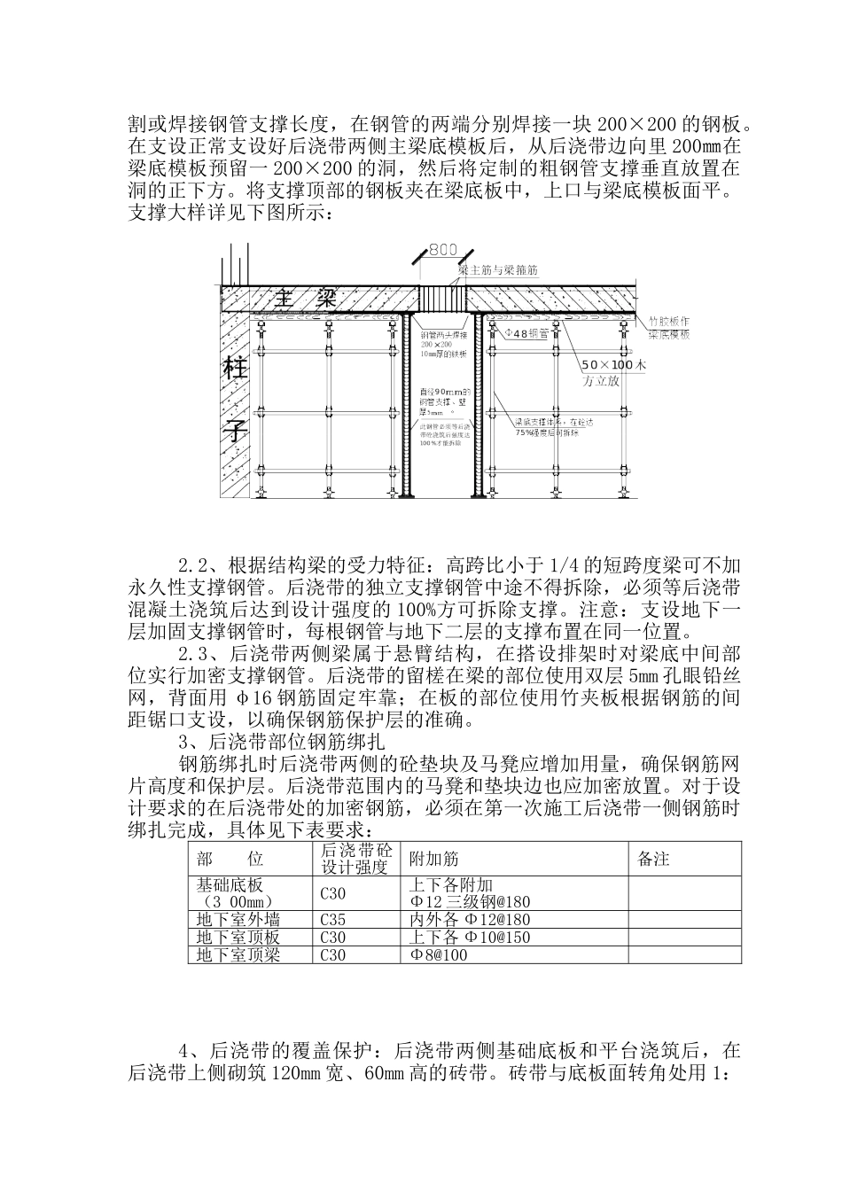
后浇带施工方案一、工程概况远大.雍景台 1#楼为多层商业用房,一二层为独立商铺,三四层为集中商业,地下一层为机动车库和一期地库相连可停 84 辆车,一层层高 4.5m-5.4m, 二 层 以 上 3.6m 地 下 室 4.5m 局 部 3.1m 建 筑 总 高 度16.35m,1 楼 1 轴-9 轴总长度 66.4m,要求在 1 轴和 2 轴跨中设置后浇带。根据建筑特征和法律规范要求,本工程从基础底板到地下室顶板单元之间后浇带为减少温度应力而设置了后浇带(用于防止砼结构收缩裂缝、温度变形)隔开,可以在两侧结构施工完 2 个月后浇筑砼。二、后浇带的模板施工1、基础底板后浇带1.1、按设计要求后浇带止水钢板厚 3㎜,板带宽 350㎜,由专门厂家制作后在现场焊接,按法律规范要求将止水钢板在现场搭接焊接,四面均焊接。止水钢板的详细尺寸形状见下图:止水钢板设置位置:基础底板后浇带弯折边向下、地下室外墙后浇带弯折边向外,水箱间等特别部位折边对迎水面。 1.2、底板后浇带闸槎:在基础垫层上后浇带两侧预制好 100 宽高 40 的细石砼条。当底板下层钢筋网片绑扎完后用与基础底板同标号的取石砂浆在后浇带位置堵住钢筋间距的空格,以防底部漏浆。基础后浇带做法见下图:后浇带闸槎采纳钢丝网片,钢丝网的网眼一般不宜过大,一般以网眼 20 目为宜,用 φ14 钢筋做龙骨,间距 300mm 进行固定,以确保砼浇筑时钢丝网不鼓胀漏浆。依据本工程裙房底板厚度、保护层和钢筋直径,钢筋骨架的高度按两个尺寸加工:135㎜和 150㎜。骨架焊接后外边包裹钢丝网,在两个骨架中间焊接止水钢板,详见下图:钢丝网片止水钢板后浇带钢丝网闸槎示意图Φ14钢筋骨架 1.3 后浇带的上口处理:上层钢筋网片上口统一用木方子闸槎,施工前先对后浇带处的上层钢筋抄平后纠正不水平钢筋确保上口保护层一致。将木龙骨用铁丝固定在钢筋上,同时必须拉直线校直木方子。2、梁板后浇带的处理本工程在地下室车库顶板设置了后浇带,为确保后浇带两侧钢筋砼结构的安全,后浇带两侧采纳独立的支撑体系,与整体平台、梁模板连接处断开,不影响平台、梁模板的拆除。按原来常规做法:后浇带两侧模板及支撑不能拆除,保留到后浇带砼强度达到 100%后拆除,使得大量料具被积压在后浇带造成了料具投入费用的增加。为节约开支,项目部根据公司制定的后浇带统一施工标准要求结合现场结构特点,采纳公司机具中心提供的大直径钢管来加固梁底支撑,钢管直径 90㎜,壁厚 5㎜。2.1、钢管...

1、当您付费下载文档后,您只拥有了使用权限,并不意味着购买了版权,文档只能用于自身使用,不得用于其他商业用途(如 [转卖]进行直接盈利或[编辑后售卖]进行间接盈利)。
2、本站所有内容均由合作方或网友上传,本站不对文档的完整性、权威性及其观点立场正确性做任何保证或承诺!文档内容仅供研究参考,付费前请自行鉴别。
3、如文档内容存在违规,或者侵犯商业秘密、侵犯著作权等,请点击“违规举报”。

碎片内容

后浇带施工方案2

确认删除?
VIP
微信客服
  • 扫码咨询
会员Q群
  • 会员专属群点击这里加入QQ群
客服邮箱
回到顶部