电脑桌面
添加小米粒文库到电脑桌面
安装后可以在桌面快捷访问

坑道设计方案

坑道设计方案_第1页
1/3
坑道设计方案_第2页
2/3
坑道设计方案_第3页
3/3
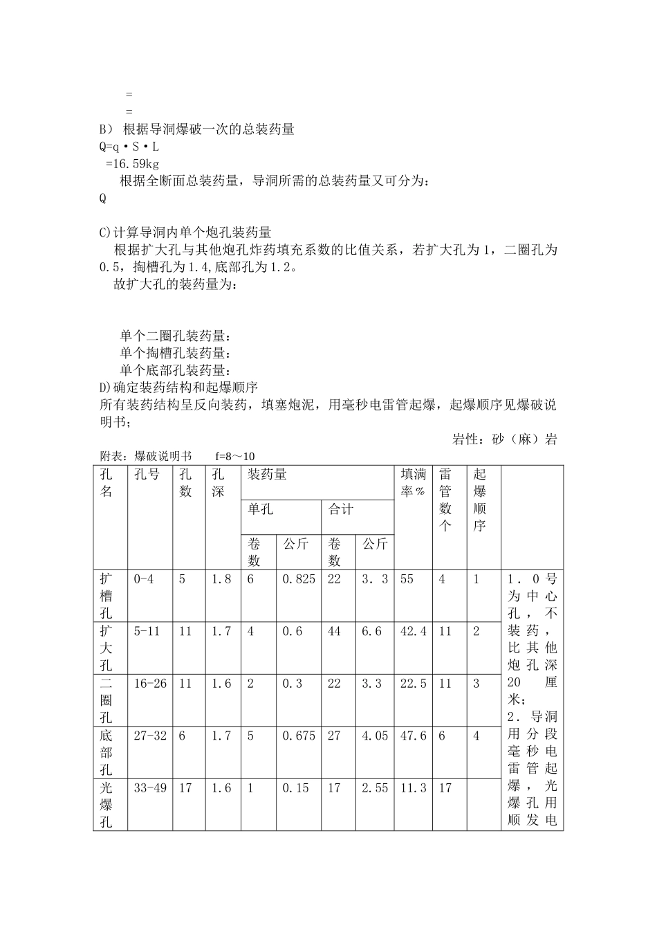
坑道设计方案掘进(爆破)形式:采纳光面爆破钻爆方案坑道的情况:断面 2.8×2.9㎡的直墙半圆拱,底层 f=8~10 的砂岩,要求采纳二号岩石硝铵炸药进行光面爆破掘进。(1) 确定开挖方案: 根据本坑道的实际情况,决定采纳全断面一次开挖,导洞作业面比光爆作业面超前 5m。(2) 确定全断面的炮孔数目:A)若根据炮孔密度考虑:6 个/㎡时 N=6×S=43.66 个7 个/㎡时 N=7×S=50.94 个B)若根据同面积普通爆破方法的二倍计算: N=2×3.0×结合实际情况,取 N=51 个 (3)确定光面层的各项钻爆参数 ① 确定炮孔深度 根据实际作业情况,选择炮孔深度为 1.5 米 ② 确定光爆炮孔的间距 根据经验公式以及爆破作业要求 取 E=40cm 光爆孔的数目: 取 20其中底角两炮孔为底部孔,故光爆孔为 18 个 ③ 确定光爆炮孔密度系数和光面层厚度 炮孔密度系数:k=0.8—1.0 左右 取 K=0.9,则 W=45cm ④ 确定光爆炮孔装药量和装药结构 通过对光面爆破作用分析,光爆主要是以爆生气体的静压作用为主。 理论计算公式:g---单孔装药量 kg W---抵抗线厚度 mmE---炮孔间距 mm L---炮孔深度 mmRb---岩石抗压强度 N/m㎡Z---每千克药爆炸后产生的压力 2#硝铵炸药取 ⑤ 计算装药量A) 计算爆破导洞单位岩体炸药消耗量 f=8~10q= = =B) 根据导洞爆破一次的总装药量Q=q·S·L =16.59kg 根据全断面总装药量,导洞所需的总装药量又可分为:QC)计算导洞内单个炮孔装药量 根据扩大孔与其他炮孔炸药填充系数的比值关系,若扩大孔为 1,二圈孔为0.5,掏槽孔为 1.4,底部孔为 1.2。 故扩大孔的装药量为: 单个二圈孔装药量: 单个掏槽孔装药量: 单个底部孔装药量:D)确定装药结构和起爆顺序所有装药结构呈反向装药,填塞炮泥,用毫秒电雷管起爆,起爆顺序见爆破说明书;岩性:砂(麻)岩附表:爆破说明书f=8~10孔名孔号孔数孔深装药量填满率﹪雷管数个起爆顺序单孔合计卷数公斤卷数公斤扩槽孔0-451.860.825223.355411 . 0 号为 中 心孔 , 不装 药 ,比 其 他炮 孔 深20厘米;2.导洞用 分 段毫 秒 电雷 管 起爆 , 光爆 孔 用顺 发 电扩大孔5-11111.740.6446.642.4112二圈孔16-26111.620.3223.322.5113底部孔27-3261.750.675274.0547.664光爆孔33-49171.610.15172.5511.317雷 管 一次起爆。合计5019.849说明:1. 进断面:S=7.28㎡2. 炮眼密度:6.87 个/㎡3. 单位岩体耗:1.72kg/m34. 单位岩体耗雷管量

1、当您付费下载文档后,您只拥有了使用权限,并不意味着购买了版权,文档只能用于自身使用,不得用于其他商业用途(如 [转卖]进行直接盈利或[编辑后售卖]进行间接盈利)。
2、本站所有内容均由合作方或网友上传,本站不对文档的完整性、权威性及其观点立场正确性做任何保证或承诺!文档内容仅供研究参考,付费前请自行鉴别。
3、如文档内容存在违规,或者侵犯商业秘密、侵犯著作权等,请点击“违规举报”。

碎片内容

坑道设计方案

确认删除?
VIP
微信客服
  • 扫码咨询
会员Q群
  • 会员专属群点击这里加入QQ群
客服邮箱
回到顶部