电脑桌面
添加小米粒文库到电脑桌面
安装后可以在桌面快捷访问

墙砖地砖施工方案

墙砖地砖施工方案_第1页
1/6
墙砖地砖施工方案_第2页
2/6
墙砖地砖施工方案_第3页
3/6
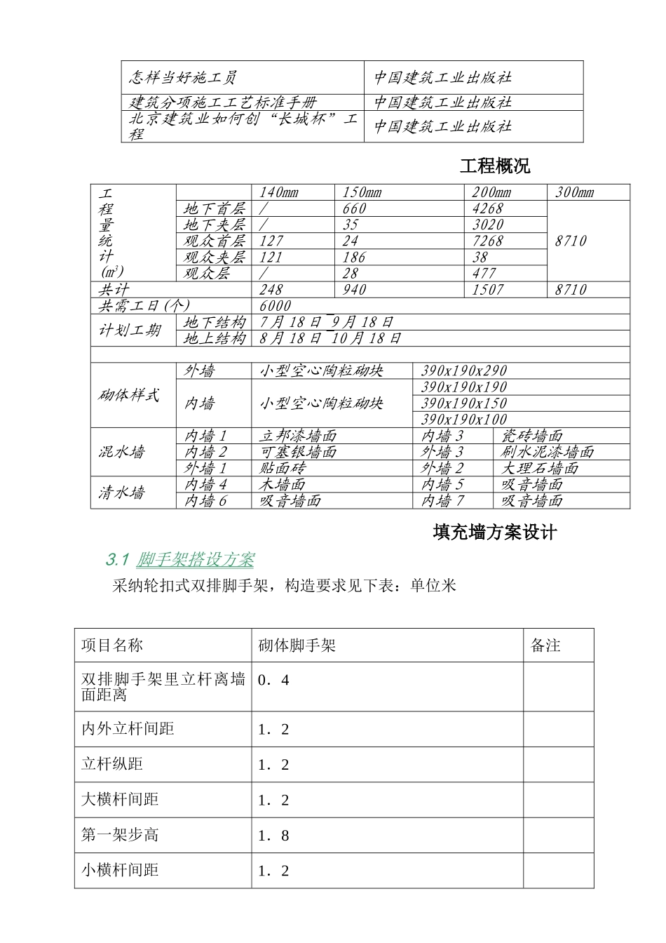
中国人民大学多功能体育馆墙砖、地砖施工方案编 制:审 核:中国建筑第八工程局二 OO 一年 月 日 1.编制依据............................................................................................................12. 工程概况............................................................................................................23. 填充墙方案设计................................................................................................33.1脚手架搭设方案.................................................................................................................................33.2运输选用.............................................................................................................................................33.3砌体与柱子的相对位置.....................................................................................................................43.4砌体高度.............................................................................................................................................43.5小门垛的处理.....................................................................................................................................43.6门窗洞口的预留大小.........................................................................................................................43.7样板间.................................................................................................................................................43.8砌体原则.............................................................................................................................................44. 施工准备............................................................................................................44.1作业条件.............................................................................................................................................44.2材料准备....................................................................

1、当您付费下载文档后,您只拥有了使用权限,并不意味着购买了版权,文档只能用于自身使用,不得用于其他商业用途(如 [转卖]进行直接盈利或[编辑后售卖]进行间接盈利)。
2、本站所有内容均由合作方或网友上传,本站不对文档的完整性、权威性及其观点立场正确性做任何保证或承诺!文档内容仅供研究参考,付费前请自行鉴别。
3、如文档内容存在违规,或者侵犯商业秘密、侵犯著作权等,请点击“违规举报”。

碎片内容

墙砖地砖施工方案

不二商店+ 关注
实名认证
内容提供者

我是你的不二选择

确认删除?
VIP
微信客服
  • 扫码咨询
会员Q群
  • 会员专属群点击这里加入QQ群
客服邮箱
回到顶部