电脑桌面
添加小米粒文库到电脑桌面
安装后可以在桌面快捷访问

墙体节能专项施工方案

墙体节能专项施工方案_第1页
1/12
墙体节能专项施工方案_第2页
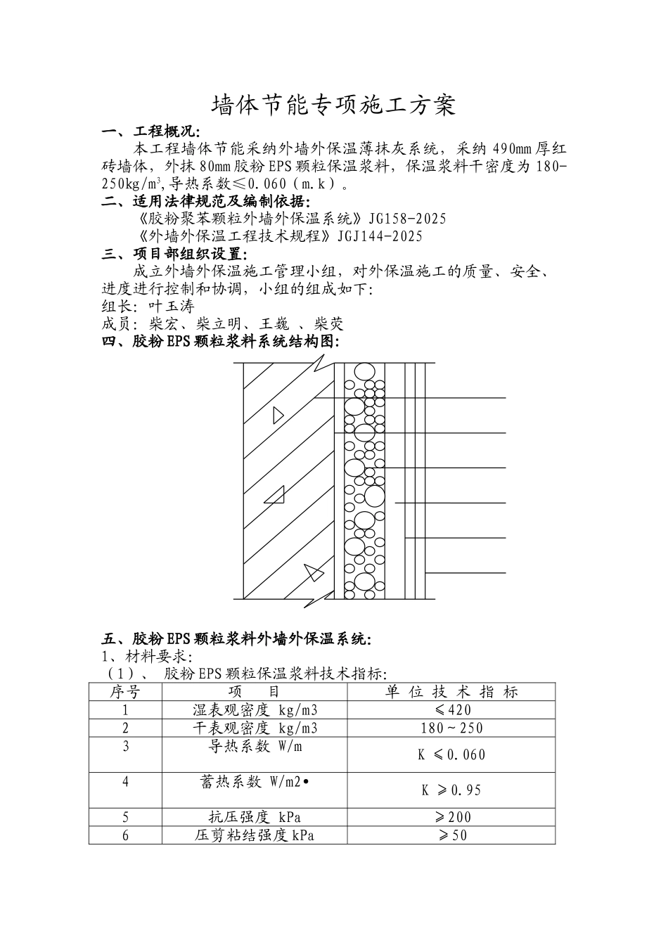
2/12
墙体节能专项施工方案_第3页
3/12
墙体节能专项施工方案一、工程概况:本工程墙体节能采纳外墙外保温薄抹灰系统,采纳 490mm 厚红砖墙体,外抹 80mm 胶粉 EPS 颗粒保温浆料,保温浆料干密度为 180-250㎏/m3,导热系数≤0.060(m.k)。二、适用法律规范及编制依据: 《胶粉聚苯颗粒外墙外保温系统》JG158-2025《外墙外保温工程技术规程》JGJ144-2025三、项目部组织设置:成立外墙外保温施工管理小组,对外保温施工的质量、安全、进度进行控制和协调,小组的组成如下:组长:叶玉涛成员:柴宏、柴立明、王巍 、柴荧四、胶粉 EPS 颗粒浆料系统结构图:五、胶粉 EPS 颗粒浆料外墙外保温系统:1、材料要求:(1)、 胶粉 EPS 颗粒保温浆料技术指标:序号项 目单 位 技 术 指 标1湿表观密度 kg/m3≤4202干表观密度 kg/m3180~2503导热系数 W/mK ≤0.0604蓄热系数 W/m2•K ≥0.955抗压强度 kPa≥2006压剪粘结强度 kPa≥507线性收缩率 %≤0.38软化系数≥0.59难燃性B1 级2、胶粉 EPS 颗粒指标要求:序号项 目单 位 技 术 指 标1初 凝 时 间h ≥42终 凝 时 间h ≤123安定性(试饼法)合格4拉伸粘结强度 MPa≥0.65浸水拉伸粘结强度 MPa≥0.4 3、胶粉 EPS 颗粒性能指标要求:序号项 目单 位 技 术 指 标1堆 积 密 度 Kg/m38.0~21.02粒度(5mm 筛孔筛余)%≤5 4、抗裂剂及抗裂砂浆性能指标:序号项 目单 位 技 术 指 标1抗裂剂 不挥发物含量%≥202贮存稳定性(20℃±5℃)6 个月,试样无结块凝聚及发霉现象,且拉伸粘结强度满足抗裂砂浆指标要求3抗裂砂浆 可使用时间 可操作时间h ≥1.5,在可操作时间内拉伸粘结强度 MPa ≥0.74拉伸粘结强度(常温 28d) MPa≥0.7, 浸水拉伸粘结强度(常温 28d,浸水 7d) Mpa ≥0.5六、施工作业条件:主体结构已经过相关单位(建设单位、施工单位、质量监理、设计单位)检验合格,方可进行外保温工程。外墙外门窗、附框施工验收完毕,作业时环境温度不低于5℃,风力不大于 5 级,风速不大于 10m/s,雨天不得施工。七、胶粉 EPS 颗粒保温浆料体系外墙外保温施工程序: 基层墙体处理→墙体基层涂刷专用界面砂浆→吊垂直、套方、弹控制线→用保温浆料作灰饼、作冲筋、作口→每遍抹保温浆料约20㎜→24h 后,抹 20㎜厚聚苯颗粒保温浆料找平→晾置干燥,平整度、垂直度验收→划分格线、门、窗、口、滴水槽→抹抗裂砂浆,铺压玻纤网布→抹第二遍抗裂砂浆→抗裂防护层验收→涂...

1、当您付费下载文档后,您只拥有了使用权限,并不意味着购买了版权,文档只能用于自身使用,不得用于其他商业用途(如 [转卖]进行直接盈利或[编辑后售卖]进行间接盈利)。
2、本站所有内容均由合作方或网友上传,本站不对文档的完整性、权威性及其观点立场正确性做任何保证或承诺!文档内容仅供研究参考,付费前请自行鉴别。
3、如文档内容存在违规,或者侵犯商业秘密、侵犯著作权等,请点击“违规举报”。

碎片内容

墙体节能专项施工方案

确认删除?
VIP
微信客服
  • 扫码咨询
会员Q群
  • 会员专属群点击这里加入QQ群
客服邮箱
回到顶部