电脑桌面
添加小米粒文库到电脑桌面
安装后可以在桌面快捷访问

富强财富广场临时用电施工方案.

富强财富广场临时用电施工方案._第1页
1/8
富强财富广场临时用电施工方案._第2页
2/8
富强财富广场临时用电施工方案._第3页
3/8
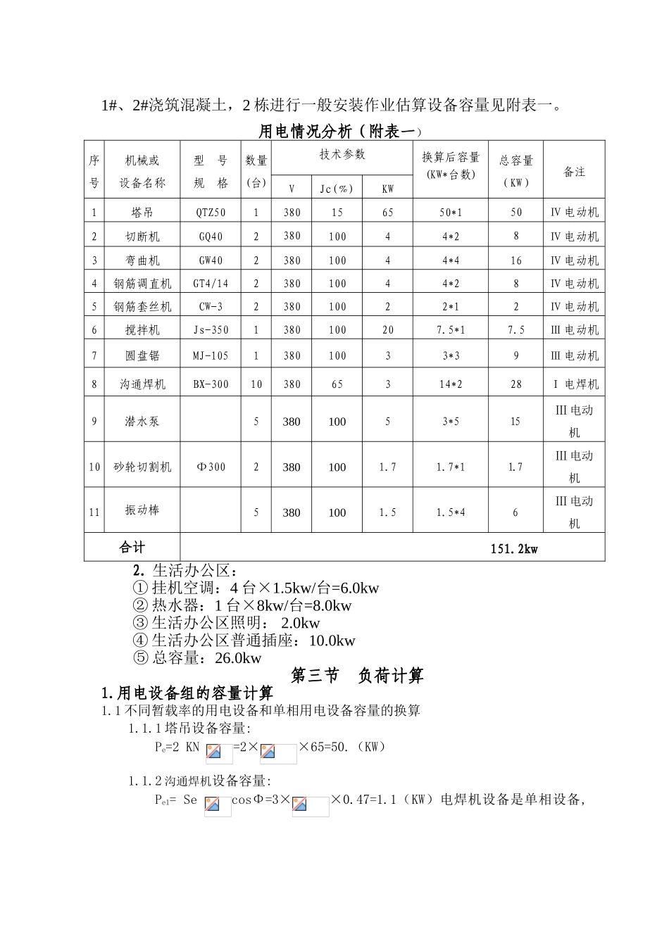
富强财宝广场商住小区工程 临时用电施工方案 建设单位:富强房地产开发有限公司 监理单位: 施工单位:四川新苑建筑有限公司 编制人: 审批人: 编制日期: 第一章 编制说明 第一节 编制依据1、四川省兴发规划建筑设计的富强财宝广场商住小区项目;2、现行国家建筑施工法律规范、标准;3、四川省建筑技术、质量、安全方面的有关法律规范和要求;4、本工程特点、施工现场环境、自然条件等;5、本工程施工用的验收及法律规范:《建筑机械使用安全技术规程》(JGJ33-2001)《施工现场临时用电安全技术规程》(JGJ46-2025)《建筑施工安全检查评分标准》(JGJ59-99)6、我公司 ISO9002 质量保证体系的有关程序文件;7、我公司历年积累的有关建筑施工的经验资料。第二节 适用范围和说明本工程施工用电设计适用于富强财宝广场商住小区工程现场,主要用于施工现场、宿舍及生活照明用电。 第二章 工程概况 工程名称:富强财宝广场商住小区工程 1#、2# 建设单位:富强房地产开发有限公司 施工单位:四川新苑建筑有限公司 设计单位:四川省兴发规划建筑设计有限公司 工程地址:梓潼县文昌路中段 第三章 施工用电设计 第一节 施工用电平面布置设计一、用电平面说明本工程施工用电现场在西南面已有一个总配电箱,采纳导线 VV22-4*120+1*50,并在总配电箱处作重复接地。本工程施工用电平面分为:(1)施工用电:① 地面施工用电线路② 垂直运输施工用电线路③ 楼面施工用电线路④ 施工用电备用线路(2)生活用电:① 宿舍区照明用电② 办公区照明用电分电源采纳三相五线制分二个支路进行供电,中性点在配电房重复接地,接地电阻小于 4 欧姆,每台用电设备及移动式配电箱均设漏电开关1m=30Ma,动作时间 0.1S;线路敷设采纳架空与穿钢管埋地相结合的方式,线路始、中、终点进行重复接地。 第二节 用电情况分析1、根据甲方提供的建筑方案平面图,我方施工的 B 区场地拟建 1#商业、2#住宅。根据施工经验,最快 4 天一层,最慢 6 天一层(目前临时按 5 天一层)的施工进度考虑。由于场地限制 1#、2#分开浇筑混凝土,高峰期时同天之中 1#、2#同时浇筑混凝土。以下按同天之中1#、2#浇筑混凝土,2 栋进行一般安装作业估算设备容量见附表一。 用电情况分析(附表一)序号机械或设备名称型 号规 格数量(台)技术参数 换算后容量(KW*台数)总容量(KW)备注VJc(﹪)KW1塔吊QTZ501380156550*150Ⅳ 电动机2切断机GQ40238010044...

1、当您付费下载文档后,您只拥有了使用权限,并不意味着购买了版权,文档只能用于自身使用,不得用于其他商业用途(如 [转卖]进行直接盈利或[编辑后售卖]进行间接盈利)。
2、本站所有内容均由合作方或网友上传,本站不对文档的完整性、权威性及其观点立场正确性做任何保证或承诺!文档内容仅供研究参考,付费前请自行鉴别。
3、如文档内容存在违规,或者侵犯商业秘密、侵犯著作权等,请点击“违规举报”。

碎片内容

富强财富广场临时用电施工方案.

一帆文传+ 关注
实名认证
内容提供者

欢迎光临店铺,各类公文供您挑选。

确认删除?
VIP
微信客服
  • 扫码咨询
会员Q群
  • 会员专属群点击这里加入QQ群
客服邮箱
回到顶部