电脑桌面
添加小米粒文库到电脑桌面
安装后可以在桌面快捷访问

无人银行系统设计方案

无人银行系统设计方案_第1页
1/6
无人银行系统设计方案_第2页
2/6
无人银行系统设计方案_第3页
3/6
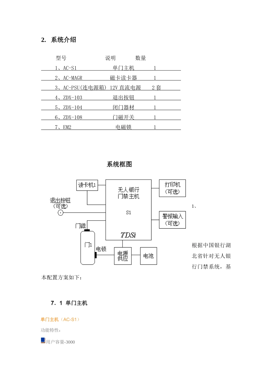
1. 无人银行系统总体设计方案银行是经营无形态和有形态货币的部门,运行的主体是货币。常常性的大量的工作,则通常表现为对现钞的操作。要实现操作,就要有货币、人、环境、和设备。通过安放金融设备服务客户, 使银行不便设立机构的死角地带、效率低的业务、银行防范等问题得到解决。针对上述问题, 推出 TDSi 无人银行门禁系统,其安全性、稳定性、操作简便及可扩充性等性能方面,完全符合金融业等重要、保密部门的需要。TDSi 出入口控制系统是在英国设计和制造的高品质保安设备,已获得欧洲CE 质量认证。其"S"系列系统出入口控制设备能以极其经济、灵活的配置为金融单位、政府主要机关、部队保密单位、现代化工矿企事业单位、机场、监狱、仓库、商场等需要对其出入口进行监视和管理的各类单位提供高水平的保障。经过世界各地广泛使用,"S"系统出入口控制设备已被公认为世界上类同产品中最先进的系统设备,其设计标准和技术性能指标均优于其它同类产品。该系统安装容易,编程简单,并可满足出入口控制管理的各种要求,其品质卓越,可以连续无故障地工作而不会有常常维修之苦恼。该系统具有高度的灵活性,入口识别既可以使用 TDSi 红外读卡系统装置,也可以用其它通用读卡设备。系统主机能够以独立方式工作(带编程器)主机之间也可相互联接,在与使用视窗环境下"超级卫士"软件的计算机联网,由控制室的计算机对不同地点的出入口控制系统进行统一控制、监视和管理。联网系统可满足单门、多门和多位置的各种安全监控要求,计算机可控制多达 1024个门(256 个 S4 控制主机),在任何一出入口控制通行的人数多达 10,000 人。此外系统功能还包括:夏令时调整,多张连续编码的卡一次安装,定时开门,语言选择,电梯控制和防反传等,这些功能可使系统更为有用及有效。TDSi 无人银行门禁系统适用于国内各种借记卡、信用卡等金融卡,即可满足仅一种银行发行的金融卡使用,也可满足多种银行发行的金融卡同时使用,而禁止无卡人员进入。TDSi 磁卡读卡器采纳高密磁头,极大提高了准确性和使用寿命;其金属外壳及密封装置,增强了防破坏能力,使其完全适合于户外安装。TDSi 门禁系统在欧洲国家得到广泛应用及高度评价,是欧美产品中的顶极品牌。2. 系统介绍型号 说明 数量 1 、 AC-S1 单门主机 1 2 、 AC-MAGR 磁卡读卡器 1 3 、 AC-PSU ( 连电源箱 ) 12V 直流电源 2 套 4 、 ZDX-103 退出按钮 1 5 、 ZDX-10...

1、当您付费下载文档后,您只拥有了使用权限,并不意味着购买了版权,文档只能用于自身使用,不得用于其他商业用途(如 [转卖]进行直接盈利或[编辑后售卖]进行间接盈利)。
2、本站所有内容均由合作方或网友上传,本站不对文档的完整性、权威性及其观点立场正确性做任何保证或承诺!文档内容仅供研究参考,付费前请自行鉴别。
3、如文档内容存在违规,或者侵犯商业秘密、侵犯著作权等,请点击“违规举报”。

碎片内容

无人银行系统设计方案

确认删除?
VIP
微信客服
  • 扫码咨询
会员Q群
  • 会员专属群点击这里加入QQ群
客服邮箱
回到顶部