电脑桌面
添加小米粒文库到电脑桌面
安装后可以在桌面快捷访问

波尔玛改性聚苯板施工方案

波尔玛改性聚苯板施工方案_第1页
1/7
波尔玛改性聚苯板施工方案_第2页
2/7
波尔玛改性聚苯板施工方案_第3页
3/7
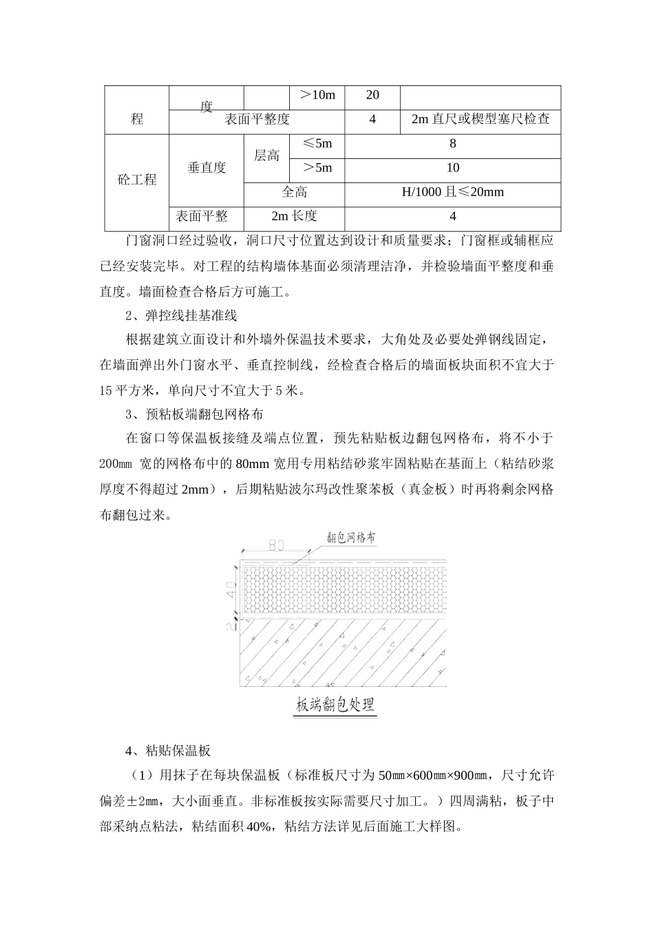
波尔玛改性聚苯板(真金板)施工方案一、外墙外保温施工方案(一)、工艺流程基层清理→抄平放线→配聚合物粘结砂浆→波尔玛改性聚苯板(真金板)→安装尼龙胀栓→配制聚合物抹面砂浆→抹底层聚合物抹面砂浆→压入耐碱玻璃纤维网格布→抹罩面聚合物抹面砂浆→保温层验收。(二)、结构简图(三)、外墙外保温的主要施工步骤1、基层处理基层验收应符合《混凝土结构工程施工质量验收法律规范》(GB50204-2025)和《砌块工程施工质量验收法律规范》(GB50203-2025)规定的要求。墙体基面尺寸偏差应符合下表规定:工程做法项目允许偏差,≤,㎜砌体工墙面垂直每层4 2m 托线板检查全高≤10m10经纬仪或吊线检查程度>10m20表面平整度42m 直尺或楔型塞尺检查砼工程垂直度层高≤5m8>5m10全高H/1000 且≤20mm表面平整2m 长度4门窗洞口经过验收,洞口尺寸位置达到设计和质量要求;门窗框或辅框应已经安装完毕。对工程的结构墙体基面必须清理洁净,并检验墙面平整度和垂直度。墙面检查合格后方可施工。2、弹控线挂基准线根据建筑立面设计和外墙外保温技术要求,大角处及必要处弹钢线固定,在墙面弹出外门窗水平、垂直控制线,经检查合格后的墙面板块面积不宜大于15 平方米,单向尺寸不宜大于 5 米。3、预粘板端翻包网格布在窗口等保温板接缝及端点位置,预先粘贴板边翻包网格布,将不小于200mm 宽的网格布中的 80mm 宽用专用粘结砂浆牢固粘贴在基面上(粘结砂浆厚度不得超过 2mm),后期粘贴波尔玛改性聚苯板(真金板)时再将剩余网格布翻包过来。4、粘贴保温板(1)用抹子在每块保温板(标准板尺寸为 50㎜×600㎜×900㎜,尺寸允许偏差±2㎜,大小面垂直。非标准板按实际需要尺寸加工。)四周满粘,板子中部采纳点粘法,粘结面积 40%,粘结方法详见后面施工大样图。(2) 涂好后立即将保温板贴在墙面上,动作要迅速,以防止粘结剂结皮而失去粘结作用。(3) 保温板贴在墙上时,应用 2 米靠尺进行压平操作,板面高差尽量控制在 2㎜以内,保证其平整度和粘结牢固。波尔玛改性聚苯板(真金板)粘贴完毕后板面尽量不要打磨,粘贴时应控制好板面平整度。板与板之间要挤紧,不得有较大的缝隙。若因保温板面不方正或裁切不直形成大于 2mm 的缝隙,应用保温板条塞入并打磨平。(4) 保温板应水平粘贴,大面由下向上,保证连续结合,而且上下两排保温板应竖向错缝搭接,搭接长度不小于 10 厘米。(5) 在墙拐角处,应先排好尺寸,裁切保温板...

1、当您付费下载文档后,您只拥有了使用权限,并不意味着购买了版权,文档只能用于自身使用,不得用于其他商业用途(如 [转卖]进行直接盈利或[编辑后售卖]进行间接盈利)。
2、本站所有内容均由合作方或网友上传,本站不对文档的完整性、权威性及其观点立场正确性做任何保证或承诺!文档内容仅供研究参考,付费前请自行鉴别。
3、如文档内容存在违规,或者侵犯商业秘密、侵犯著作权等,请点击“违规举报”。

碎片内容

波尔玛改性聚苯板施工方案

雏圣文化+ 关注
实名认证
内容提供者

欢迎光临,大量办公文档供您挑选。

确认删除?
VIP
微信客服
  • 扫码咨询
会员Q群
  • 会员专属群点击这里加入QQ群
客服邮箱
回到顶部