电脑桌面
添加小米粒文库到电脑桌面
安装后可以在桌面快捷访问

玻璃器皿的验证

玻璃器皿的验证_第1页
1/5
玻璃器皿的验证_第2页
2/5
玻璃器皿的验证_第3页
3/5
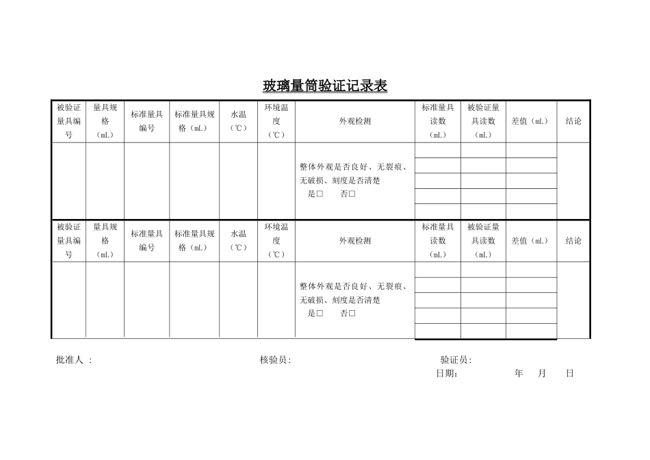
玻璃量具的验证作业指导书1、目的为使我公司使用的玻璃量具能够处于完好状态,测量准确。保证检验结果的准确性、有效性,特编制本指导书。2、适用范围规格为 5mL、10mL、25mL、50mL、100mL、250mL、500mL、1000mL、2000mL 的量筒,规格为 500mL、1000mL 的容量瓶规格为 30mL 沥青密度瓶,10mL、25mL、50mL 大肚的移液管规格为 250mL 的李氏比重瓶,50mL、100mL 的土粒比重瓶规格为 250mL 的沥青乳液稳定性管,225mL 的水泥量水器3、被测定参数玻璃量具的整体外观是否良好,无裂痕、无破损、刻度是否清楚,称量的液体的准确度。4、验证程序1)选取适宜操作的场地进行验证工作,操作室内温度要求为 20℃±2℃,使用水为饮用水,并在室温为 20℃±2℃的室内静置 24h 以上,并保持水温在 20℃±2℃。2)工作开始前要对被验证量具标识并详细记录量具名称等信息。3)记录数据时应同时至少有两名测试人员同时在场,同一数据要经过两人一至确认。使用《玻璃量具验证记录表》记录验证过程中所观测到的数据。5、验证原则1)量筒的验证确定被验证量筒后,选定与该量筒有比例关系的量程进行测量。选用精度等级大于或等于该量具的“标准量具”注量筒,采纳相同温度的水,先将被测量筒装水至所需刻度线,再倒入已经润湿的标准量筒中,记录相差数值。误差范围如图表 1总容量 mL510255010025050010002000分度值 mL0.10.20.211251020容量允差 mL±0.10±0.20±0.50±0.50±1.0±2.0±5.0±10.0±20.02)容量瓶的验证取被验证容量瓶,称其干燥重量 m,用 20℃的水加入容量瓶至刻度线,再称其瓶加水重 M,容量瓶体积 V=M-m/ρ 水(ρ 水=1g/cm3) 取两次求平均值 。 误差范围如表 2总容量 mL5001000容量允差 mL±0.50±0.803)李氏比重瓶 确定被验证的玻璃器皿后,用标准同类玻璃器皿取一定量水之任一刻度线,然后小心倒入待验证玻璃器皿,直接读取数值,计算两数值之间的差值。4)土粒比重瓶、沥青乳液稳定性管、沥青密度瓶、水泥量水器、大肚的移液管的验证确定被验证玻璃器皿后,观察其整体外观是否良好,无裂痕、无破损、刻度是否清楚。6、误差要求量筒、大肚移液管、李氏比重瓶的精度误差要求小于或等于本身最小精度。7、分析和结论对应不同的玻璃量具,误差小于要求的,准予使用。超出标准要求范围的,停止使用。8、有效期根据北京市地方标准《建设工程检测试验管理规程》DB11/T386-2025 要求,玻璃量具的检定周期为一次性,使用的...

1、当您付费下载文档后,您只拥有了使用权限,并不意味着购买了版权,文档只能用于自身使用,不得用于其他商业用途(如 [转卖]进行直接盈利或[编辑后售卖]进行间接盈利)。
2、本站所有内容均由合作方或网友上传,本站不对文档的完整性、权威性及其观点立场正确性做任何保证或承诺!文档内容仅供研究参考,付费前请自行鉴别。
3、如文档内容存在违规,或者侵犯商业秘密、侵犯著作权等,请点击“违规举报”。

碎片内容

玻璃器皿的验证

确认删除?
VIP
微信客服
  • 扫码咨询
会员Q群
  • 会员专属群点击这里加入QQ群
客服邮箱
回到顶部