电脑桌面
添加小米粒文库到电脑桌面
安装后可以在桌面快捷访问

玻璃幕墙脚手架施工方案

玻璃幕墙脚手架施工方案_第1页
1/10
玻璃幕墙脚手架施工方案_第2页
2/10
玻璃幕墙脚手架施工方案_第3页
3/10
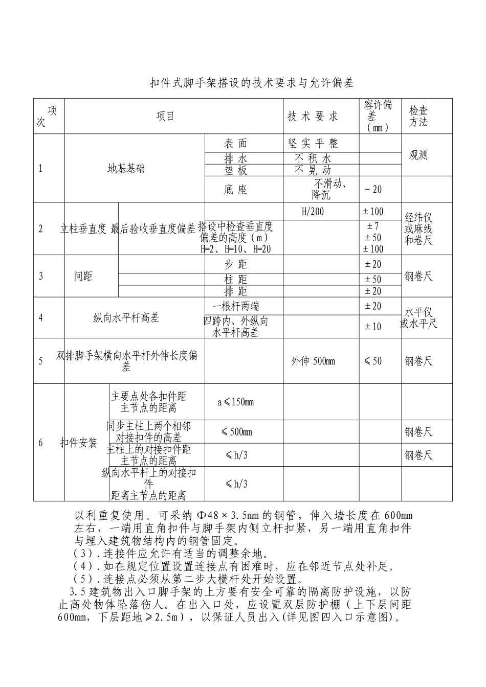
脚手架施工方案一、编制依据1、施工图纸2、施工组织设计3、主要法律规范、规程序号法律规范、规程名称法律规范、规程名称编号1《建筑施工扣件式钢管脚手架安全技术法律规范》JGJ130-20012《建筑施工高处作业安全技术法律规范》JGJ80-913《建筑结构荷载法律规范》GB50029-20254《建筑施工安全检查标准》JQJ59-995《钢管脚手架扣件》JGJ22-85二 、工程概况工程名称:中华人民共和国东营出入境检验检疫局综合试验楼修缮外装修工程。工程地点:府前街以北、滨州路以东建设单位:中华人民共和国东营出入境检验检疫局设计单位: 东营市建筑设计讨论院监理单位:东营市筑博建设工程监理有限公司工 程 规 模 : 原 有 瓷 砖 外 墙 面 改 造 为 幕 墙 墙 面 , 改 造 面 积4512.8m2,计划投资 330 万元。脚手架搭设范围:东营出入境检验检疫局综合试验楼南立面及东西立面。三、钢管脚手架的施工3.1 扣件式钢管脚手架的搭设顺序 基础夯实→放置纵向扫地杆→立柱→横向扫地杆→第一步纵向水平杆→第一步横向水平杆→连墙件→第二步纵向水平杆→第二步横向水平杆……3.2 脚手架的基础着地搭设的建筑施工用脚手架,脚手架的自重及其上的施工荷载均由脚手架基础传至地基。因此,要使脚手架保持稳定、牢固和安全,必须首先要有一个牢固的脚手架基础。先将地面砂石回填夯实,立杆底座置于面积不小于 0.25m2 的垫板上。3.3 扣件式钢管脚手架的搭设建筑施工用的扣件式钢管脚手架搭设的基本要求是:横平竖直整齐清楚,图形一致,平竖通顺,连接牢固,受荷安全,有安全操作空间,不变形,不摇晃。扣件式钢管脚手架搭设的施工顺序如下:脚手架搭设是在脚手架基础完成后进行的。首步脚手架的步高为 1800,离底部 200mm 处设置一道大、小横杆(地杆),以保持脚手架底部的整体性(详见后附图一)。底部的立柱应间隔交叉用不同长度的钢管,将相邻立柱的对接接头位于不同高度上,使立柱受荷的薄弱截面错开。脚手架搭设时先立立柱,立柱架设先立里侧立柱,后立外侧立柱,立立柱时要临时固定。临时固定方法可与建筑物结构临时连接,也可设临时斜撑。架设脚手架时,切勿单独一人操作,要防止脚手架倒塌伤人。立柱立好后,即架设大、小横杆,当第一步的大、小横杆架设完毕后,即在其上铺设脚手板,做好固定件,以方便操作者上去架设第二步脚手架。同时,在立柱的外侧的规定位置及时设置剪刀撑,以防止脚手架纵向倾倒。剪刀撑的设置应与脚手...

1、当您付费下载文档后,您只拥有了使用权限,并不意味着购买了版权,文档只能用于自身使用,不得用于其他商业用途(如 [转卖]进行直接盈利或[编辑后售卖]进行间接盈利)。
2、本站所有内容均由合作方或网友上传,本站不对文档的完整性、权威性及其观点立场正确性做任何保证或承诺!文档内容仅供研究参考,付费前请自行鉴别。
3、如文档内容存在违规,或者侵犯商业秘密、侵犯著作权等,请点击“违规举报”。

碎片内容

玻璃幕墙脚手架施工方案

您可能关注的文档

确认删除?
VIP
微信客服
  • 扫码咨询
会员Q群
  • 会员专属群点击这里加入QQ群
客服邮箱
回到顶部