电脑桌面
添加小米粒文库到电脑桌面
安装后可以在桌面快捷访问

盖梁满堂支架施工方案

盖梁满堂支架施工方案_第1页
1/17
盖梁满堂支架施工方案_第2页
2/17
盖梁满堂支架施工方案_第3页
3/17
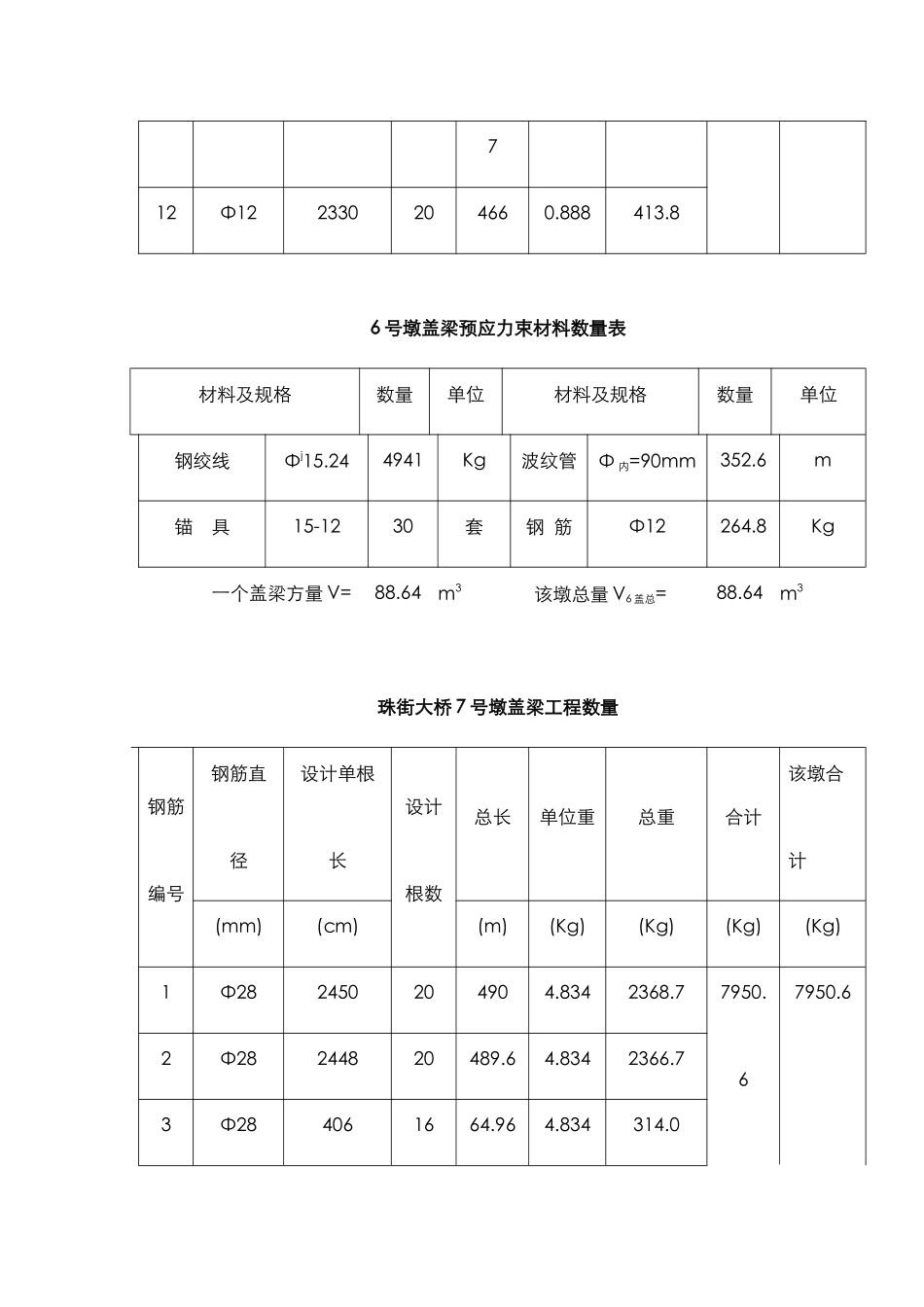
第一部分 盖梁满堂支架施工方案一、概述1.1 工程概况广砚高速珠街大桥 6#、7#墩盖梁因盖梁长、方量大,故考虑用满堂支架法施工,两盖梁皆为 C40 预应力钢筋砼盖梁,长宽高尺寸大概为:23.7×2.3×1.7m,具体尺寸见《钢管支架布置图》。6#墩盖梁为三墩支撑,三墩高度分别为:16.08m(6-1)、16.58m(6-2)、16.908m(6-3),7#墩盖梁两墩支撑,两墩高度分别为:16.224m(7-1)、16.764m(7-2),盖梁顶与底设置 4%横坡。1.2 盖梁工程量珠街大桥 6 号墩盖梁工程数量钢筋编号钢筋直径设计单根长设计根数总长单位重总重合计该墩合计(mm)(cm)(m)(Kg)(Kg)(Kg)(Kg)1Φ282320204644.8342243.0 7942.5 7942.5 2Φ28267620535.24.8342587.2 3Φ28855868.44.834330.6 4Φ2827388240.244.8341161.3 5Φ2826848128.644.834621.8 6Φ28413833.044.834159.7 7Φ28721857.684.834278.8 8Φ283931662.884.834304.0 9Φ283311652.964.834256.0 10Φ125053961999.80.8881775.8 3888.1 3888.1 11Φ124833961912.0.8881698.5 712Φ122330204660.888413.8 6 号墩盖梁预应力束材料数量表材料及规格数量单位材料及规格数量单位钢绞线Φj15.244941Kg波纹管Φ 内=90mm352.6 m锚 具15-1230套钢 筋Φ12264.8 Kg一个盖梁方量 V=88.64m3该墩总量 V6 盖总=88.64m3珠街大桥 7 号墩盖梁工程数量钢筋编号钢筋直径设计单根长设计根数总长单位重总重合计该墩合计(mm)(cm)(m)(Kg)(Kg)(Kg)(Kg)1Φ282450204904.8342368.7 7950.6 7950.6 2Φ28244820489.64.8342366.7 3Φ284061664.964.834314.0 4Φ285271684.324.834407.6 5Φ2826864171.524.834829.1 6Φ2822268178.084.834860.8 7Φ282371637.924.834183.3 8Φ282261636.164.834174.8 9Φ282051632.84.834158.6 10Φ281931630.884.834149.3 11Φ281781628.484.834137.7 12Φ122330102330.888206.9 3689.0 3689.0 13Φ12198510198.50.888176.3 14Φ124832621265.50.8881123.7 14'Φ12406136552.10.888490.3 615Φ125052621323.10.8881174.9 15'Φ12428136582.080.888516.9 7 号墩盖梁预应力束材料数量表材料及规格数量单位材料及规格数量单位钢绞线Φj15.243942Kg波纹管Φ 内=90mm281.3 m锚 具15-1224套钢 筋Φ12172.8 Kg一个盖梁方量 V=81.4m3该墩总量 V7 盖总=81.4m3从上工程量可知,6#墩盖梁钢筋总量及砼方量大于 7#墩盖梁,故只对 6#墩进行验算即可。1.3 施工...

1、当您付费下载文档后,您只拥有了使用权限,并不意味着购买了版权,文档只能用于自身使用,不得用于其他商业用途(如 [转卖]进行直接盈利或[编辑后售卖]进行间接盈利)。
2、本站所有内容均由合作方或网友上传,本站不对文档的完整性、权威性及其观点立场正确性做任何保证或承诺!文档内容仅供研究参考,付费前请自行鉴别。
3、如文档内容存在违规,或者侵犯商业秘密、侵犯著作权等,请点击“违规举报”。

碎片内容

盖梁满堂支架施工方案

您可能关注的文档

确认删除?
VIP
微信客服
  • 扫码咨询
会员Q群
  • 会员专属群点击这里加入QQ群
客服邮箱
回到顶部