电脑桌面
添加小米粒文库到电脑桌面
安装后可以在桌面快捷访问

筏板基础模板施工方案VIP专享

筏板基础模板施工方案_第1页
1/4
筏板基础模板施工方案_第2页
2/4
筏板基础模板施工方案_第3页
3/4
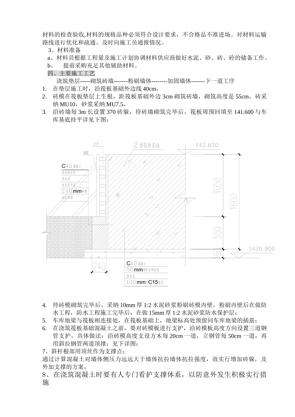
富地·蓝泊湾 2#楼筏板模板支护施工方案审 批: 审 核: 编 制: 河 南 六 建 建 筑 集 团 有 限 公 司二○一一年八月一日筏板基础模板支护施工方案一、工程概况一、工程概况:富地·蓝泊湾工程位于洛阳高新开发区滨河路与芳泽路交叉口东 200m,地下一层地上三十四层,由四栋高层住宅和一个地下车库组成。基础采纳筏板基础,上部结构形式为剪力墙结构。总建筑面积约 14 万 平方米,层高:地下室为 m、上部住宅 m,建筑总高度 m。本工程筏板基础高度是 1.6m,土方已经挖至 140.900 标高周围车库的土方已经挖至 141.600,利用主楼车库周围的土方作为模板的支撑点已经不可能,经项目部讨论论证采纳砖模支护方案二、编制依据《高层建筑混凝土结构技术规程》、《施工手册》《砌体结构设计》、《建筑结构荷载法律规范》、三、施工前准备工作1、技术准备a)、在施工过程中所有施工管理人员均应仔细熟悉图纸,相关法律规范标准,等相关技术资料,并对施工方案进行理论证b)、熟悉砌体、混凝土施工工艺标准,对操作人员进行交底。2、人员准备 (1)相关人员职责a、项目经理:对工程的质量、环境职业健康安全、进度等负全部责任,协调施工过程中各方面问题。b、技术负责人:编制筏板基础大体积砼施工方案,对施工员、试验、安全员、环境监督员做二级交底。协助项目经理解决施工过程中的技术问题。c、施工员:按施工图纸、施工法律规范标准、施工组织设计、施工方案等组织施工,对工序的工程质量负直接责任。施工本工序前,对施工班组进行技术、安全交底,组织施工班组的自检,检查中发现的问题及时纠正、整改,及时办理隐蔽工程的验收,做好各工序的监控记录。d、质量员:严格按设计要求,法律规范规定,对原材料、成品、半成品进行质量检查、监督。做好检验批的质量核定工作,组织报验。及时纠正施工质量通病及违规操作,质量员具有奖罚权和工程质量一票否决权。e、机械管理员:负责机械管理,保证操作人员持证上岗,督促机械修理人员对机械维护和保养,保证机械的正常运转。对关键机械设备要提前试运转,并备好备用机械设备。f、试验员:在监理见证下负责原材取(送)样,砂浆试块的制作养护,同条件试块的留置养护,试验资料转交资料员存档,做好砂浆的配比,监督作业班组严格根据配合比搅拌砂浆; g、材料员:对采购进场的原材料、成品、半成品质量负责。保证材料供应,加强材料的检查验收,材料的规格品种必须符合设计要求,...

1、当您付费下载文档后,您只拥有了使用权限,并不意味着购买了版权,文档只能用于自身使用,不得用于其他商业用途(如 [转卖]进行直接盈利或[编辑后售卖]进行间接盈利)。
2、本站所有内容均由合作方或网友上传,本站不对文档的完整性、权威性及其观点立场正确性做任何保证或承诺!文档内容仅供研究参考,付费前请自行鉴别。
3、如文档内容存在违规,或者侵犯商业秘密、侵犯著作权等,请点击“违规举报”。

碎片内容

筏板基础模板施工方案

确认删除?
VIP
微信客服
  • 扫码咨询
会员Q群
  • 会员专属群点击这里加入QQ群
客服邮箱
回到顶部