电脑桌面
添加小米粒文库到电脑桌面
安装后可以在桌面快捷访问

管材的线膨胀及伸缩量的计算

管材的线膨胀及伸缩量的计算_第1页
1/8
管材的线膨胀及伸缩量的计算_第2页
2/8
管材的线膨胀及伸缩量的计算_第3页
3/8
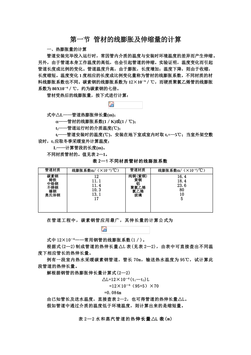
第一节 管材的线膨胀及伸缩量的计算一、热膨胀量的计算管道安装完毕投入运行时,常因管内介质的温度与安装时环境温度的差异而产生伸缩。另外,由于管道本身工作温度的高低,也会引起管道的伸缩。实验证明,温度变化而引起管道长度成比例的变化。管道温度升高,由于膨胀,长度增加;温度下降,则由于收缩,长度缩短。温度变化 1 度相应的长度成比例变化量称为管材的线膨胀系数。不同材质的材料线膨胀系数也不同。碳素钢的线膨胀系数为 12×10—6/℃,而硬质聚氯乙烯管的线膨胀系数为 80X10—6/℃,约为碳素钢的七倍。管材受热后的线膨胀量,按下式进行计算:式中△L——管道热膨胀伸长量(m);——管材的线膨胀系数(1/K)或(1/℃);t2——管道运行时的介质温度(℃);tl——管道安装时的温度(℃),安装在地下室或室内时取 t1=—5℃;当室外架空敷设时,t1应取冬季采暖室外计算温度;L——计算管段的长度(m)。不同材质管材的。值见表 2—1。表 2—1 不同材质管材的线膨胀系数在管道工程中,碳素钢管应用最广,其伸长量的计算公式为式中 12×10—6——常用钢管的线膨胀系数(1/)。根据式(2—2)制成管道的热伸长量△L 表(见表 2—2),由表中可直接查出不同温度下相应管长的热伸长量。例有一段室内热水采暖碳素钢管道,管长 70m,输送热水温度为 95℃,试计算此段管道的热伸长量。解根据钢管的热膨胀伸长量计算式(2—2)△L=12×10—6(t1—t2)L =12×10—6(95+5)×70=0.084m由已知管长及送水温度,直接查表 2—2,也可得管道的热伸长量△L。假如管道中通过介质的温度低于环境温度,则计算出来的是缩短量。表 2—2 水和蒸汽管道的热伸长量△L 表(m)管道材质线膨胀系数/(×10—6/℃)管道材质线膨胀系数/(×10—6/℃)碳素钢铸铁中铬钢不锈钢镍钢奥氏体钢1211.111.410.313.117纯铜(紫铜)黄铜铝聚氯乙烯氯乙烯玻璃16.418.423.680105管段长L/m热水温度/℃6070809095100110120130140143151158164170175179183蒸汽表压/MPa0.0490.0980.1760.2650.2940.3920.490.5880.68607840.8820.98510152025303540455055606570758085909510010511048111519232630343841454953566064687175798349131822263135404448535762667075798388929651015202530354045505560657075808590951001091106111723283440455157626874798590%10210711311912461218243036424854606671778389951011071131191251316131925313844505663697581889410010611311...

1、当您付费下载文档后,您只拥有了使用权限,并不意味着购买了版权,文档只能用于自身使用,不得用于其他商业用途(如 [转卖]进行直接盈利或[编辑后售卖]进行间接盈利)。
2、本站所有内容均由合作方或网友上传,本站不对文档的完整性、权威性及其观点立场正确性做任何保证或承诺!文档内容仅供研究参考,付费前请自行鉴别。
3、如文档内容存在违规,或者侵犯商业秘密、侵犯著作权等,请点击“违规举报”。

碎片内容

管材的线膨胀及伸缩量的计算

您可能关注的文档

领读文化+ 关注
实名认证
内容提供者

传播文化,铸就未来

相关文档

确认删除?
VIP
微信客服
  • 扫码咨询
会员Q群
  • 会员专属群点击这里加入QQ群
客服邮箱
回到顶部